电脑桌面
添加小米粒文库到电脑桌面
安装后可以在桌面快捷访问

炼铁厂高架工职位说明书

炼铁厂高架工职位说明书_第1页
1/1
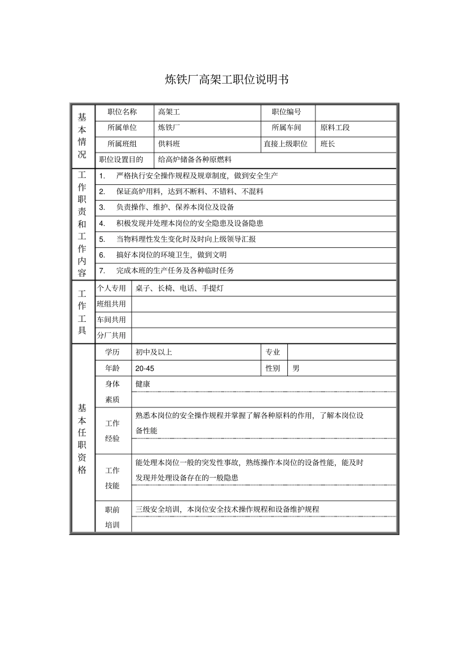
炼铁厂高架工职位说明书基本情况职位名称高架工职位编号所属单位炼铁厂所属车间原料工段所属班组供料班直接上级职位班长职位设置目的给高炉储备各种原燃料工作职责和工作内容1.严格执行安全操作规程及规章制度,做到安全生产2.保证高炉用料,达到不断料、不错料、不混料3.负责操作、维护、保养本岗位及设备4.积极发现并处理本岗位的安全隐患及设备隐患5.当物料理性发生变化时及时向上级领导汇报6.搞好本岗位的环境卫生,做到文明7.完成本班的生产任务及各种临时任务工作工具个人专用桌子、长椅、电话、手提灯班组共用车间共用分厂共用基本任职资格学历初中及以上专业年龄20-45 性别男身体素质健康工作经验熟悉本岗位的安全操作规程并掌握了解各种原料的作用,了解本岗位设备性能工作技能能处理本岗位一般的突发性事故,熟练操作本岗位的设备性能,能及时发现并处理设备存在的一般隐患职前培训三级安全培训,本岗位安全技术操作规程和设备维护规程

1、当您付费下载文档后,您只拥有了使用权限,并不意味着购买了版权,文档只能用于自身使用,不得用于其他商业用途(如 [转卖]进行直接盈利或[编辑后售卖]进行间接盈利)。
2、本站所有内容均由合作方或网友上传,本站不对文档的完整性、权威性及其观点立场正确性做任何保证或承诺!文档内容仅供研究参考,付费前请自行鉴别。
3、如文档内容存在违规,或者侵犯商业秘密、侵犯著作权等,请点击“违规举报”。

碎片内容

炼铁厂高架工职位说明书

确认删除?
VIP
微信客服
  • 扫码咨询
会员Q群
  • 会员专属群点击这里加入QQ群
客服邮箱
回到顶部