电脑桌面
添加小米粒文库到电脑桌面
安装后可以在桌面快捷访问

热电偶测量回路干扰来源分析资料

热电偶测量回路干扰来源分析资料_第1页
1/13
热电偶测量回路干扰来源分析资料_第2页
2/13
热电偶测量回路干扰来源分析资料_第3页
3/13
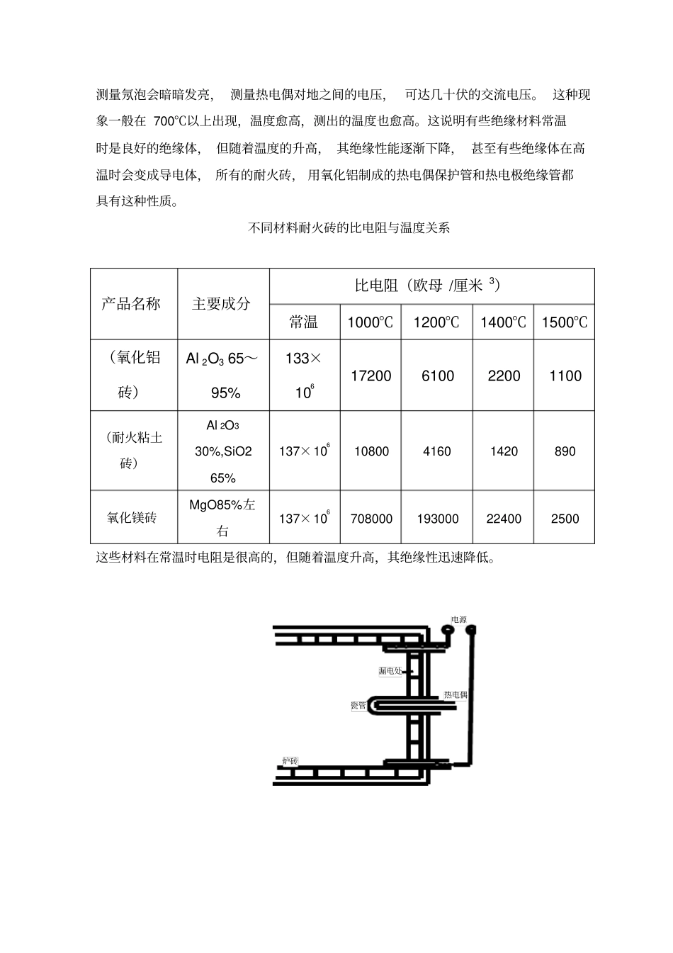
热电偶测量回路干扰来源分析及抗干扰的措施一、干扰来源分析归纳为两大类:端间干扰和对地干扰。(一)端间干扰: 就是由于种种原因在仪表输入端之间出现交流信号而造成对仪表的干扰,这种干扰又称横向干扰或线间干扰。U 干端间干扰电压的大小,可以用万用表(电压表)在仪表输入端测出,一般情况下端间干扰电压约在几毫伏到几十毫伏的范围内。(测量时万用表测量端钮不应接地,以免引进附加的对地干扰造成测量误差) 。端间干扰来源1、交变磁场:大功率变压器、交流电动机、强电流导线等周围都有较强的交变磁场,如果补偿导线在邻近通过就会受到这些交变磁场的影响,从而在输入回路中感应出交流电动势,从而形成干扰。显示仪表2、热电偶焊接在带电体上引进干扰:在一些特殊要求的测温场合下,需要将热电偶的工作端焊接到用电流直接加热的金属试样的表面上。由于在金属试样平行于电流方向的各点上存在电位差,从而引进了端间干扰电压,其值为UCD,如果试样的截面是均匀的,则 UCD=U ABABCD电 流 方 向CDA BUCD----引起的干扰电压UAB----试样两端的加热电压CD----- 热电偶丝焊接点距离AB---- 试样长度设 UAB=5 伏, AB=100 ㎜,CD=1㎜,则 UCD=5×103×1/100=50mV3、日常大量遇到的端间干扰信号,是由于有干扰电流通过热电偶及其连接导线或仪表测量系统串接的阻抗所产生的电压降而造成的。(二)对地干扰: 是指干扰电压出现于仪表输入端的一端(正端或负端)对地之间的交流信号,这种干扰又称为纵向干扰。现场的对地干扰电压的大小,可用万用表(电压表)跨接于仪表输入的一端(正端或负端)与地之间测量,一般情况下对地干扰电压大多在几伏到几十伏的范围内。U干对地干扰的来源:1、高温漏电产生的干扰使用氧化铝或瓷质保护套管的热电偶测量电炉炉膛温度,在高温时人体碰触到热电偶接头的金属或热电偶丝,会有触电的感觉, 如果用试电笔测量氖泡会暗暗发亮, 测量热电偶对地之间的电压, 可达几十伏的交流电压。 这种现象一般在 700℃以上出现,温度愈高,测出的温度也愈高。这说明有些绝缘材料常温时是良好的绝缘体, 但随着温度的升高, 其绝缘性能逐渐下降, 甚至有些绝缘体在高温时会变成导电体, 所有的耐火砖, 用氧化铝制成的热电偶保护管和热电极绝缘管都具有这种性质。不同材料耐火砖的比电阻与温度关系产品名称主要成分比电阻(欧母 /厘米 3)常温1000℃1200℃1400℃1500℃(氧化铝砖)Al 2O3 65~95%133...

1、当您付费下载文档后,您只拥有了使用权限,并不意味着购买了版权,文档只能用于自身使用,不得用于其他商业用途(如 [转卖]进行直接盈利或[编辑后售卖]进行间接盈利)。
2、本站所有内容均由合作方或网友上传,本站不对文档的完整性、权威性及其观点立场正确性做任何保证或承诺!文档内容仅供研究参考,付费前请自行鉴别。
3、如文档内容存在违规,或者侵犯商业秘密、侵犯著作权等,请点击“违规举报”。

碎片内容

热电偶测量回路干扰来源分析资料

您可能关注的文档

确认删除?
VIP
微信客服
  • 扫码咨询
会员Q群
  • 会员专属群点击这里加入QQ群
客服邮箱
回到顶部