电脑桌面
添加小米粒文库到电脑桌面
安装后可以在桌面快捷访问

焊接件通用技术条件资料

焊接件通用技术条件资料_第1页
1/12
焊接件通用技术条件资料_第2页
2/12
焊接件通用技术条件资料_第3页
3/12
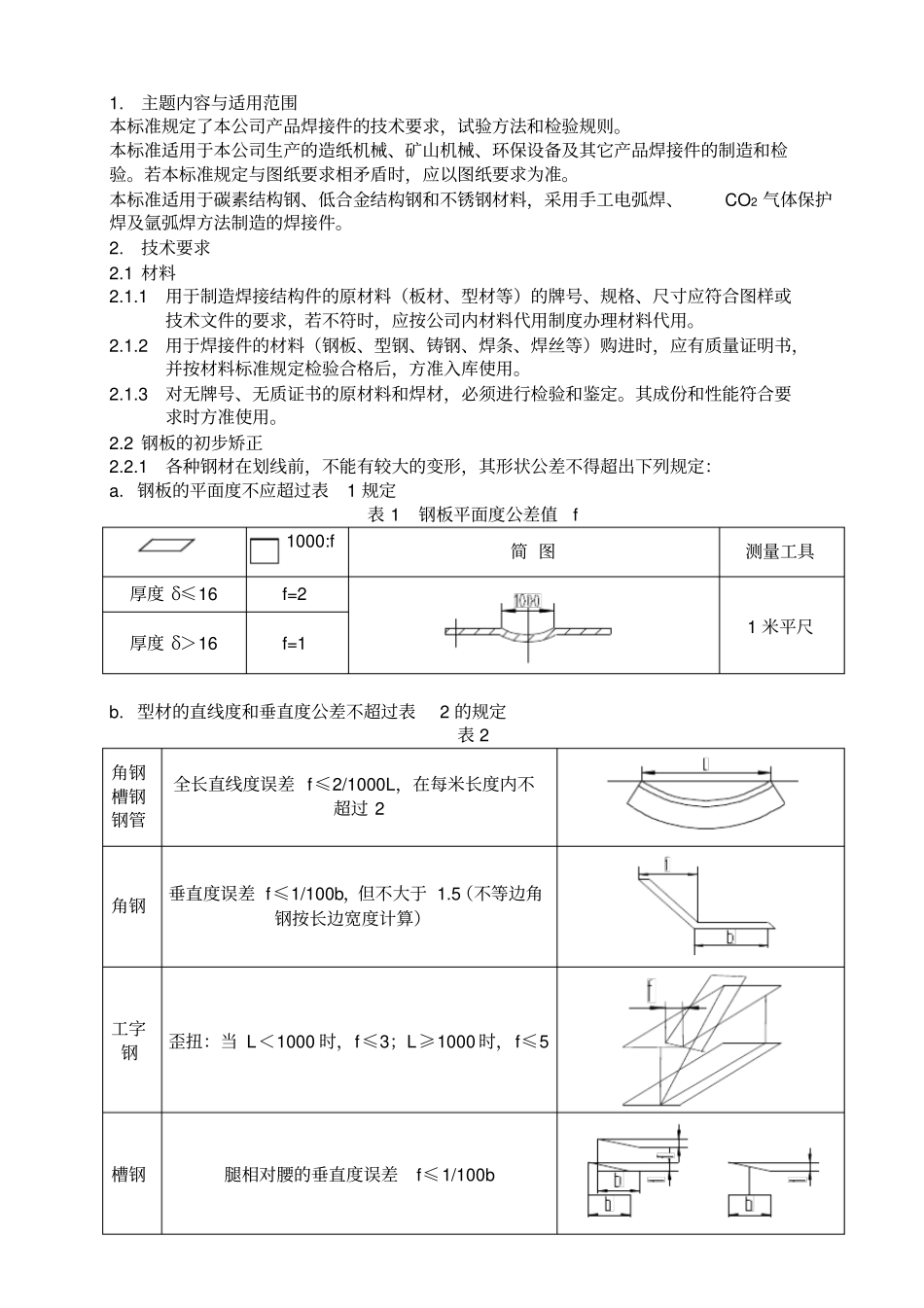
1.主题内容与适用范围本标准规定了本公司产品焊接件的技术要求,试验方法和检验规则。本标准适用于本公司生产的造纸机械、矿山机械、环保设备及其它产品焊接件的制造和检验。若本标准规定与图纸要求相矛盾时,应以图纸要求为准。本标准适用于碳素结构钢、低合金结构钢和不锈钢材料,采用手工电弧焊、CO2 气体保护焊及氩弧焊方法制造的焊接件。2.技术要求2.1 材料2.1.1用于制造焊接结构件的原材料(板材、型材等)的牌号、规格、尺寸应符合图样或技术文件的要求,若不符时,应按公司内材料代用制度办理材料代用。2.1.2用于焊接件的材料(钢板、型钢、铸钢、焊条、焊丝等)购进时,应有质量证明书,并按材料标准规定检验合格后,方准入库使用。2.1.3对无牌号、无质证书的原材料和焊材,必须进行检验和鉴定。其成份和性能符合要求时方准使用。2.2 钢板的初步矫正2.2.1各种钢材在划线前,不能有较大的变形,其形状公差不得超出下列规定:a. 钢板的平面度不应超过表1 规定表 1 钢板平面度公差值f 1000:f 简 图测量工具厚度 δ≤16 f=2 1 米平尺厚度 δ>16 f=1 b. 型材的直线度和垂直度公差不超过表2 的规定表 2 角钢槽钢钢管全长直线度误差 f≤2/1000L,在每米长度内不超过 2 角钢垂直度误差 f≤1/100b,但不大于 1.5(不等边角钢按长边宽度计算)工字钢歪扭:当 L<1000 时,f≤3;L≥1000 时,f≤5 槽钢腿相对腰的垂直度误差f≤1/100b c.歪扭不超过表2 的规定,当超过规定,本公司无法矫正时,经检验部门同意,可用于次要结构。2.2.2钢材的矫正。可用机械矫正和火焰矫正,或在平台上锤击。矫正后的钢材,不得有明显的伤痕,其伤痕深度,钢板一般≤0.5mm,型钢≤ 1mm。2.2.3不锈钢材料不准用铁锤直接锤击(可垫一铜块锤击或用木锤锤击)2.3 号料划线前的准备2.3.1划线或样板的制作,需考虑结构在焊接时所产生的收缩量,收缩量的大小,按工艺要求规定。如工艺文件没有规定时,一般箱型或工字型结构或类似箱型划工字型结构,纵向焊缝收缩量⊿ L 按下式计算⊿L=1/1000L=0.5n (L :焊件纵向焊缝总长mm;n:筋、隔板数量 ) 横向焊缝的收缩量⊿ B按下式计算⊿B=1/1000B (B:焊件横向焊缝总长mm) 2.3.2焊接结构件的装配间隙,在制作样板时应予以考虑。其间隙在图纸和工艺文件没有要求时,一般为 1-2mm。2.3.3样板的外围尺寸偏差,应在-0.5 ~-1.0 范围内。2.3.4样板需经检验员验收合格后方可使用。2.4 号料2....

1、当您付费下载文档后,您只拥有了使用权限,并不意味着购买了版权,文档只能用于自身使用,不得用于其他商业用途(如 [转卖]进行直接盈利或[编辑后售卖]进行间接盈利)。
2、本站所有内容均由合作方或网友上传,本站不对文档的完整性、权威性及其观点立场正确性做任何保证或承诺!文档内容仅供研究参考,付费前请自行鉴别。
3、如文档内容存在违规,或者侵犯商业秘密、侵犯著作权等,请点击“违规举报”。

碎片内容

焊接件通用技术条件资料

您可能关注的文档

爱的疯狂+ 关注
实名认证
内容提供者

该用户很懒,什么也没介绍

确认删除?
VIP
微信客服
  • 扫码咨询
会员Q群
  • 会员专属群点击这里加入QQ群
客服邮箱
回到顶部