电脑桌面
添加小米粒文库到电脑桌面
安装后可以在桌面快捷访问

焊接工艺卡模板

焊接工艺卡模板_第1页
1/14
焊接工艺卡模板_第2页
2/14
焊接工艺卡模板_第3页
3/14
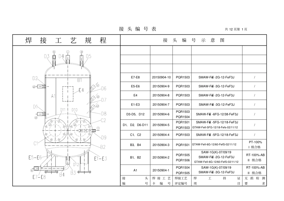
. . 表格编号: J08-07 泰安市金水龙金属容器有限公司焊接作业指导书编号 20150904产品编号 15036 图号 LDR0.05-1.0-00 名称蒸汽发生器版次阶段说明修改标记及处数编制人及日期校审人及日期备注接 头 编 号 表共 12 页第 1 页焊接工艺规程接头编号示意图E7-E8 20150904-10 PQR1503 SMAW-FeⅡ-2G-12-FeF3J / E5-E6 20150904-9 PQR1503 SMAW-FeⅡ-3G-12-FeF3J / E4 20150904-8 PQR1503 SMAW-FeⅡ-2G-12-FeF3J / E1-E3 20150904-7 PQR1503 SMAW-FeⅡ-3G-12-FeF3J / D3-D5、D12 20150904-6 PQR1503 PQR1504 SMAW-FeⅡ-6FG-12/38-FeF3J / D1、 D2、D6-D11 20150904-5 PQR1501 PQR1503 SMAW-FeⅡ-5FG-12/18-FeF3J GTAW-FeII-5FG-12/18-Fefs-02/11/12/ C1、C2 20150904-4 PQR1503 SMAW-FeⅡ-5FG-12/18-FeF3J / B3、B4 20150904-3 PQR1501 GTAW-FeII-6G-12/60-FefS-02/11/12PT-100% I 级合格B1、B2 20150904-2 PQR1505 PQR1506 SAW-1G(K)-07/09/19 SMAW-FeⅡ-2G-12-FeF3J GTAW-FeII-6G-12/60-FefS-02/11/12RT-100%-AB II 级合格A1 20150904-1 PQR1504 PQR1505 SAW-1G(K)-07/09/19 SMAW-FeⅡ-3G-12-FeF3J RT-100%-AB II 级合格接头编号焊 接 工 艺卡编号焊接工艺评定编号焊工持证项目无 损检测要求焊 接 材 料 汇 总 表共 12 页第 2 页母材焊条电弧焊 SMAW 埋弧焊 SAW 气体保护焊 MIG/TIG 焊条 / 规格烘 干 温 度 / 时间焊丝 / 规格焊剂烘 干 温 度 / 时间焊丝 / 规格保 护 气 体混 合 比Q345R+Q345R J507/ Φ 4.0 350/1 H10Mn2/Φ 4.0 HJ431 250/2 ER50-6/Φ2.4 Ar ≥99.9% 20+20 / / / / / ER50-6/Φ2.4 Ar ≥99.9% Q345R+20 J507/ Φ 4.0 350/1 / / / ER50-6/Φ2.4 Ar ≥99.9% Q345R+Q235B J507/ Φ 3.2/ Φ 4.0 / / / / / / / 20+Q235B J507/ Φ 3.2 / / / / / / / 容器技术特性部位设 计 压 力 MPa 设 计 温 度 ℃试 验 压 力 MPa 焊 接 接 头 系 数容器类别备注1.2 192 1.54 1 I 类接头焊接工艺卡共 12 页第 3 页焊接工艺规程接头焊接工艺卡接头简图:注: 焊接筒体外侧焊缝前(第4 层),碳弧气刨清根。焊 接 顺 序焊接工艺卡编号20150904-1 1、清除坡口及两侧20mm范围内的毛刺、污物等。图号LDR0.05-1.0-00 接头名称A 类接头...

1、当您付费下载文档后,您只拥有了使用权限,并不意味着购买了版权,文档只能用于自身使用,不得用于其他商业用途(如 [转卖]进行直接盈利或[编辑后售卖]进行间接盈利)。
2、本站所有内容均由合作方或网友上传,本站不对文档的完整性、权威性及其观点立场正确性做任何保证或承诺!文档内容仅供研究参考,付费前请自行鉴别。
3、如文档内容存在违规,或者侵犯商业秘密、侵犯著作权等,请点击“违规举报”。

碎片内容

焊接工艺卡模板

确认删除?
VIP
微信客服
  • 扫码咨询
会员Q群
  • 会员专属群点击这里加入QQ群
客服邮箱
回到顶部