电脑桌面
添加小米粒文库到电脑桌面
安装后可以在桌面快捷访问

焊缝外观缺陷检验标准资料

焊缝外观缺陷检验标准资料_第1页
1/10
焊缝外观缺陷检验标准资料_第2页
2/10
焊缝外观缺陷检验标准资料_第3页
3/10
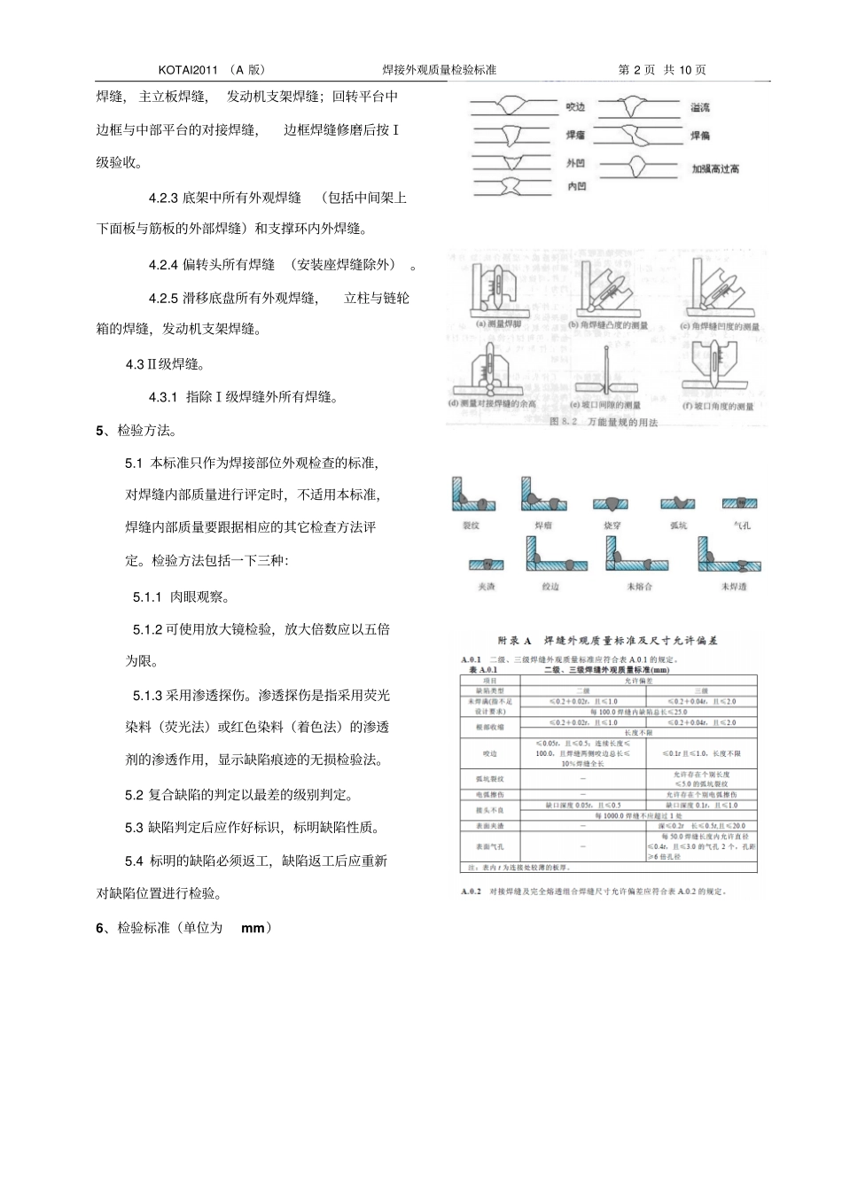
焊缝 外观检验标 准1、 目的指导焊工及焊接检验人员工作,确保焊接质量。2、 适用范围本标准适用于钢结构件焊缝外观质量检验(自检和专检)。3、 焊接部外观检查项目3.1 焊接缺陷:3.1.1 咬边:由于焊接参数选择不当,或操作工艺不正确, 沿焊趾的母材部位产生的沟槽或凹陷。3.1.2 焊缝表面气孔:焊接时,熔池中的气泡在凝固时未能逸出而残留下来形成的空穴叫气孔。表面气孔指露在表面的气孔。3.1.3 未熔合: 熔焊时, 焊道与母材之间或焊道与焊道之间,未完全熔化结合的部分;点焊时母材与母材之间未完全熔化结合的部分。3.1.4 未焊透:焊接时接头根部未完全熔透的现象。3.1.5 裂纹:在焊接应力及其它致脆因素共同作用下,焊接接头中局部地区的金属原子结合力遭到破坏而形成的新界面而产生的缝隙,它具有尖锐的缺口和大的长宽比的特征。3.1.6 未焊满: 由于填充金属不足,在焊缝表面形成的连续或断续的沟槽。3.1.7 焊瘤: 焊接过程中, 熔化金属流淌到焊缝之外未熔化的母材上所形成的金属瘤。3.1.8 烧穿: 焊接过程中, 熔化金属自坡口背面流出,形成穿孔的缺陷。3.2 焊缝形状缺陷:3.2.1 焊缝成形差:熔焊时,液态焊缝金属冷凝后形成的焊缝外形叫焊缝成形,焊缝成形差是指焊缝外观上, 焊缝高低、宽窄不一,焊缝波纹不整齐甚至没有等。3.2.2 焊脚尺寸:在角焊缝横截面中画出最大等腰三角形中, 直角边的长度。 缺陷表现在焊脚尺寸小于设计要求和焊脚尺寸不等(单边)等。3.2.3 余高超差:余高高于要求或低于母材。3.2.4 错边:对接焊缝时两母材不在一平面上。3.2.5 漏焊:要求焊接的焊缝未焊接。表现在整条焊缝未焊接、整条焊缝部分未焊接、未填满弧坑、焊缝未填满未焊完等。3.2.6 漏装:结构件中某一个或一个以上的零件未组焊上去。3.2.7 飞溅。3.2.8 电弧擦伤。3.3 复合缺陷:同一条焊缝或同一条焊缝同一处同时存在两种或两种以上的缺陷。3.4 焊缝打磨。焊缝打磨要求:打磨后焊缝符合本检验标准,焊缝圆滑过渡或焊缝与母材圆滑过渡,不允许破坏母材, 其余参见 《挖机结构件焊缝打磨规定》。4、Ⅰ、Ⅱ级焊缝的划分。4.1 外观焊缝:是指装配后仍能观察到的焊缝。4.2Ⅰ级焊缝。4.2.1 挖机和滑移动臂、 斗杆所有外观焊缝(注意管夹焊缝包含在内)。4.2.2 中部平台动臂铰座焊缝,中尾部对接KOTAI2011 (A 版)焊接外观质量检验标准第 2 页 共 10 页焊缝, 主立板焊缝, 发动机支架焊缝;回转平...

1、当您付费下载文档后,您只拥有了使用权限,并不意味着购买了版权,文档只能用于自身使用,不得用于其他商业用途(如 [转卖]进行直接盈利或[编辑后售卖]进行间接盈利)。
2、本站所有内容均由合作方或网友上传,本站不对文档的完整性、权威性及其观点立场正确性做任何保证或承诺!文档内容仅供研究参考,付费前请自行鉴别。
3、如文档内容存在违规,或者侵犯商业秘密、侵犯著作权等,请点击“违规举报”。

碎片内容

焊缝外观缺陷检验标准资料

确认删除?
VIP
微信客服
  • 扫码咨询
会员Q群
  • 会员专属群点击这里加入QQ群
客服邮箱
回到顶部