电脑桌面
添加小米粒文库到电脑桌面
安装后可以在桌面快捷访问

煤矿劳保用品发放标准

煤矿劳保用品发放标准_第1页
1/4
煤矿劳保用品发放标准_第2页
2/4
煤矿劳保用品发放标准_第3页
3/4
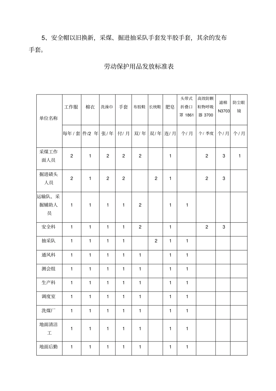
煤矿劳动保护用品发放管理规定为加强我公司煤矿职工劳动保护用品发放管理工作,合理使用劳动保护用品,保证职工在工作中的安全与身体健康,使劳动保护用品发放标准化、制度化。根据《劳动法》和省市有关职工劳动保护的政策规定,结合我公司矿井实际特制定本规定。一、劳动保护用品的发放规定1、劳动保护用品的发放,根据工作性质和劳动条件,对不同工种、不同劳动条件,发给不同的劳动保护用品。劳动保护用品是为劳动者提供保护的必要物质条件,职工上岗作业必须按规定使用,劳动保护用品不得移作他用或领而不用。2、劳动保护用品不是生活福利待遇,应按规定标准以实物形式发放给职工,不得以币代物发放, 更不得以发放劳动保护用品的名义发放其它物资。二、劳动保护用品发放范围和标准1、本规定适应于我公司矿井在册、在岗人员。2、职工按其所从事的岗位(工种)领取劳动保护用品,职工岗位(工种)变动后劳动保护用品按新岗位(工种)标准发放。3、因特殊情况需提高劳动保护用品发放标准,由所在单位提出申请,经分管矿长审核报公司批准后可按提高后的标准发放。4、每月各基层单位按发放标准出票据,报井部生产科登记和生产矿长审核签字,未经生产科登记和生产科长签字的,库房不得发放,附(劳动保护用品发放标准表)。5、安全帽以旧换新,采煤、掘进抽采队手套发半胶手套,其余的发布手套。劳动保护用品发放标准表单位名称工作服棉衣洗澡巾手套布胶鞋长统鞋肥皂头带式折叠口罩 1861 高效防颗粒物呼吸器 3700 滤棉N3703 防尘眼镜每年 / 套 件/2 年 张/ 年付/ 月双/ 年 双/ 年 连/ 月个/ 月个/ 季度个/ 月 个 / 月采煤工作面人员2 1 2 2 2 1 2 3 1 掘进碛头人员2 1 2 2 2 1 2 3 运输队、采掘辅助人员1 1 1 1 2 1 1 安全科1 1 1 1 2 1 2 3 抽采队1 1 1 1 2 1 1 通风科1 1 1 1 1 1 1 测会组1 1 1 1 1 1 1 生产科1 1 1 1 1 1 1 调度室1 1 1 1 1 1 1 洗煤厂1 1 1 1 1 1 1 地面清洁工1 1 1 1 1 1 1 地面后勤1 1 1 1 1 1 1 三、劳动保护用品的发放管理1、劳动保护用品的发放管理由劳资处负责,每年应对各岗位(工种)人员名单进行核实报公司批准。2、发放劳动保护用品必须建立健全劳动保护用品的领用、保管和发放制度,严格按规定和标准发放,不得违反规定多发或少发劳动保护用品,凡违反规定或造成其它不良影响的要追究有关人员的...

1、当您付费下载文档后,您只拥有了使用权限,并不意味着购买了版权,文档只能用于自身使用,不得用于其他商业用途(如 [转卖]进行直接盈利或[编辑后售卖]进行间接盈利)。
2、本站所有内容均由合作方或网友上传,本站不对文档的完整性、权威性及其观点立场正确性做任何保证或承诺!文档内容仅供研究参考,付费前请自行鉴别。
3、如文档内容存在违规,或者侵犯商业秘密、侵犯著作权等,请点击“违规举报”。

碎片内容

煤矿劳保用品发放标准

确认删除?
VIP
微信客服
  • 扫码咨询
会员Q群
  • 会员专属群点击这里加入QQ群
客服邮箱
回到顶部