电脑桌面
添加小米粒文库到电脑桌面
安装后可以在桌面快捷访问

煤矿各类管理牌板制作尺寸标准

煤矿各类管理牌板制作尺寸标准_第1页
1/12
煤矿各类管理牌板制作尺寸标准_第2页
2/12
煤矿各类管理牌板制作尺寸标准_第3页
3/12
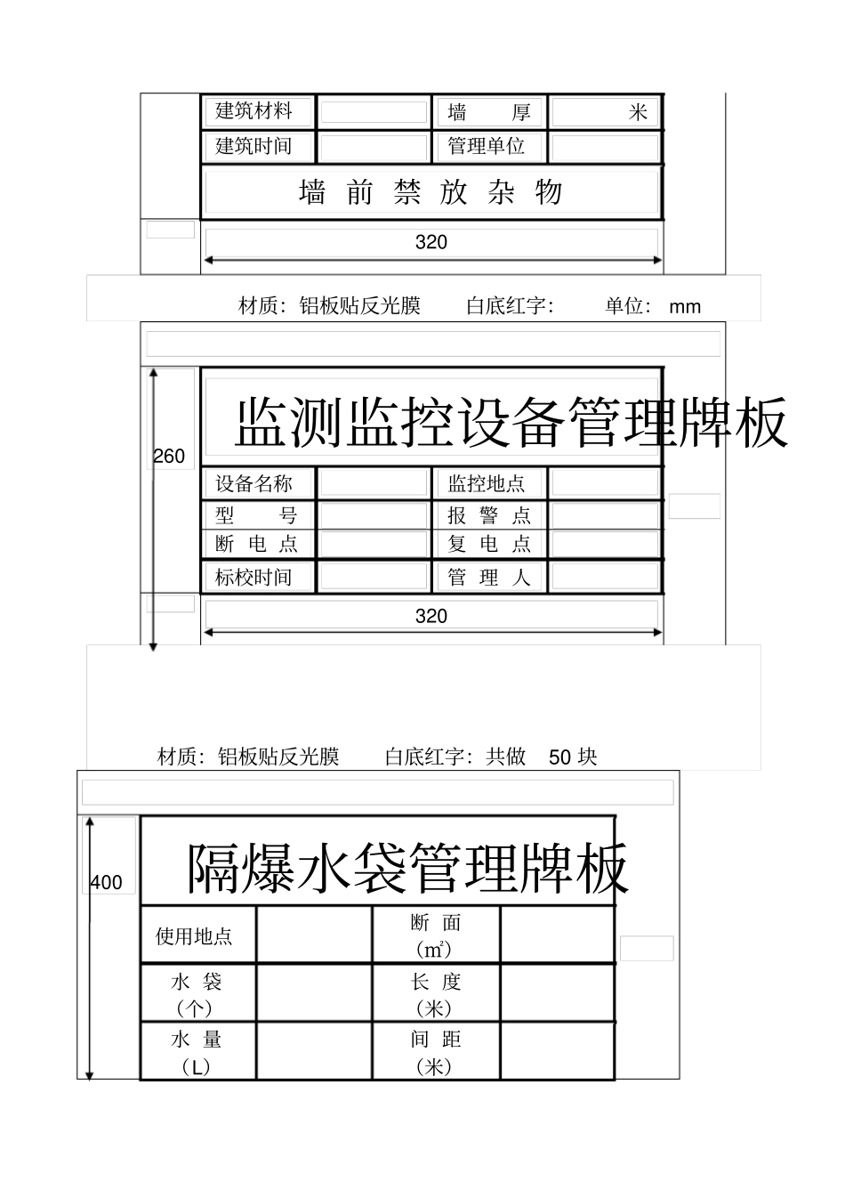
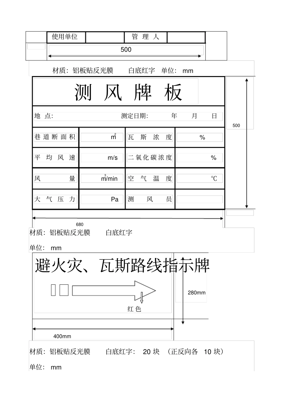
单位: mm 260风门管理牌板地点类型建筑时间建筑材料责任单位管 理 人风门前后 5 米禁放杂物320材质:铝板贴反光膜白底红字单位: mm260盲巷密闭管理牌板地点编号巷道长度米封闭时间墙厚米管理单位墙 前 禁 放 杂 物320材质:铝板贴反光膜白底红字:单位: mm260 挡风墙管理牌板地点建筑材料墙厚米建筑时间管理单位墙 前 禁 放 杂 物320材质:铝板贴反光膜白底红字:单位: mm260监测监控设备管理牌板设备名称监控地点型号报 警 点断 电 点复 电 点标校时间管 理 人320材质:铝板贴反光膜白底红字:共做50 块400隔爆水袋管理牌板使用地点断 面(㎡)水 袋(个)长 度(米)水 量(L)间 距(米)使用单位管 理 人500材质:铝板贴反光膜白底红字单位: mm测 风 牌 板 500地 点:测定日期:年月日巷 道 断 面 积m2瓦斯浓度 %平均风速m/s二 氧 化 碳 浓 度%风量m3/min空气温度℃大气压力Pa测风员 680材质:铝板贴反光膜白底红字单位: mm避火灾、瓦斯路线指示牌红 色280mm 400mm材质:铝板贴反光膜白底红字: 20 块 (正反向各10 块)单位: mm避水灾路线指示牌蓝 色280mm 400mm材质:铝板贴反光膜白底蓝字: 20 块 (正反向各10 块)单位: mm300材料管理牌板存放地点材料名称规格数量责任单位管 理 人400材质:铝板贴反光膜白底红字: 20 块单位: mm600瓦 斯 检 测 牌 板检 测 地 点:年月日 500班次次数时间CH4%CO2%瓦斯检查工夜班一次二次早班一次二次中班一次二次一炮三检装药前 (CH4%)放炮前 (CH4%)放炮后 (CH4%)检测人材质:铝板贴反光膜白底红字:单位: mm躲 避 硐280mm 400mm材质:铝板贴反光膜白底红字: 15 块单位: mm运输顺槽280mm 400mm材质:铝板贴反光膜白底红字: 2 块单位: mm回风顺槽280mm 400mm材质:铝板贴反光膜白底红字: 2 块单位: mm工作面280mm 400mm材质:铝板贴反光膜白底红字: 2 块单位: mm井下变电所280mm 400mm材质:铝板贴反光膜白底红字: 2 块单位: mm水泵房280mm 400mm材质:铝板贴反光膜白底红字: 2 块单位: mm消防材料库280mm 400mm材质:铝板贴反光膜白底红字: 2 块单位: mm主暗斜井设计长度: m 倾角度副暗斜井设计长度: m 倾角度行人不行车行车不行人回风上山设计长度: m 倾角度西 风 井设计长度: m 倾角度 400mm材质:铝板贴反光膜白底红字:单位: mm电...

1、当您付费下载文档后,您只拥有了使用权限,并不意味着购买了版权,文档只能用于自身使用,不得用于其他商业用途(如 [转卖]进行直接盈利或[编辑后售卖]进行间接盈利)。
2、本站所有内容均由合作方或网友上传,本站不对文档的完整性、权威性及其观点立场正确性做任何保证或承诺!文档内容仅供研究参考,付费前请自行鉴别。
3、如文档内容存在违规,或者侵犯商业秘密、侵犯著作权等,请点击“违规举报”。

碎片内容

煤矿各类管理牌板制作尺寸标准

您可能关注的文档

确认删除?
VIP
微信客服
  • 扫码咨询
会员Q群
  • 会员专属群点击这里加入QQ群
客服邮箱
回到顶部