电脑桌面
添加小米粒文库到电脑桌面
安装后可以在桌面快捷访问

煤矿常用水泵技术参数

煤矿常用水泵技术参数_第1页
1/2
煤矿常用水泵技术参数_第2页
2/2
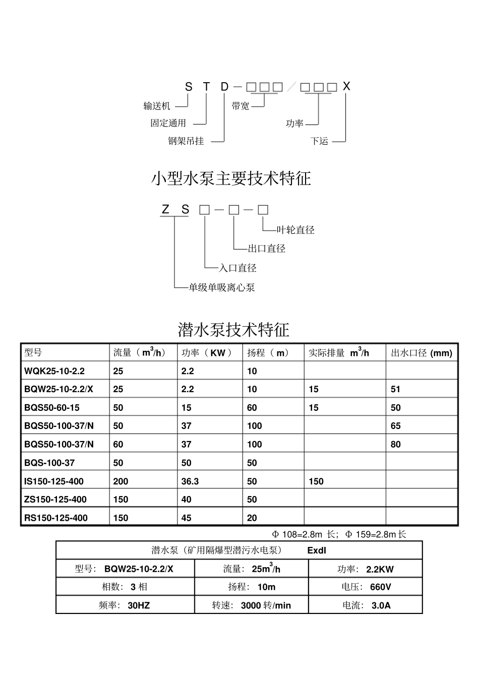
小型水泵主要技术特征潜水泵技术特征型号流量( m3/h)功率( KW )扬程( m)实际排量 m3/h 出水口径 (mm) WQK25-10-2.2 25 2.2 10 BQW25-10-2.2/X 25 2.2 10 15 51 BQS50-60-15 50 15 60 15 50 BQS50-100-37/N 50 37 100 65 BQS50-100-37/N 60 37 100 80 BQS-100-37 50 50 50 IS150-125-400 200 36.3 50 150 ZS150-125-400 150 40 50 RS150-125-400 150 45 20 Φ 108=2.8m 长;Φ 159=2.8m长潜水泵(矿用隔爆型潜污水电泵)ExdI 型号: BQW25-10-2.2/X 流量: 25m3/h 功率: 2.2KW 相数: 3 相扬程: 10m 电压: 660V 频率: 30HZ 转速: 3000 转/min 电流: 3.0A 功率带宽钢架吊挂固定通用输送机STDX下运ZS叶轮直径出口直径入口直径单级单吸离心泵绝缘等级: F 级出水口径: 51mm 重量: 43KG 实际排量: 15 m3/h 潜水泵(矿用隔爆型潜水排沙电泵)ExdI 型号: BQS50-60-15 流量: 50m3/h 功率: 15KW 相数: 3 扬程: 60m 电压: 660V 频率: 50HZ 转速: 2860 转/min 电流: 17.8A 绝缘等级:级出水口径: 50mm 重量: 21.4kg 实际排量: 15 m3/h 单轮泵( IS 型单级单吸清水离心泵)型号: IS150-125-400 流量: 200m3/h(理论设计)轴功率: 36.3KW 相数: 3 相扬程: 50m 配用功率: 45KW 汽蚀余量:(NPSH)r 28m 转速: 1450 转/min 效率: 75% 实际排量: 150 m3/h 37kw 潜水泵(矿用隔爆型潜水排沙泵)ExdI 型号: BQS50-100-37/N 流量:50m3/h 功率: 37KW 相数: 3 相扬程: 100m 电压: 660V 频率: 50HZ 转速: 3000 转/min 电流: 42.2A 绝缘等级: F 级出水口径: 65mm 重量: 538KG 37kw 潜水泵(矿用隔爆型潜水排沙泵)ExdI 型号: BQS-100-37 流量:60m3/h 功率: 37KW 相数: 3 相扬程: 100m 电压: 660V 频率: 50HZ 转速: 2860 转/min 电流: 42A 绝缘等级: F 级出水口径: 80mm 重量: 538KG 电机型号: YBS-37 龙口市矿山机械厂

1、当您付费下载文档后,您只拥有了使用权限,并不意味着购买了版权,文档只能用于自身使用,不得用于其他商业用途(如 [转卖]进行直接盈利或[编辑后售卖]进行间接盈利)。
2、本站所有内容均由合作方或网友上传,本站不对文档的完整性、权威性及其观点立场正确性做任何保证或承诺!文档内容仅供研究参考,付费前请自行鉴别。
3、如文档内容存在违规,或者侵犯商业秘密、侵犯著作权等,请点击“违规举报”。

碎片内容

煤矿常用水泵技术参数

爱的疯狂+ 关注
实名认证
内容提供者

该用户很懒,什么也没介绍

确认删除?
VIP
微信客服
  • 扫码咨询
会员Q群
  • 会员专属群点击这里加入QQ群
客服邮箱
回到顶部