电脑桌面
添加小米粒文库到电脑桌面
安装后可以在桌面快捷访问

煤磨工艺流程讲义

煤磨工艺流程讲义_第1页
1/8
煤磨工艺流程讲义_第2页
2/8
煤磨工艺流程讲义_第3页
3/8
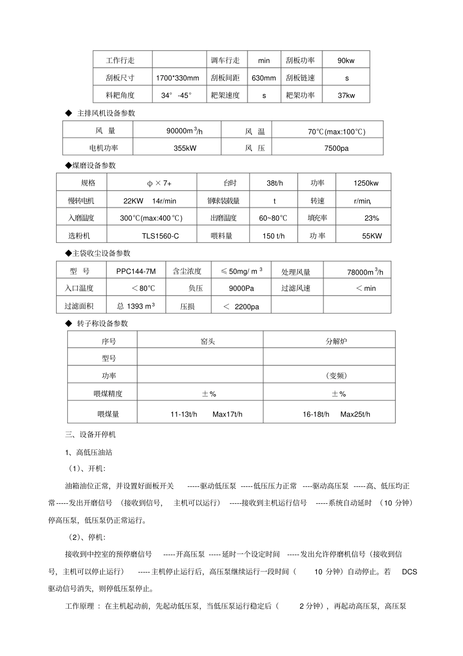
煤磨工艺流程讲义新型干法水泥厂的生产过程,就是以悬浮预热和窑外分解技术内核心,应用现代科学技术和工业生产最新成就,以新型的烘干粉磨及原燃料均化工艺及装备,采用以计算机控制为代表的自动化过程控制手段,实现高效、优质、低耗的水泥生产过程,使水泥生产具有高效、优质、节约资源、清洁生产、符合环境保护要求和大型化、自动化、科学管理特征的现代水泥生产方法。与传统的湿法、干法、半干法水泥生产相比,其工艺过程比较复杂,系统环节多,连续性强。许多工序联合操作,相互影响,相互制约。生产过程本身要求具有高度的稳定性,设备运转的可靠性和参数调节控制的及时性。这就需要中控室的操作人员必须很好掌握新型干法工艺过程的特点,了解其工作原理和各种工艺热工过程的特性,同时具有机械、电气、自动化过程控制等方面的基本知识,这是提高中控室操作水平的基础。一、煤磨系统工艺流程简介1、原煤来源:通过原煤堆场侧臂取料机刮取原煤,再通过三条皮带输送机送至磨头原煤仓。2、热风来源:生产期间篦冷机的热风,在煤磨主排风机的作用下,为煤磨烘干提供热源,非正常生产期间也可使用热风炉的热风,作为煤磨烘干和粉磨的热源。3、煤粉制备工艺流程:原煤仓内的煤经定量给料机计量后由电动双翻板阀喂入风扫磨,在煤磨主排风机的抽力作用下,篦冷机的热气被抽到旋转的磨机筒体内,原煤进入烘干仓时,由于烘干仓内设有特别的扬料板将煤扬起,含有水分的原煤在此处与热气进行强烈的热交换而得到烘干,烘干后的煤块通过设有扬料板的双层隔仓板进入粉磨仓,粉磨仓内的研磨体被旋转的筒体带起、抛落,从而把煤块粉碎和研磨成煤粉,煤粉在排风机的抽力作用下被送入高效选粉机,经选粉机分级后,粗粉由螺旋输送机送入磨内重新粉磨,细粉进入袋收尘收集后由螺旋输送机送入煤粉仓,经收尘器过滤后的气体通过排风机排入大气。煤粉进入煤粉仓后带入的废气经安置在煤粉仓顶部的袋收尘过滤后由独立的风机排出。另外经绞刀收集的煤粉可以经可逆输送绞刀,完成煤磨系统之间窑炉仓用煤互相供给。4、安全防范:为防止煤粉仓(1820),袋收尘( 1830)着火,该系统设置了一套氮气灭火装置,分别为煤粉仓( 1820),袋收尘器( 1830)灭火,另外煤磨还设置有一套消防水。防范方法:煤粉仓着火:关闭全部档板或阀门及上部各螺旋铰刀,从煤粉仓顶部,下部锥体部位充氮气,若传感器处温度大于50℃,要求将称重传感器拆除。袋收尘器( 1830)着火(包括袋...

1、当您付费下载文档后,您只拥有了使用权限,并不意味着购买了版权,文档只能用于自身使用,不得用于其他商业用途(如 [转卖]进行直接盈利或[编辑后售卖]进行间接盈利)。
2、本站所有内容均由合作方或网友上传,本站不对文档的完整性、权威性及其观点立场正确性做任何保证或承诺!文档内容仅供研究参考,付费前请自行鉴别。
3、如文档内容存在违规,或者侵犯商业秘密、侵犯著作权等,请点击“违规举报”。

碎片内容

煤磨工艺流程讲义

您可能关注的文档

确认删除?
VIP
微信客服
  • 扫码咨询
会员Q群
  • 会员专属群点击这里加入QQ群
客服邮箱
回到顶部