电脑桌面
添加小米粒文库到电脑桌面
安装后可以在桌面快捷访问

燃气管网工职业技能考核项目及考评方案

燃气管网工职业技能考核项目及考评方案_第1页
1/15
燃气管网工职业技能考核项目及考评方案_第2页
2/15
燃气管网工职业技能考核项目及考评方案_第3页
3/15
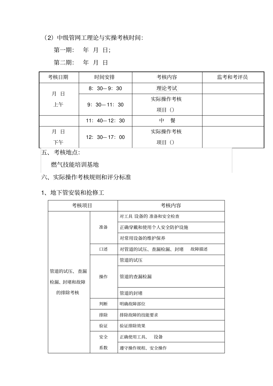
燃气管网工职业技能考核项目及考评方案一、 考核方式考核内容包括理论知识考试和实际操作考试两部分。理论知识成绩占 40%,实际操作成绩占60%。最后由综合成绩评定。二、考核范围1、考核人员范围:申报初、中级管网工经资格审核合格的员工。2、理论知识考试范围:题库中抽取。三、考核内容(一)理论考试部分理论知识考试采用闭卷方式,满分100 分,考试时间 60 分钟。(二)实际操作考试依据各项目的实现操作评分标准。四、考评领导小组1、组长:2、组 员:3、考评员:(1)初级管网工理论与实操考核时间:第一期:年 月 日;第二期:年 月 日考核日期时间安排考核内容和项目监考和考评员月 日上午8:30— 9:30 理论考试9:30— 11:30 实际操作考核项目()11:40— 12:30 中餐月 日下午12:30— 17:00 实际操作考核项目()(2)中级管网工理论与实操考核时间:第一期:年 月 日;第二期:年 月 日考核日期时间安排考核内容监考和考评员月 日上午8:30— 9:30 理论考试9:30— 11:30 实际操作考核项目()11:40— 12:30 中餐月 日下午12:30— 17:00 实际操作考核项目()五、考核地点:燃气技能培训基地六、实际操作考核规则和评分标准1、地下管安装和抢修工考核项目考核内容管道的试压、查漏检漏、封堵和故障的排除考核准备对工具 设备的 准备和安全检查正确穿戴和使用个人安全防护设施对常用设备的维护保养口述对管道的试压、查漏检漏、封堵故障描述操作管道的试压管道的查漏检漏管道的封堵判断明确故障部位排除排除故障的技能要求验证验证排除效果安全系数正确使用工具、设备遵守操作规程、安全操作综合考评准备正确选用工具、穿戴安全防护情况观察常见故障的描述检测遵守操作规程和安全操作状况判断分析排除故障的合理性验证是否符合该岗位的独立操作要求 2 、燃气管道巡检巡护工考核项目考核内容管道及设施的查漏检漏、发现与查处违章考核准备对检漏工具 设备的 准备和完好检查正确穿戴和使用个人安全防护设施对常用检漏设备的使用和维护保养口述对燃气巡检巡护工作要领的描述操作管道的查漏检漏GPS定位和数据采集上报的应用操作识图能力和按图巡检要领判断明确泄漏部位排除处置违章思路安全系数正确使用 常用检漏 仪器和 设备遵守操作规程、安全操作综合考评准备正确选用工具、穿戴安全防护情况观察巡检巡护工作要领是否得当检测遵守操作规程和安全操作状况判断泄漏分析和违章处置的...

1、当您付费下载文档后,您只拥有了使用权限,并不意味着购买了版权,文档只能用于自身使用,不得用于其他商业用途(如 [转卖]进行直接盈利或[编辑后售卖]进行间接盈利)。
2、本站所有内容均由合作方或网友上传,本站不对文档的完整性、权威性及其观点立场正确性做任何保证或承诺!文档内容仅供研究参考,付费前请自行鉴别。
3、如文档内容存在违规,或者侵犯商业秘密、侵犯著作权等,请点击“违规举报”。

碎片内容

燃气管网工职业技能考核项目及考评方案

确认删除?
VIP
微信客服
  • 扫码咨询
会员Q群
  • 会员专属群点击这里加入QQ群
客服邮箱
回到顶部