电脑桌面
添加小米粒文库到电脑桌面
安装后可以在桌面快捷访问

燃气管道焊接工艺卡VIP专享

燃气管道焊接工艺卡_第1页
1/7
燃气管道焊接工艺卡_第2页
2/7
燃气管道焊接工艺卡_第3页
3/7
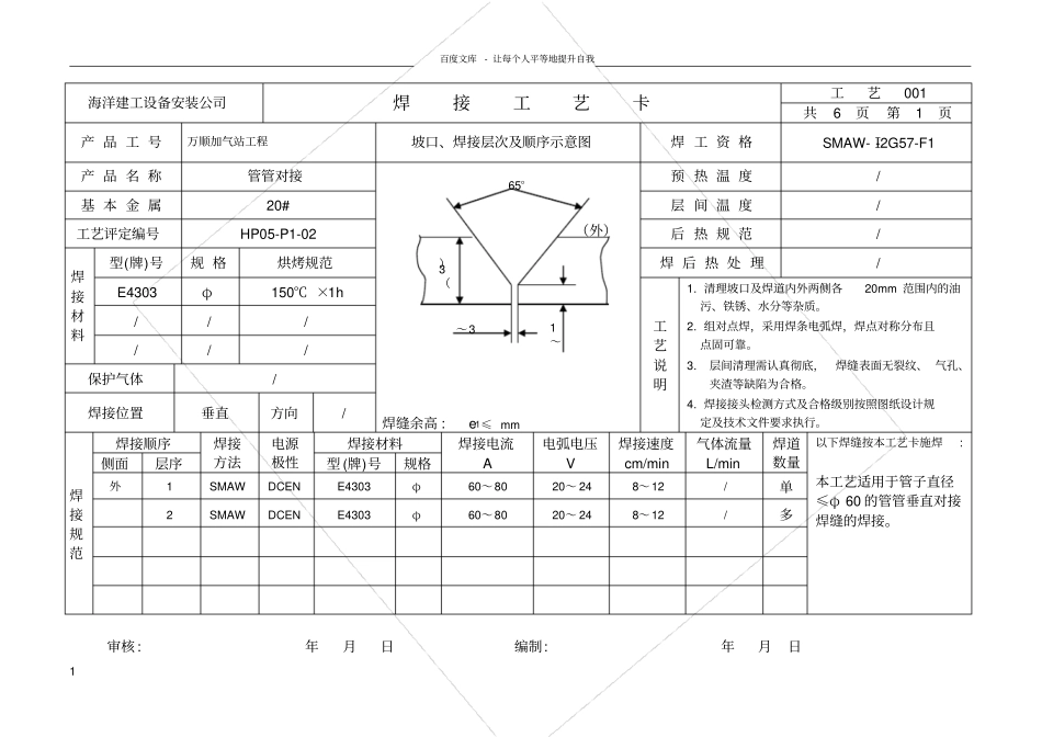
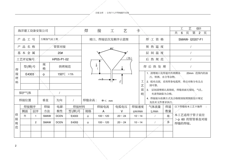
百度文库- 让每个人平等地提升自我1 海洋建工设备安装公司焊接工艺卡工艺001 共6 页第1 页产 品 工 号万顺加气站工程坡口、焊接层次及顺序示意图焊 工 资 格SMAW-Ⅰ-2G57-F1产 品 名 称管管对接(外)焊缝余高 : e1≤ mm预 热 温 度/ 基 本 金 属20# 层 间 温 度/ 工艺评定编号HP05-P1-02 后 热 规 范/ 焊接材料型(牌)号规 格烘烤规范焊 后 热 处 理/ E4303 φ150℃ × 1h 工艺说明1. 清理坡口及焊道内外两侧各20mm 范围内的油污、铁锈、水分等杂质。2. 组对点焊,采用焊条电弧焊,焊点对称分布且点固可靠。3.层间清理需认真彻底,焊缝表面无裂纹、 气孔、夹渣等缺陷为合格。4. 焊接接头检测方式及合格级别按照图纸设计规定及技术文件要求执行。/ / / / / / 保护气体/ 焊接位置垂直方向/ 焊接规范焊接顺序焊接方法电源极性焊接材料焊接电流A 电弧电压V 焊接速度cm/min 气体流量L/min 焊道数量以下焊缝按本工艺卡施焊: 本工艺适用于管子直径≤φ 60 的管管垂直对接焊缝的焊接。侧面层序型 (牌)号规格外1 SMAW DCEN E4303 φ60~80 20~ 24 8~12 / 单2 SMAW DCEN E4303 φ60~80 20~ 24 8~12 / 多审核 : 年月日编制: 年月日(3)~3 65°~1百度文库- 让每个人平等地提升自我2 海洋建工设备安装公司焊接工艺卡工艺001 共6 页第2 页产 品 工 号万顺加气站工程坡口、焊接层次及顺序示意图焊 工 资 格SMAW-Ⅰ-2G57-F1产 品 名 称管管对接(外)焊缝余高 : e1≤ mm预 热 温 度/ 基 本 金 属20# 层 间 温 度/ 工艺评定编号HP05-P1-02 后 热 规 范/ 焊接材料型(牌)号规格烘烤规范焊 后 热 处 理/ E4303 φ150℃ × 1h 工艺说明1. 清理坡口及焊道内外两侧各20mm 范围内的油污、铁锈、水分等杂物。2. 组对点固,采用焊条电弧焊,焊点对称分布且点固可靠。3.层间清理需认真彻底,焊缝表面无裂纹、气孔、夹渣等缺陷为合格。4. 焊接接头检测方式及合格级别按照图纸设计规定及技术文件要求执行。保护气体/ 焊接位置垂直方向/ 焊接规范焊接顺序焊接方法电源极性焊接材料焊接电流A 电弧电压V 焊接速度cm/min 气体流量L/min 焊道数量以下焊缝按本工艺卡施焊: 本工艺适用于管子直径>φ 60 的管管垂直对接焊缝的焊接。侧面层序型 (牌)号规格外1 SMAW DCEN E4303 φ100~120 20~ 24 10~14 / 单2 SM...

1、当您付费下载文档后,您只拥有了使用权限,并不意味着购买了版权,文档只能用于自身使用,不得用于其他商业用途(如 [转卖]进行直接盈利或[编辑后售卖]进行间接盈利)。
2、本站所有内容均由合作方或网友上传,本站不对文档的完整性、权威性及其观点立场正确性做任何保证或承诺!文档内容仅供研究参考,付费前请自行鉴别。
3、如文档内容存在违规,或者侵犯商业秘密、侵犯著作权等,请点击“违规举报”。

碎片内容

燃气管道焊接工艺卡

确认删除?
VIP
微信客服
  • 扫码咨询
会员Q群
  • 会员专属群点击这里加入QQ群
客服邮箱
回到顶部