电脑桌面
添加小米粒文库到电脑桌面
安装后可以在桌面快捷访问

燃煤工业锅炉运行能效快速测试方法

燃煤工业锅炉运行能效快速测试方法_第1页
1/5
燃煤工业锅炉运行能效快速测试方法_第2页
2/5
燃煤工业锅炉运行能效快速测试方法_第3页
3/5
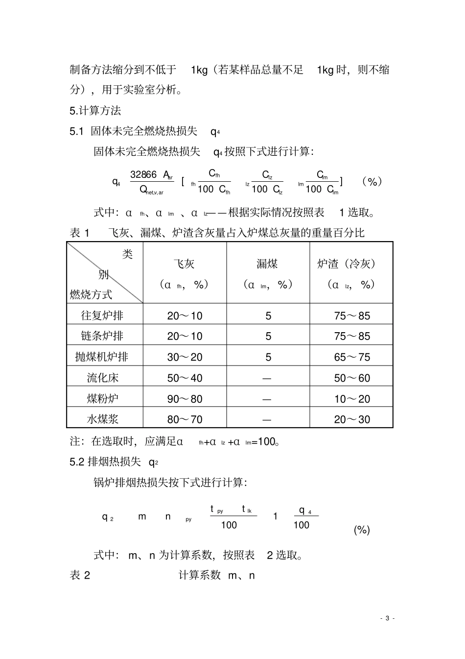
- 1 - 附件 1:燃煤工业锅炉运行能效快速测试方法1.定义与范围在用工业锅炉运行能效快速测试方法,是指在锅炉安全、 稳定运行工况下通过主要参数的简单测试,获得具有一定精度的测试结果,并以此快速判定工业锅炉在实际运行工况下的能效状况。本方法适用于工作压力<3.8MPa 的固定式燃煤蒸汽锅炉及热水锅炉的能效测试。2.测试条件与要求2.1 测试条件(1)测试期间应使用同一品种和质量的燃料;(2)锅炉及辅机应处于安全、热工况稳定的正常运行状态。锅炉热工况稳定是指锅炉出力和主要热力参数平均值已不随时间变化的状态。2.2 测试要求(1)火床燃烧、火室燃烧、流化床燃烧等锅炉的测试时间应不少于 1h ;(2)烟气测试不少于5 次,每次间隔不低于10min;(3)对于排烟温度、 排烟处过量空气系数、排烟处 CO含量按测试数据取算术平均值作为计算数值。3.测试项目本方法的测试项目包括:(1)排烟温度 tpy,℃;(2)排烟处过量空气系数py ;(3)排烟处 CO含量, %(ppm);- 2 - (4)入炉冷空气温度tlk,℃;(5)飞灰可燃物含量fhC ,%;(6)漏煤可燃物含量lmC ,%;(7)炉渣可燃物含量zlC ,%;(8)燃料工业分析(燃料收到基低位发热量Qnet.v.ar,kgkJ/;收到基灰分 Aar,%);(9)测试开始和结束的时间。4.测试方法4.1 烟气测点应接近最后一节受热面,距离不大于1m。4.2 烟气测点应布置在烟道截面上介质温度、浓度比较均匀的位置(大约在烟道直径的1/3 至 1/2 处)。4.3 排烟温度、 CO、过量空气系数用烟气分析仪(tpy精度不低于±3℃、 CO精度不低于±5%)测定。4.4 燃料取样与制备方法(1)煤的取样方法: 小车上取样时, 在小车上距离四角5cm处和中心部位共五点取样;在地面上取样时, 在煤堆四周高于地面 10cm 以上处,取样不得少于5 点;皮带输送机上取样时,应使用铁铲横截煤流, 时间间隔要均匀。 上述取样方法每点或每次取样重量不得少于0.5kg,总量不得少于10kg。(2)煤样的制备方法:将燃煤中提取的煤样破碎并通过13mm 以下分样筛,进行充分搅拌缩分。煤样缩分方法采用堆掺四分法混合缩分,缩分到不小于1kg。缩分后的煤样应放入带盖容器中,用于煤质分析。4.5 飞灰、漏煤、炉渣的取样与制备方法炉渣应在出口处每隔15min 取样一次, 飞灰和漏煤应在烟气分析结束时取样。飞灰、漏煤、炉渣等样品的制备应参照煤样的- 3 - 制备方法缩分到不低于1kg(若某样品总量不足1kg 时,则不缩分...

1、当您付费下载文档后,您只拥有了使用权限,并不意味着购买了版权,文档只能用于自身使用,不得用于其他商业用途(如 [转卖]进行直接盈利或[编辑后售卖]进行间接盈利)。
2、本站所有内容均由合作方或网友上传,本站不对文档的完整性、权威性及其观点立场正确性做任何保证或承诺!文档内容仅供研究参考,付费前请自行鉴别。
3、如文档内容存在违规,或者侵犯商业秘密、侵犯著作权等,请点击“违规举报”。

碎片内容

燃煤工业锅炉运行能效快速测试方法

确认删除?
VIP
微信客服
  • 扫码咨询
会员Q群
  • 会员专属群点击这里加入QQ群
客服邮箱
回到顶部