电脑桌面
添加小米粒文库到电脑桌面
安装后可以在桌面快捷访问

冲渣池施工方案

冲渣池施工方案_第1页
1/20
冲渣池施工方案_第2页
2/20
冲渣池施工方案_第3页
3/20
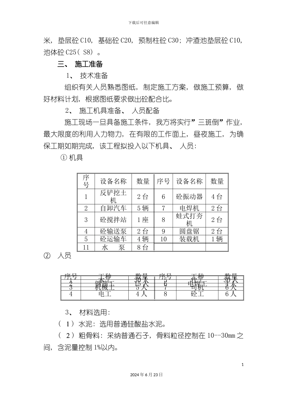
下载后可任意编辑冲渣池施工方案12024 年 6 月 23 日目 录编制依据 1工程概况 1施工准备 1施工方法与要求. 3专项工程施工方法 11质量保证措施 20安全措施 21一、 编制依据1、 施工图纸及现场实际情况。2、 方案中各主要工序遵循以下法律规范: 《GB50202- 》、 《GB50204- 》3、 本工程施工组织总设计。二、 工程概况本工程为高炉冲渣池工程, 场地平均自然地坪标高约为±0.000。基底设计标高最深处为-10.55m, 根据核工业第四勘查院南方分院提供的地质勘查报告显示, 该场地内地下水位较浅, 中风化岩层上有 8—10 米的回填土不等。由栈桥和冲渣池本体两部分组成, 栈桥为杯口基础, 预制柱, 钢吊车梁。基底标高-2。7下载后可任意编辑米, 垫层砼 C10, 基础砼 C20, 预制柱砼 C30; 冲渣池垫层砼 C10, 池体砼 C25( S8) 。三、 施工准备1、 技术准备组织有关人员熟悉图纸, 制定施工方案, 做施工预算, 做好材料计划, 根据图纸要求做出砼配合比。2、 施工机具准备、 人员配备施工现场一旦具备施工条件, 我方将实行”三班倒”作业, 最大限度的利用人力物力, 在有限的工作面上, 昼夜施工, 为确保工期如期完成, 该工程拟投入以下机具、 人员: ① 机具序号设备名称数量序号设备名称数量1反铲挖土机2 台6砼振动器4 台2自卸汽车5 辆7电焊机2 台3砼搅拌站1 座8蛙式打夯机2 台4砼输送泵2 台9圆盘锯2 台5砼运输车4 辆10装载机1 辆11水 泵8 台② 人员3、 材料选用: ( 1) 水泥: 选用普通硅酸盐水泥。( 2) 粗骨料: 采纳普通石子, 骨料粒径控制在 10--30mm 之间, 含泥量控制 1%以内。12024 年 6 月 23 日序号工种数量序号工种数量1木工30 人5壮工30 人2钢筋工15 人6电焊工4 人3机械工5 人7司机6 人4电工4 人8砼工6 人下载后可任意编辑( 3) 细骨料: 采纳中粗砂, 细度模数为 2.8--3.00 之间, 平均粒径 0.381, 砂子的含泥量控制在 1%以内, 并不得含有有机质等杂物。4、 现场准备 根据图纸及地质情况放出挖土边线, 做好运输用的临时道路、 场地内排水等工作。四、 施工方法与要求.主要施工顺序: 土方开挖( 基坑排水) →垫层施工→柱预制→基础施工→养护、 拆模→土方回填→预制柱吊装( 一) 、 土方开挖 按法律规范要求放出基础开挖边线, 即用反铲挖掘机进行整体开挖, 自卸汽车运出场外。因该工程地下水位较高, 基础埋深较深, 因此在基坑的...

1、当您付费下载文档后,您只拥有了使用权限,并不意味着购买了版权,文档只能用于自身使用,不得用于其他商业用途(如 [转卖]进行直接盈利或[编辑后售卖]进行间接盈利)。
2、本站所有内容均由合作方或网友上传,本站不对文档的完整性、权威性及其观点立场正确性做任何保证或承诺!文档内容仅供研究参考,付费前请自行鉴别。
3、如文档内容存在违规,或者侵犯商业秘密、侵犯著作权等,请点击“违规举报”。

碎片内容

冲渣池施工方案

您可能关注的文档

确认删除?
VIP
微信客服
  • 扫码咨询
会员Q群
  • 会员专属群点击这里加入QQ群
客服邮箱
回到顶部