电脑桌面
添加小米粒文库到电脑桌面
安装后可以在桌面快捷访问

关于做好2010年国家助学贷款申请工作的通知VIP免费

关于做好2010年国家助学贷款申请工作的通知_第1页
1/7
关于做好2010年国家助学贷款申请工作的通知_第2页
2/7
关于做好2010年国家助学贷款申请工作的通知_第3页
3/7
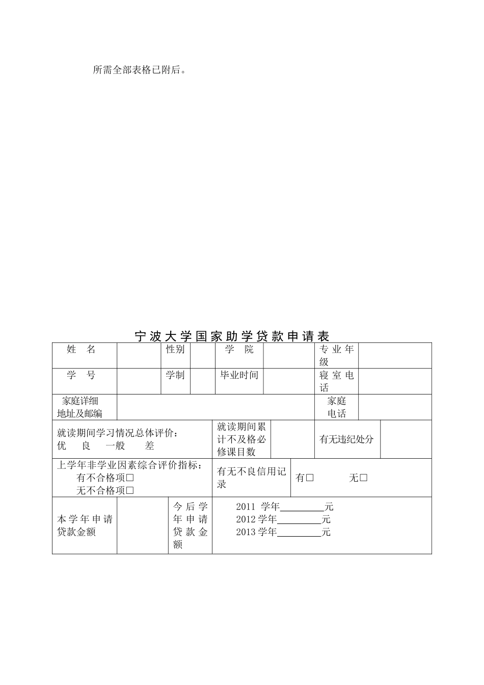
关于做好2010年国家助学贷款申请工作的通知经与贷款经办银行联系和商议,2010年我校就学地国家助学贷款申请工作将于5月份进行,对于上一年获得各类奖助学金总额超过6000元以上的,建议2010年不申请贷款。能申请生源地贷款的学生,尽量鼓励其申请生源地贷款。2010年国家助学贷款申请的条件和所需材料如下:1、贷款基本条件(1)具有完全民事行为能力;(2)已建档的家庭经济困难本、专科学生;家庭经济特别困难的已建档自筹经费研究生;(3)遵守国家法律、法规和学校规章制度,本、专科学生上学年非学业因素评价中无不合格指标,且无缴费、还款违约记录;研究生上学年无违纪违约记录;(4)学习认真,成绩优良,本、专科学生就读期间累计不及格必修课程不超过1门;研究生就读期间无不及格课程;(5)符合国家助学贷款经办银行要求的其他条件。2、贷款申请时间老生于5月份递交申请材料;2010级新生于开学建档后申请。3、贷款申请材料(1)往年未签定一次申请、分期发放贷款合同的老生和首次申请国家助学贷款的老生请递交以下申请贷款所需材料(所有表格附后):《宁波大学国家助学贷款申请表》;学院教务办盖章的历年学习成绩总表和学院盖章的上学年非学业因素总评成绩汇总表;《宁波大学学生及家庭情况调查表》(乡镇或街道以上盖章证明有效);家长签名同意贷款并承诺按期归还本息的告家长书回执单;父母双方身份证复印件正反面和学生本人的身份证正反面、学生证复印件;近期(三个月内)家庭固定电话的话费单一张;以上材料粘贴在A4纸上。经办银行要求的其他相关材料。所有材料统一成册。(2)已于往年签定一次申请、分期放贷的贷款合同的学生,若没有要求终止贷款发放的,需递交《宁波大学学生国家助学贷款续放表》一份、学院教务办盖章的历年学习成绩总表和学院盖章的上学年非学业因素总评成绩汇总表各一份。(3)已于往年签定一次申请、分期放贷的贷款合同的学生,若要求终止发放2010年国家助学贷款的,以及因学习成绩或非学业因素或违纪处分等原因必须终止本学年贷款的,需于5月15日前向学院递交《宁波大学学生国家助学贷款终止申请表》。4、贷款审批(1)学院对学生的填写内容以及有关证明材料进行审核,结合学生实际表现在申请表上签署意见并加盖学院公章,确定通过贷款初审学生名单并予公示,公示无异议的申请材料移交学生资助中心;(2)学生资助中心对各学院上交的申请贷款材料进行汇总与复查,并将合格材料交经办银行审批。(3)贷款所需递交的材料以及各学院贷款汇总名单(书面盖章以及电子邮件)请于5月20日前统一交学生资助中心。5、其他所需全部表格已附后。宁波大学国家助学贷款申请表姓名性别学院专业年级学号学制毕业时间寝室电话家庭详细地址及邮编家庭电话就读期间学习情况总体评价:优良一般差就读期间累计不及格必修课目数有无违纪处分上学年非学业因素综合评价指标:有不合格项□无不合格项□有无不良信用记录有□无□本学年申请贷款金额今后学年申请贷款金额2011学年元2012学年元2013学年元申请理由学院审核意见:盖章年月日学校学生资助中心意见:盖章年月日银行审批意见:盖章年月日申请材料:1)历年学习成绩总表(学院教务办盖章)和上学年/学期非学业因素综合评价表(学院盖章),新生交录取通知书复印件;2)《宁波大学学生家庭情况调查表》(乡镇街道以上盖章证明)原件;3)家长签名同意贷款并按期归还本息的告家长书回执单;4)家庭或保证可联系到的固定电话近期话费单原件;5)父母双方身份证正反面复印件及学生本人身份证正反面、学生证复印件。〈每位学生的申请材料务必按所标顺序用A4纸装订。〉宁波大学学生及家庭情况调查表学院:专业:年级:学号:学生本人基本情况姓名性别出生年月民族身份证号码政治面貌入学前户口□城镇□农村家庭人口数毕业学校个人特长孤残□是□否单亲□是□否烈士子女□是□否家庭通讯信息详细通讯地址邮政编码联系电话(区号)-家庭成员情况姓名年龄与学生关系工作(学习)单位职业年收入(元)健康状况影响家庭经济状况有关信息家庭人均年收入(元)。学生本学年已获资助(含奖学金)情况。家庭遭受自然灾害情况:。...

1、当您付费下载文档后,您只拥有了使用权限,并不意味着购买了版权,文档只能用于自身使用,不得用于其他商业用途(如 [转卖]进行直接盈利或[编辑后售卖]进行间接盈利)。
2、本站所有内容均由合作方或网友上传,本站不对文档的完整性、权威性及其观点立场正确性做任何保证或承诺!文档内容仅供研究参考,付费前请自行鉴别。
3、如文档内容存在违规,或者侵犯商业秘密、侵犯著作权等,请点击“违规举报”。

碎片内容

关于做好2010年国家助学贷款申请工作的通知

文章天下+ 关注
实名认证
内容提供者

各种文档应有尽有

确认删除?
VIP
微信客服
  • 扫码咨询
会员Q群
  • 会员专属群点击这里加入QQ群
客服邮箱
回到顶部