电脑桌面
添加小米粒文库到电脑桌面
安装后可以在桌面快捷访问

砌石工程报验申请表模板

砌石工程报验申请表模板_第1页
1/78
砌石工程报验申请表模板_第2页
2/78
砌石工程报验申请表模板_第3页
3/78
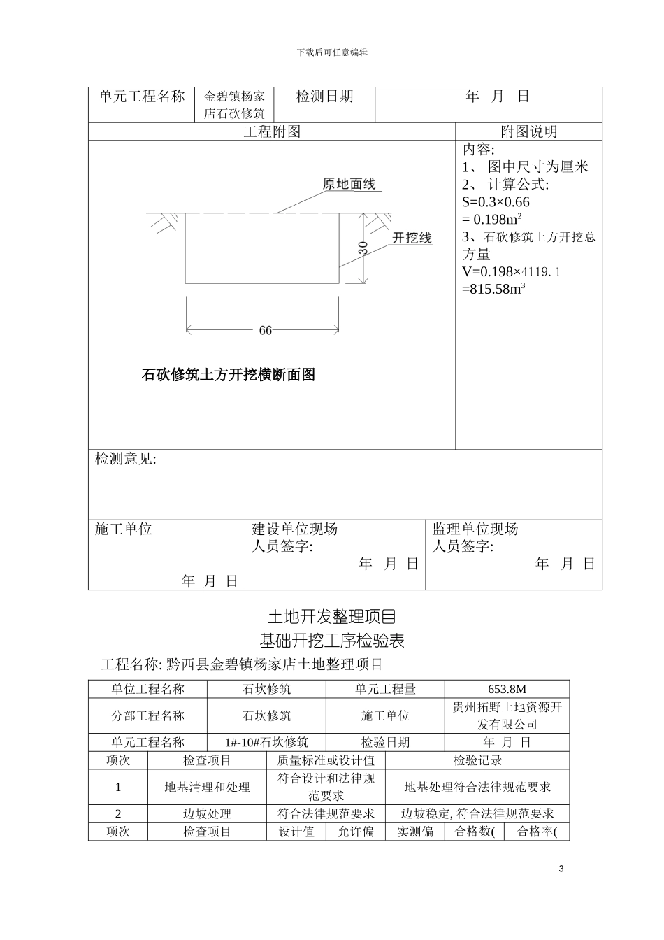
下载后可任意编辑砌石工程报验申请表1下载后可任意编辑挡土墙修筑工程报验申请表工程名称: 威宁县兔街乡高原村妥那一土地整理项目 致: 贵州富有监理咨询有限公司 我单位已完成了 浆砌石挡土墙修筑 , 现上报 该工程报验申请表, 请予审查和验收。附件: 1、 放线记录 2、 各段面积计算表 3、 各段体积计算表施工单位: 项目经理: 日 期: 年 月 日审查意见: 项目监理机构: 总/专业监理工程师: 日 期: 年 月 日土地开发整理项目基础开挖工序检验表工程名称: 威宁县兔街乡高原村妥那一土地整理项目单位工程名称石砍修筑单元工程量1#至 63#坎, 总长度: 4119.1 米分部工程名称石砍修筑土方开挖施工单位贵州拓野土地资源开发有限公司2下载后可任意编辑单元工程名称金碧镇杨家店石砍修筑检测日期 年 月 日工程附图附图说明 石砍修筑土方开挖横断面图内容: 1、 图中尺寸为厘米2、 计算公式: S=0.3×0.66= 0.198m23、石砍修筑土方开挖总方量V=0.198×4119.1 =815.58m3检测意见: 施工单位年 月 日建设单位现场人员签字:年 月 日监理单位现场人员签字:年 月 日土地开发整理项目基础开挖工序检验表工程名称: 黔西县金碧镇杨家店土地整理项目单位工程名称石坎修筑单元工程量653.8M分部工程名称石坎修筑施工单位贵州拓野土地资源开发有限公司单元工程名称1#-10#石坎修筑检验日期年 月 日项次检查项目质量标准或设计值检验记录1地基清理和处理符合设计和法律规范要求地基处理符合法律规范要求2边坡处理符合法律规范要求边坡稳定, 符合法律规范要求项次检查项目设计值允许偏实测偏合格数( 合格率( 3下载后可任意编辑1差( mm) 差点) %) 坑( 槽) 长或宽5 米以内+20 -1010 9 -7 -5 -11 -8 -5 -6 8 139905~10 米+30 -2010~15 米+40 -3015 米以上+50 -30 2底部标高+10 -53 5 8 -2 -4 7 6 9 11 -1990检测结果共检测 20 点, 其中合格 18 点, 合格率 90%评定意见工序质量等级施工单位年 月 日监理单位年 月 日4下载后可任意编辑土地开发整理项目基础开挖工序检验表工程名称: 威宁县兔街乡高原村妥那一土地整理项目单位工程名称石坎修筑单元工程量944.2M分部工程名称石坎修筑施工单位贵州拓野土地资源开发有限公司单元工程名称11#-20#石坎修筑检验日期年 月 日项次检查项目质量标准或设计值检验记录1地基清理和处理符合设计和法律规范要求地基处理符合法律规范要求2边...

1、当您付费下载文档后,您只拥有了使用权限,并不意味着购买了版权,文档只能用于自身使用,不得用于其他商业用途(如 [转卖]进行直接盈利或[编辑后售卖]进行间接盈利)。
2、本站所有内容均由合作方或网友上传,本站不对文档的完整性、权威性及其观点立场正确性做任何保证或承诺!文档内容仅供研究参考,付费前请自行鉴别。
3、如文档内容存在违规,或者侵犯商业秘密、侵犯著作权等,请点击“违规举报”。

碎片内容

砌石工程报验申请表模板

您可能关注的文档

确认删除?
VIP
微信客服
  • 扫码咨询
会员Q群
  • 会员专属群点击这里加入QQ群
客服邮箱
回到顶部