电脑桌面
添加小米粒文库到电脑桌面
安装后可以在桌面快捷访问

计算机控制技术实训报告

计算机控制技术实训报告_第1页
1/7
计算机控制技术实训报告_第2页
2/7
计算机控制技术实训报告_第3页
3/7
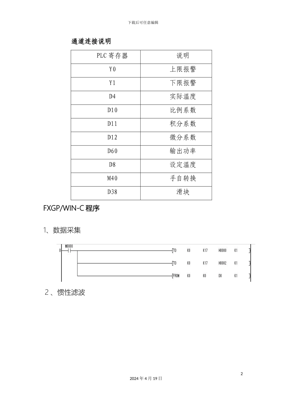
下载后可任意编辑计算机控制技术实训报告12024 年 4 月 19 日下载后可任意编辑通道连接说明PLC 寄存器说明Y0上限报警Y1下限报警D4实际温度D10比例系数D11积分系数D12微分系数D60输出功率D8设定温度M40手自转换D38滑块FXGP/WIN-C 程序1、数据采集2、惯性滤波22024 年 4 月 19 日下载后可任意编辑3、标度变换4、50 度前全功率加温5、手动控制6、比例环节32024 年 4 月 19 日下载后可任意编辑7、积分环节8、微分环节9、求和10、控制范围42024 年 4 月 19 日下载后可任意编辑11、上下限报警12、数据输出MCGS 画面介绍52024 年 4 月 19 日下载后可任意编辑实验数据上限温度82下限温度78设定温度80比例系数27积分系数2微分系数1参考文献1、《可编程控制器原理及应用(三菱机型)》高勤主编,北京电子工业出版社 .82、《计算机控制技术》(第 2 版)愈光昀主编,北京电子工62024 年 4 月 19 日下载后可任意编辑业出版社 .33、《计算机监控系统的设计与调试—组态控制技术》(第 2版)袁秀英 石梅香主编北京电子工业出版社 .172024 年 4 月 19 日

1、当您付费下载文档后,您只拥有了使用权限,并不意味着购买了版权,文档只能用于自身使用,不得用于其他商业用途(如 [转卖]进行直接盈利或[编辑后售卖]进行间接盈利)。
2、本站所有内容均由合作方或网友上传,本站不对文档的完整性、权威性及其观点立场正确性做任何保证或承诺!文档内容仅供研究参考,付费前请自行鉴别。
3、如文档内容存在违规,或者侵犯商业秘密、侵犯著作权等,请点击“违规举报”。

碎片内容

计算机控制技术实训报告

您可能关注的文档

确认删除?
VIP
微信客服
  • 扫码咨询
会员Q群
  • 会员专属群点击这里加入QQ群
客服邮箱
回到顶部