电脑桌面
添加小米粒文库到电脑桌面
安装后可以在桌面快捷访问

质检安全操作规程模板

质检安全操作规程模板_第1页
1/82
质检安全操作规程模板_第2页
2/82
质检安全操作规程模板_第3页
3/82
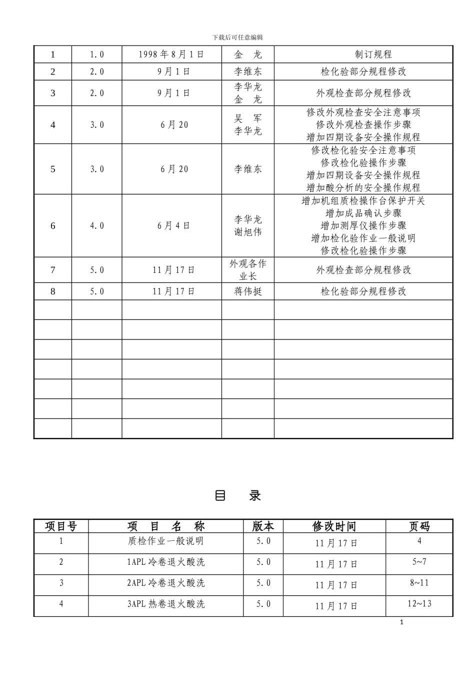
下载后可任意编辑质检安全操作规程1受控标识内部文件注意保密使用部门宁波宝新不锈钢有限公司技术文件编号: JSZJAZJ 版次: 5.0 批准: 潘世华质检安全操作规程拟稿: 谢旭伟 日期: 11 月 17 日审核: 吴 军 日期: 11 月 28 日 02 月 26 日 发布 02 月 26 日 实施序号版本修改时间修改人主要修改内容下载后可任意编辑11.01998 年 8 月 1 日金 龙制订规程22.0 9 月 1 日李维东检化验部分规程修改32.0 9 月 1 日李华龙金 龙外观检查部分规程修改43.0 6 月 20吴 军李华龙修改外观检查安全注意事项修改外观检查操作步骤增加四期设备安全操作规程53.0 6 月 20李维东修改检化验安全注意事项修改检化验操作步骤增加四期设备安全操作规程增加酸分析的安全操作规程64.0 6 月 4 日李华龙谢旭伟增加机组质检操作台保护开关增加成品确认步骤增加测厚仪操作步骤增加检化验作业一般说明修改检化验操作步骤75.0 11 月 17 日外观各作业长外观检查部分规程修改85.0 11 月 17 日蒋伟挺检化验部分规程修改目 录项目号项 目 名 称版本修改时间页码1质检作业一般说明5.0 11 月 17 日421APL 冷卷退火酸洗5.0 11 月 17 日5~732APL 冷卷退火酸洗5.0 11 月 17 日8~1143APL 热卷退火酸洗5.0 11 月 17 日12~131下载后可任意编辑54APL 热卷退火酸洗5.0 11 月 17 日14~166BAL 光亮退火5.0 11 月 17 日17~197CTL 切板出厂5.0 11 月 17 日20~238STL 分卷出厂5.0 11 月 17 日24~2791TLL 分卷出厂5.0 11 月 17 日28~31102TLL 分卷出厂5.0 11 月 17 日32~35111RCL 分卷出厂5.0 11 月 17 日36~39122RCL 分卷出厂5.0 11 月 17 日40~4313检化验作业一般说明5.0 11 月 17 日4414Q11-3*1200 剪板机5.0 11 月 17 日4515XA5032 铣床5.0 11 月 17 日46~4716DCM-20A 手动切割机5.0 11 月 17 日4817DCM20D 自动切割机5.0 11 月 17 日4918HK40.24 电热炉5.0 11 月 17 日5019ZGD-1 加热炉5.0 11 月 17 日5120台式砂轮机5.0 11 月 17 日5221RZ50 冲床5.0 11 月 17 日5322SBC-2 试样表面处理机5.0 11 月 17 日54目 录项目号项 目 名 称版本修改时间页码23YYJ-40 半自动压样机5.0 11 月 17 日5524ZM2 振动磨5.0 11 月 17 日5625HMST 1400S 冲床5.0 11 月 17 日5726QC12Y-12*2500 液压剪5.0 11 ...

1、当您付费下载文档后,您只拥有了使用权限,并不意味着购买了版权,文档只能用于自身使用,不得用于其他商业用途(如 [转卖]进行直接盈利或[编辑后售卖]进行间接盈利)。
2、本站所有内容均由合作方或网友上传,本站不对文档的完整性、权威性及其观点立场正确性做任何保证或承诺!文档内容仅供研究参考,付费前请自行鉴别。
3、如文档内容存在违规,或者侵犯商业秘密、侵犯著作权等,请点击“违规举报”。

碎片内容

质检安全操作规程模板

您可能关注的文档

确认删除?
VIP
微信客服
  • 扫码咨询
会员Q群
  • 会员专属群点击这里加入QQ群
客服邮箱
回到顶部