电脑桌面
添加小米粒文库到电脑桌面
安装后可以在桌面快捷访问

固晶检验标准

固晶检验标准_第1页
1/7
固晶检验标准_第2页
2/7
固晶检验标准_第3页
3/7
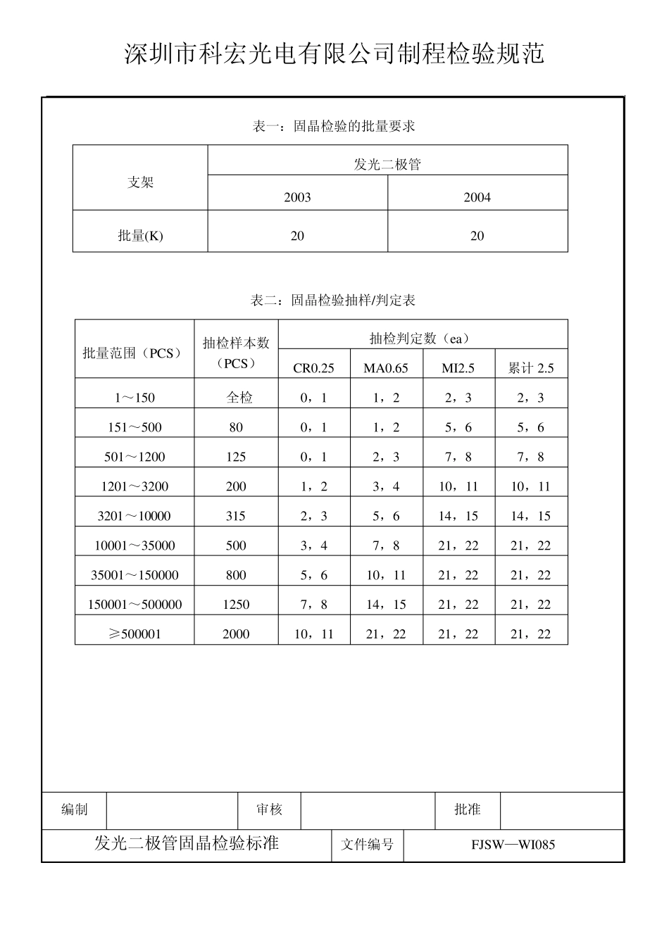
深圳市科宏光电有限公司制程检验规范 发光二极管固晶检验标准 文件编号 FJSW —W I085 版本/版次 A/0 页次 5-1 1.适用范围: 本标准适用于发光二极管固晶工序的检验。 2.检验项目: 资料检验、外观检验两大类共 27 个项目。其中,资料检验全检,外观检验的混料、漏固两 个项目全检,其它项目抽检。全检采用目测方式,抽检在显微镜下进行。 3.设备、仪器及工具: 显微镜、镊子、针笔 4.检验规则: 4.1 批的组成:由同一作业员在同一班次所作业的同一机种、同一批号,并按规定数量(具体 规定见表一(《固晶检验的批量要求》)放置于同一转料盘中的材料,即可组成一个检验批。 由同一作业员作业的每个班次的最后一盘或每个批号的最后一盘如数量不够规定要求,也 可组成一个检验批。 4.2 检验顺序:先全检项目,后抽检项目。 4.3 抽样:抽检项目根据《固晶检验抽样/判定表》(表二)抽样。 4.4 检查:将待检材料按检验规格进行检查,并分别累计全检部分和抽检部分各类不合格品 的数量以作为判定依据,不合格品以晶粒为计数单位,一个晶粒同时有几种不合格,仍 记为一个不合格品。检验材料的不合格品由 QC 退回作业员返修。 4.5 判定:同一检验批的全检部分和抽检部分根据检查结果与《固晶检验抽样/判定表》(表二) 分别进行判定,只有某个检验批的全检部分和抽检部分均判为合格时,该批才能判为合格, 否则,为不合格。 5.允收水准: 致命缺陷 CR:0.25 主要缺陷 MA:0.65 次要缺陷 MI:2.5 深圳市科宏光电有限公司制程检验规范 编制 审核 批准 发光二极管固晶检验标准 文件编号 FJSW —W I085 版本/版次 A/0 页次 5-2 深圳市科宏光电有限公司制程检验规范 表一:固晶检验的批量要求 支架 发光二极管 2003 2004 批量(K) 20 20 表二:固晶检验抽样/判定表 批量范围(PCS) 抽检样本数(PCS) 抽检判定数(ea) CR0.25 MA0.65 MI2.5 累计2.5 1~150 全检 0,1 1,2 2,3 2,3 151~500 80 0,1 1,2 5,6 5,6 501~1200 125 0,1 2,3 7,8 7,8 1201~3200 200 1,2 3,4 10,11 10,11 3201~10000 315 2,3 5,6 14,15 14,15 10001~35000 500 3,4 7,8 21,22 21,22 35001~150000 800 5,6 10,11 21,22 21,22 150001~500000 1250 7,8 14,15 21,22 21,22 ≥500001 2000 10,11 21,22 21,22...

1、当您付费下载文档后,您只拥有了使用权限,并不意味着购买了版权,文档只能用于自身使用,不得用于其他商业用途(如 [转卖]进行直接盈利或[编辑后售卖]进行间接盈利)。
2、本站所有内容均由合作方或网友上传,本站不对文档的完整性、权威性及其观点立场正确性做任何保证或承诺!文档内容仅供研究参考,付费前请自行鉴别。
3、如文档内容存在违规,或者侵犯商业秘密、侵犯著作权等,请点击“违规举报”。

碎片内容

固晶检验标准

您可能关注的文档

确认删除?
VIP
微信客服
  • 扫码咨询
会员Q群
  • 会员专属群点击这里加入QQ群
客服邮箱
回到顶部