电脑桌面
添加小米粒文库到电脑桌面
安装后可以在桌面快捷访问

国家电网公司输变电工程典型设计35kV变电站分册B3方案

国家电网公司输变电工程典型设计35kV变电站分册B3方案_第1页
1/47
国家电网公司输变电工程典型设计35kV变电站分册B3方案_第2页
2/47
国家电网公司输变电工程典型设计35kV变电站分册B3方案_第3页
3/47
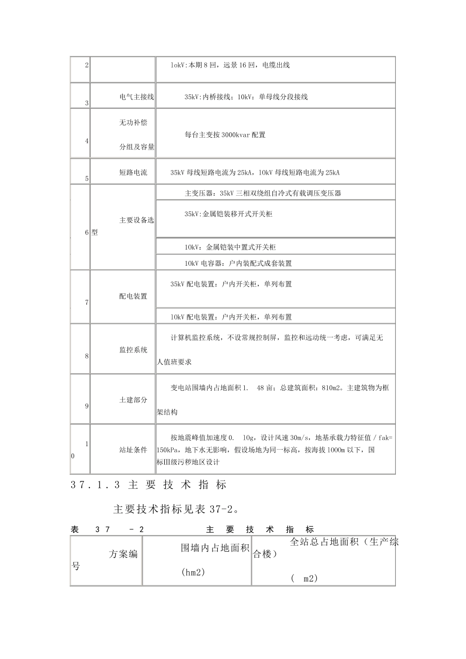
3 7 . 1 总的部分 本典型设计为国家电网公司35kV 变电站典型设计户内站设计部分,方案编号为B-3。 变电站为全户内无人值班变电站,电缆进出线。35kV 选用金属铠装移开式开关柜,户内单列布置;主变压器采用2 台容量为20MVA 三相双绕组自冷式有载调压变压器,户内布置;10kV配电装置选用金属铠装中置式开关柜,户内单列布置;每台主变压器配置一组容量为3MVA 无功补偿并联电容器组,户内布置组合成的方案。 37.1.1 本典型设计的适用场合 (1)规划为末端负荷变电站,远景进线2 回,且无穿越功率。 (2)进出线均为电缆且电缆出线多的项目。 (3)负荷密度高、用地紧张、环境要求高的城市地区。 37.1.2 对设计方案组合的说明 35kV 变电站典型设计户内站方案B-3 技术组合一览表见表37 -1。 表37 -1 35kV变电站典型设计户内站方案B-3技术组合一览表 序号 项目名称 方案编号 B-3 1 主变压器 台数及容量 本期:1×20MV 远景:2×20MVA 出线规模 35kV:2 回,一次建成,电缆进线 2 lokV:本 期 8 回 , 远 景 16 回 , 电 缆 出 线 3 电 气 主 接 线 35kV:内 桥 接 线 ; 10kV: 单 母 线 分 段 接 线 4 无 功 补 偿 分 组 及 容 量 每 台 主 变 按 3000kvar 配 置 5 短 路 电 流 35kV 母 线 短 路 电 流 为 25kA, lOkV 母 线 短 路 电 流 为 25kA 主 变 压 器 : 35kV 三 相 双 绕 组 自 冷 式 有 载 调 压 变 压 器 6 主 要 设 备 选型 35kV:金 属 铠 装 移 开 式 开 关 柜 1OkV: 金 属 铠 装 中 置 式 开 关 柜 1OkV 电 容 器 : 户 内 装 配 式 成 套 装 置 7 配 电 装 置 35kV 配 电 装 置 : 户 内 开 关 柜 , 单 列 布 置 lOkV 配 电 装 置 : 户 内 开 关 柜 , 单 列 布 置 8 监 控 系 统 计 算 机 监 控 系 统 , 不 设 常 规 控 制 屏 , 监 控 和 远 动 统 一 考 虑 , 可 满 足 无 人 值 班 要 求 9 土 建 部 分 变 电 站 围 墙 内 占 地 面 积 1. 48 亩 ; 总 建 筑 面 积 : 810m2。 主 建 筑 物 为 框 架 结 构 10 站 址 条 件 按 地 震 峰 值 加 速 度 0. lOg, 设 计 风 速 30m/s, 地 基 承 载 力 特 征...

1、当您付费下载文档后,您只拥有了使用权限,并不意味着购买了版权,文档只能用于自身使用,不得用于其他商业用途(如 [转卖]进行直接盈利或[编辑后售卖]进行间接盈利)。
2、本站所有内容均由合作方或网友上传,本站不对文档的完整性、权威性及其观点立场正确性做任何保证或承诺!文档内容仅供研究参考,付费前请自行鉴别。
3、如文档内容存在违规,或者侵犯商业秘密、侵犯著作权等,请点击“违规举报”。

碎片内容

国家电网公司输变电工程典型设计35kV变电站分册B3方案

您可能关注的文档

确认删除?
VIP
微信客服
  • 扫码咨询
会员Q群
  • 会员专属群点击这里加入QQ群
客服邮箱
回到顶部