电脑桌面
添加小米粒文库到电脑桌面
安装后可以在桌面快捷访问

XX系统基线检查报告(模板)

XX系统基线检查报告(模板)_第1页
1/7
XX系统基线检查报告(模板)_第2页
2/7
XX系统基线检查报告(模板)_第3页
3/7
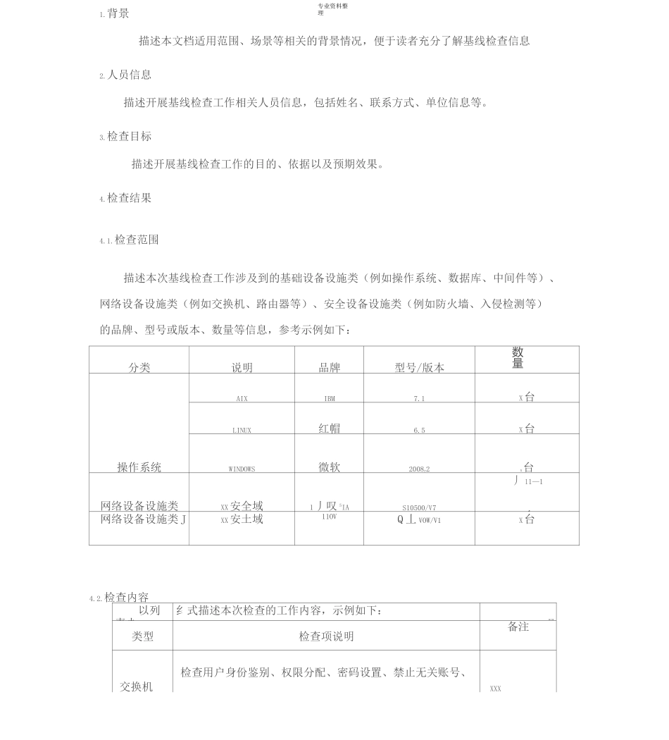
专业资料整理XX系统基线检查报告XX部门20XX年 X月4.检查结围.检查4.14.24.34.44.5专业资料整理容检..查..内析.总.4.3.1.4.3.2.析.4.4.1.4.4.2.析.4.5.14.5.24.5.3项.总.项.析.析.析.网络设备检查结果网络设备检查结果网络设备检查不合安全设备检查结果安全设备检查结果安全设备检查不合基础软件检查结果操作系统检查结果数据库检查结果中间件检查结果11122223333331.2.人员信息 13.检查目标 1景.专业资料整理1.背景描述本文档适用范围、场景等相关的背景情况,便于读者充分了解基线检查信息2.人员信息描述开展基线检查工作相关人员信息,包括姓名、联系方式、单位信息等。3.检查目标描述开展基线检查工作的目的、依据以及预期效果。4.检查结果4.1.检查范围描述本次基线检查工作涉及到的基础设备设施类(例如操作系统、数据库、中间件等)、网络设备设施类(例如交换机、路由器等)、安全设备设施类(例如防火墙、入侵检测等)的品牌、型号或版本、数量等信息,参考示例如下:分类说明品牌型号/版本数量操作系统AIXIBM7.1X台LINUX红帽6.5X台WINDOWS微软2008r2x台网络设备设施类XX安全域1丿叹 5IAS10500/V7丿 11—1X台网络设备设施类 JXX安土域11OVQ 丄 VOW/V1X台4.2.检查内容以列表扌纟式描述本次检查的工作内容,示例如下:■々■类型检查项说明备注交换机检查用户身份鉴别、权限分配、密码设置、禁止无关账号、XXX专业资料整理操作系统志审计 XXX等内容检杳是否配置用户身份鉴别、建立分组、用户密码、删除XXX专业资料整理XXXXXXXXX4.3.网络设备检查结果分析4・3・1・网络设备检查结果汇总描述本次基线检查中针对网络设备类检查项总数、合规数、不合规数、人工确认项、检查失败数以及合规律情况,参考示例如下:交换机基线检查结果汇总任务名称XXX交换机安全配置核杳信息检查数量x台合规率XX%检查项情况总数:XX;合规项:XX;不合规项:XX;人工确认数:XX备注XXXXXX4.3.2.网络设备检查不合规项针对检查发现的不合规项,分类逐项描述不合规名称、不合规原因以及关联的操作系统IP信息,参考示例如下:类别编号不合规项名称不合规原因不合规主机口令策略SW-1用户口令强度要求未设置 XXXX未满足X.X.X.X系统服务SW-2远程维护安全要求入入入入未设置 XXXXX.X.X.X••••■未满足 XXXX••■4.4.安全设备检查结果分析安全设备检查结果分析参考上述网络设备类进行描述专业资料整理4.4.1.安全设备检查结果汇总描述本次基线检查中针对安全设...

1、当您付费下载文档后,您只拥有了使用权限,并不意味着购买了版权,文档只能用于自身使用,不得用于其他商业用途(如 [转卖]进行直接盈利或[编辑后售卖]进行间接盈利)。
2、本站所有内容均由合作方或网友上传,本站不对文档的完整性、权威性及其观点立场正确性做任何保证或承诺!文档内容仅供研究参考,付费前请自行鉴别。
3、如文档内容存在违规,或者侵犯商业秘密、侵犯著作权等,请点击“违规举报”。

碎片内容

XX系统基线检查报告(模板)

确认删除?
VIP
微信客服
  • 扫码咨询
会员Q群
  • 会员专属群点击这里加入QQ群
客服邮箱
回到顶部