电脑桌面
添加小米粒文库到电脑桌面
安装后可以在桌面快捷访问

物料名称标准规范

物料名称标准规范_第1页
1/28
物料名称标准规范_第2页
2/28
物料名称标准规范_第3页
3/28
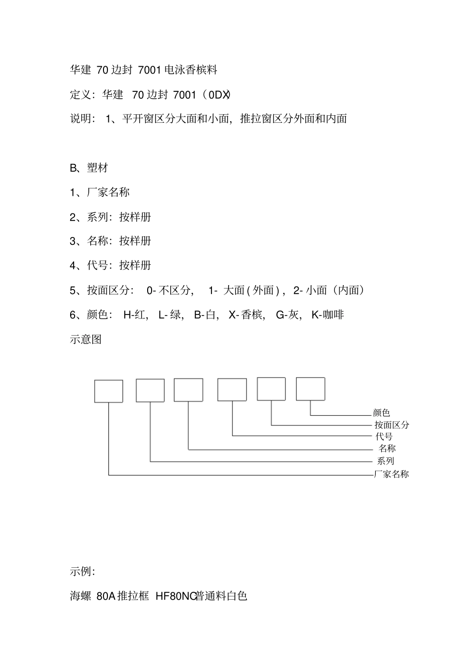
物料命名规范为完善我公司物料管理,实现物料管理的标准化和规范化,特制订《物料标准命名规范》--- (以下简称 : 规范)。本规范主要用于华玻科技股份有限公司门窗幕墙事业部物料名称的定义。本规范只针对常用材料进行了命名,对非常用材料在使用时需命名添加。标准命名的类型:一、门窗类1、型材类2、五金类3、胶类4、胶条类5、6、附件类二、幕墙类1、石材2、铝塑板3、铝板Ⅰ、型材类命名标准:门窗类一、型材类A、铝材1、厂家名称:2、系列:按样册3、名称:按样册4、代号:按样册5、按面区分: 0- 不区分, 1- 大面 ( 外面 ) ,2- 小面(内面)6、表面处理: Y-氧化白, D-电泳, F-粉末喷涂, T- 氟碳喷涂7、颜色: H-红, L- 绿, B-白, X-香槟, G-灰, K-咖啡8、表面样式 M- 麻面, G-光面示意图厂家名称系列名称代号颜色按面区分表面处理表面样式华建 GR63边框 GR6301(大面氟碳喷涂灰色麻面- 小面粉末喷涂白色光面)定义:华建GR63边框 GR6301(1THM-2FWG)华建 70 边封 7001 电泳香槟料定义:华建70 边封 7001(0DX)说明: 1、平开窗区分大面和小面,推拉窗区分外面和内面B、塑材1、厂家名称2、系列:按样册3、名称:按样册4、代号:按样册5、按面区分: 0- 不区分, 1- 大面 ( 外面 ) ,2- 小面(内面)6、颜色: H-红, L- 绿, B-白, X-香槟, G-灰, K-咖啡示意图厂家名称系列名称代号颜色按面区分示例:海螺 80A推拉框 HF80NC普通料白色定义:海螺80A推拉框 HF80NC (0B)海螺 80A推拉框 HF80NC双色共挤外绿内灰定义:海螺80A推拉框 HF80NC(1H-2G)说明:1、平开窗区分大面和小面,推拉窗区分外面和内面C、钢衬1、类型1)热镀锌钢衬( RD)2)冷镀锌钢衬( LD)3)防锈漆钢衬( QD)2、形状1)U型:底×高2)L 型:3)口型示意图命名类型形状属性描述: U型热镀锌钢衬30×15 壁厚 1.2mm 定义:钢衬 (RD-U-35×15×1.2)二、五金类A、月牙锁1、品牌2、名称:月牙锁3、系列:塑窗推拉(SC),铝窗推拉( LC)4、铝窗中空锁( Z),铝窗单玻锁( D)4、方向:左 (L) ,右 (R)5、颜色:白( B)绿( L)灰 (H)6、型号 : 按图集示意品牌名称系列方向颜色型号示例:塑窗用国强月牙锁左锁,颜色白色,代号ST120定义:国强月牙锁(SC -L- B )-ST120(注:塑窗无中空和单玻区分)铝窗用国强中空月牙锁右锁,颜色灰色,代号ST120定义:国强月牙锁(LC-...

1、当您付费下载文档后,您只拥有了使用权限,并不意味着购买了版权,文档只能用于自身使用,不得用于其他商业用途(如 [转卖]进行直接盈利或[编辑后售卖]进行间接盈利)。
2、本站所有内容均由合作方或网友上传,本站不对文档的完整性、权威性及其观点立场正确性做任何保证或承诺!文档内容仅供研究参考,付费前请自行鉴别。
3、如文档内容存在违规,或者侵犯商业秘密、侵犯著作权等,请点击“违规举报”。

碎片内容

物料名称标准规范

确认删除?
VIP
微信客服
  • 扫码咨询
会员Q群
  • 会员专属群点击这里加入QQ群
客服邮箱
回到顶部