电脑桌面
添加小米粒文库到电脑桌面
安装后可以在桌面快捷访问

物料搬运作业规范

物料搬运作业规范_第1页
1/2
物料搬运作业规范_第2页
2/2
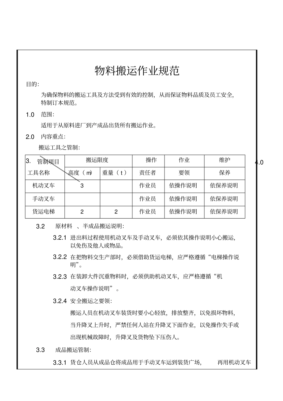
物料搬运作业规范目的:为确保物料的搬运工具及方法受到有效的控制,从而保证物料品质及员工安全,特制订本规范。1.0范围:适用于从原料进厂到产成品出货所有搬运作业。2.0内容重点:搬运工具之管制:3.管制项目工具名称搬运限度操作作业维护4.0高度( m)重量( t )责任者要领保养机动叉车3作业员依操作说明依保养说明手动叉车作业员依操作说明依保养说明货运电梯22作业员依操作说明依保养说明3.2原材料、半成品搬运说明:3.2.1 进出料过程使用机动叉车及手动叉车,必须依其操作说明小心搬运,以免伤及他人或物品。3.2.2 在把物料交生产部时,必须借助货运电梯,应严格遵循“电梯操作说明”。3.2.3 在装卸大件沉重物料时,必须供助机动叉车,应严格遵循“机动叉车操作说明” 。3.2.4 安全搬运之要领:搬运人员在机动叉车装货时要小心轻放,排放整齐,以免损坏物料,当升降叉上升时,严禁任何人站在升降叉下面作业,以免操作失手或出现机械故障时,升降叉及货物坠下压伤人。3.3成品搬运管制:3.3.1 货仓人员从成品仓将成品用于手动叉车运到装货广场,再用机动叉车交将成品一卡板一卡板送到货柜里,货柜里面的人员负责摆放整齐。3.3.2 成品装货柜时, 每卡板成品高度不能超过2.0M,防止放入柜门时因过高而跌落,以致损坏货物。3.3.3 成品放于货物运到货柜头,以免挤坏货物。

1、当您付费下载文档后,您只拥有了使用权限,并不意味着购买了版权,文档只能用于自身使用,不得用于其他商业用途(如 [转卖]进行直接盈利或[编辑后售卖]进行间接盈利)。
2、本站所有内容均由合作方或网友上传,本站不对文档的完整性、权威性及其观点立场正确性做任何保证或承诺!文档内容仅供研究参考,付费前请自行鉴别。
3、如文档内容存在违规,或者侵犯商业秘密、侵犯著作权等,请点击“违规举报”。

碎片内容

物料搬运作业规范

您可能关注的文档

确认删除?
VIP
微信客服
  • 扫码咨询
会员Q群
  • 会员专属群点击这里加入QQ群
客服邮箱
回到顶部