电脑桌面
添加小米粒文库到电脑桌面
安装后可以在桌面快捷访问

特种设备管理人员任命参考样板

特种设备管理人员任命参考样板_第1页
1/29
特种设备管理人员任命参考样板_第2页
2/29
特种设备管理人员任命参考样板_第3页
3/29
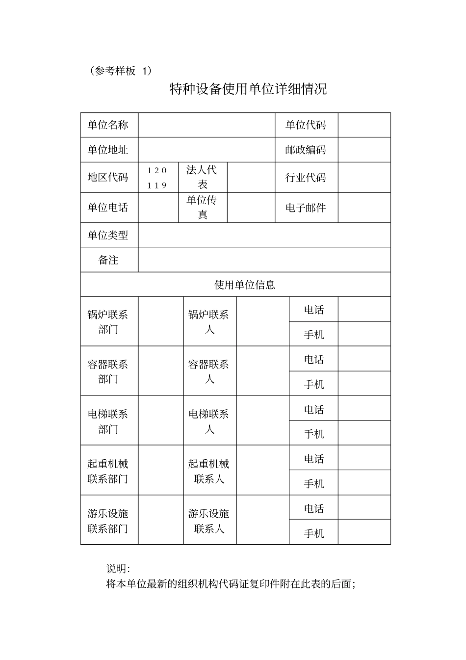
(参考样板 1)特种设备使用单位详细情况单位名称单位代码单位地址邮政编码地区代码120119法人代表行业代码单位电话单位传真电子邮件单位类型备注使用单位信息锅炉联系部门锅炉联系人电话手机容器联系部门容器联系人电话手机电梯联系部门电梯联系人电话手机起重机械联系部门起重机械联系人电话手机游乐设施联系部门游乐设施联系人电话手机说明:将本单位最新的组织机构代码证复印件附在此表的后面;(参考样板 2)特种设备安全管理机构为确保本单位特种设备的运行安全, 特成立特种设备安全管理小组 , 小组组成人员如下 :组长:姓名:职务:联系电话副组长 :1、姓名:职务:联系电话2、姓名:职务:联系电话组员 :1、姓名:职务:联系电话2、姓名:职务:联系电话⋯⋯ ( 章)年月日附:特种设备安全管理小组职责:1、严格执行《特种设备安全监察条例》等法律法规的有关检定,制定本单位特种设备安全管理制度和操作规程,建立健全特种设备安全技术档案;2、督促特种设备使用部门及操作人员落实有关安全规定,确保特种设备安全运行;3、组织和指导开展特种设备专项活动;4、定期组织特种设备安全检查,对发现的安全问题制定整改措施并督促有关部门落实整改;5、定期对特种设备作业人员进行特种设备安全教育和培训,保证特种设备作业人员具备必要的特种设备安全作业知识;6、组织制定特种设备的事故应急措施和救援预案,并定期开展演练。(参考样板 3)安全生产负责人任命书兹任命为安全生产负责人,依照特种设备管理的有关规定,对本单位特种设备安全工作全面负责。任期×年。(章)年月日附:特种设备安全生产负责人主要职责:1. 对本企业安全生产工作负直接领导责任,协助法定代表人认真贯彻执行安全生产方针、政策、法规,落实本企业各项安全生产管理制度; 2.组织实施本企业中长期、年度、特殊时期安全工作规划、目标及实施计划,组织落实安全生产责任制; 3.参与编制和审核施工组织设计、 特殊复杂工程项目或专业性工程项目施工方案。 审批本企业工程生产建设项目中的安全技术管理措施,制定施工生产中安全技术措施经费的使用计划; 4.领导组织本企业的安全生产宣传教育工作,确定安全生产考核指标。领导、组织外包工队长的培训、考核与审查工作, 5.领导组织本企业定期和不定期的安全生产检查,及时解决施工中的不安全生产问题; 6.认真听取、采纳安全生产的合理化建议, 保证本企业安全生产保障体系的正常运转, 7.在...

1、当您付费下载文档后,您只拥有了使用权限,并不意味着购买了版权,文档只能用于自身使用,不得用于其他商业用途(如 [转卖]进行直接盈利或[编辑后售卖]进行间接盈利)。
2、本站所有内容均由合作方或网友上传,本站不对文档的完整性、权威性及其观点立场正确性做任何保证或承诺!文档内容仅供研究参考,付费前请自行鉴别。
3、如文档内容存在违规,或者侵犯商业秘密、侵犯著作权等,请点击“违规举报”。

碎片内容

特种设备管理人员任命参考样板

您可能关注的文档

确认删除?
VIP
微信客服
  • 扫码咨询
会员Q群
  • 会员专属群点击这里加入QQ群
客服邮箱
回到顶部