电脑桌面
添加小米粒文库到电脑桌面
安装后可以在桌面快捷访问

准备部焊工职位说明书

准备部焊工职位说明书_第1页
1/3
准备部焊工职位说明书_第2页
2/3
准备部焊工职位说明书_第3页
3/3
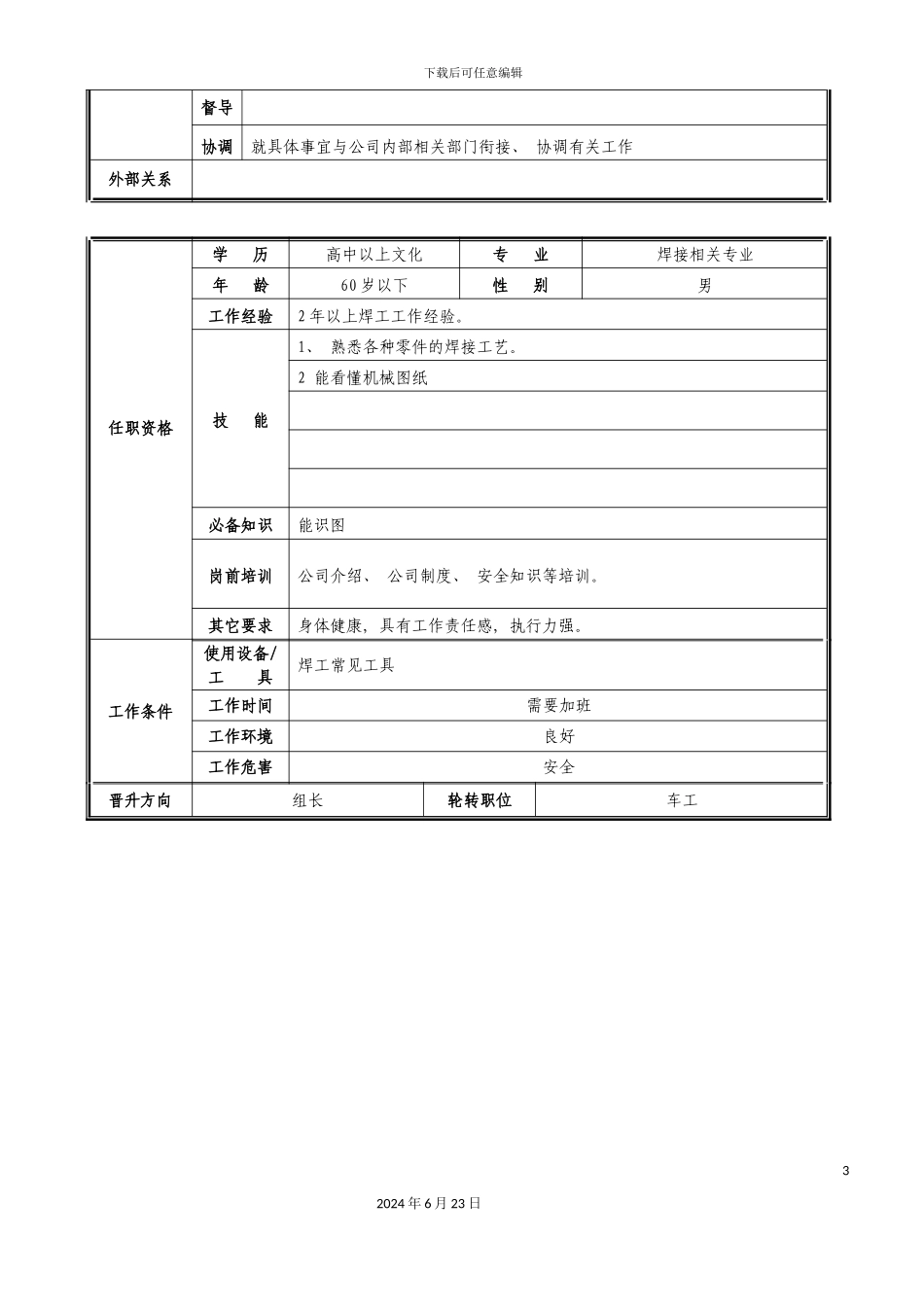
下载后可任意编辑准备部焊工职位说明书12024 年 6 月 23 日下载后可任意编辑准备部焊工职位说明书基本情况职位名称焊工职位编号所属部门准备部直接上级职位编制职 系操作直接下级所辖人数编制人彭晓明审核人职位概要负责公司工、 模、 夹、 量、 管道等产品的焊接工作。工作职责与工作任务: 1、 负责公司工、 模、 夹、 量、 管道等所有产品焊接加工, 并按时完成, 对所加工的产品质量负责。2、 负责所使用设备的日常维护保养。3、 负责按操作规程进行操作。4、 严格遵守公司各项规章制度。5、 协助完成其它临时工作。工作职权工作协作关系: 内部关系汇报不定期向直接上级进行书面或口头工作汇报22024 年 6 月 23 日下载后可任意编辑督导协调就具体事宜与公司内部相关部门衔接、 协调有关工作外部关系任职资格学 历高中以上文化专 业焊接相关专业年 龄60 岁以下性 别男工作经验2 年以上焊工工作经验。技 能1、 熟悉各种零件的焊接工艺。2 能看懂机械图纸必备知识能识图岗前培训公司介绍、 公司制度、 安全知识等培训。其它要求身体健康, 具有工作责任感, 执行力强。工作条件使用设备/工 具焊工常见工具工作时间需要加班工作环境良好工作危害安全晋升方向组长轮转职位车工32024 年 6 月 23 日

1、当您付费下载文档后,您只拥有了使用权限,并不意味着购买了版权,文档只能用于自身使用,不得用于其他商业用途(如 [转卖]进行直接盈利或[编辑后售卖]进行间接盈利)。
2、本站所有内容均由合作方或网友上传,本站不对文档的完整性、权威性及其观点立场正确性做任何保证或承诺!文档内容仅供研究参考,付费前请自行鉴别。
3、如文档内容存在违规,或者侵犯商业秘密、侵犯著作权等,请点击“违规举报”。

碎片内容

准备部焊工职位说明书

确认删除?
VIP
微信客服
  • 扫码咨询
会员Q群
  • 会员专属群点击这里加入QQ群
客服邮箱
回到顶部