电脑桌面
添加小米粒文库到电脑桌面
安装后可以在桌面快捷访问

关于自我效能感和自尊的分析报告VIP专享VIP免费

关于自我效能感和自尊的分析报告_第1页
1/9
关于自我效能感和自尊的分析报告_第2页
2/9
关于自我效能感和自尊的分析报告_第3页
3/9
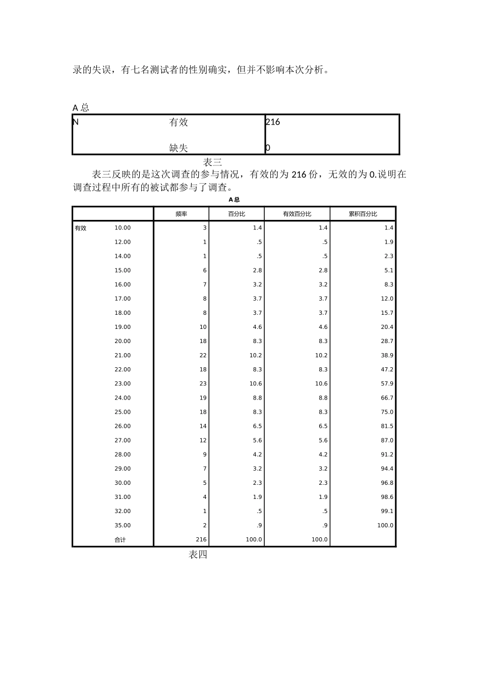
关于自我效能感和自尊的分析报告摘要:自我效能感指个体对自己是否有能力为完成某一行为所进行的推测与判断。自尊,即自我尊重,是个体对其社会角色进行自我评价的结果。笔者对太原科技大学的216名同学进行了测量,初步测查了大学生自我效能感和自尊的基本状况,同时探讨了大学生自我效能感和自尊二者之间的关系。调研采用的是问卷调查法,问卷分为自我效能感问卷和自尊问卷两部分。关键词:自我效能感自尊关系1、引言现代世界科学技术迅速发展,竞争日益激烈,生活节奏加快,大学生面临越来越大的压力和挑战。为了更好地适应现代生活,大学生不仅需要一定的知识和技能,更需要肯定自己的能力,确信自己能克服困难,达到预期目标。只有那些相信自己能够解决问题的人。即有较高自我效能感的人,才能更好地面对挫折和挑战。自我效能感是Bandura社会认知理论中的核心概念。自我效能感与结果期望不同,后者是指个体对自己行动后果的知觉,而自我效能感指的是人们对自己行动的控制或主导。一个相信自己能处理好各种事情的人,在生活中会更积极、更主动。这种“能做”的认知反映了一种对环境的控制感,因此自我效能感反映了一种个体能采取适当的行动面对环境挑战的信念。自我效能感以自信的观点看待个体处理生活中各种压力的能力。按照Bandura的理论,不同自我效能感的人其感觉、思维和行动都不同。就感觉层面而言,自我效能感往往和抑郁、焦虑及无助相联系。在思维方面,自我效能感能在各种场合促进人们的认知过程和成绩,这包括决策质量和学业成就等。自我效能感能加强或削弱个体的动机水平。自我效能高的人会选择更有挑战性的任务,他们为自己确立的较高的目标并坚持到底。一旦开始行动,自我效能感高的人会付出较多的努力,坚持更长的时间,遇到挫折时他们又能很快恢复过来。自尊(self-esteem)即自我尊重,是个体对其社会角色进行自我评价的结果。自尊是通过社会比较形成的,是个体对其社会角色进行自我评价的结果。自尊首先表现为自我尊重和自我爱护。自尊还包含要求他人,集体和社会对自己尊重的期望。2研究方法2.1被试太原科技大学随意抽取的216位同学2.2研究工具2.2.1一般自我效能感量表(GSES):一般自我效能感量表(GSES)由Schwarzer等人编制,中文版由王才康等人(2001)翻译修订,对其信效度进行分析。结果发现GSES具有良好的信度,其内部一致性系数CronbachA=0.87,重测信度r=0.83(p<0.001),折半信度为r=0.82(n=401,p<0.001)。GSES只有一个维度。2.2.2自尊量表(SES)自尊量表(SES)是设计用以评定个体关于自我价值和自我接纳的总体感受。该量表由10个条目组成,设计中充分考虑了测定的方便。受试者直接报告这些描述是否符合他们自己。分值越高,自尊程度越高。本量表已被广泛应用,它简明、易于评分,是对自己的积极或消极感受的直接评估。2.2.3戴尔笔记本电脑,spssfor19.0软件2.3研究程序步骤一:在学校随机选择自愿测试的被试;步骤二:将两份量表同时发给这些被试,由主试向大学生被试说明指导语,学生理解答题要求之后,一次性完成答题。主试统计所有数据并将数据录入SPSS软件中进行统计分析。3结果与分析3.1大学生一般自我效能感得分情况SEXN有效209缺失7表一SEX频率百分比有效百分比累积百分比有效男12256.558.458.4女8740.341.6100.0合计20996.8100.0缺失系统73.2合计216100.0表二表一和表二反映了在这次调查过程中,或许由于测试者未填性别,或许输录的失误,有七名测试者的性别确实,但并不影响本次分析。A总N有效216缺失0表三表三反映的是这次调查的参与情况,有效的为216份,无效的为0.说明在调查过程中所有的被试都参与了调查。A总频率百分比有效百分比累积百分比有效10.0031.41.41.412.001.5.51.914.001.5.52.315.0062.82.85.116.0073.23.28.317.0083.73.712.018.0083.73.715.719.00104.64.620.420.00188.38.328.721.002210.210.238.922.00188.38.347.223.002310.610.657.924.00198.88.866.725.00188.38.375.026.00146.56.581.527.00125.65.687.028.0094.24.291.229.0073.23.294.430.0052.32.396.831.0041.91.998.632.001.5.599.135.002.9.9100.0合计216100.01...

1、当您付费下载文档后,您只拥有了使用权限,并不意味着购买了版权,文档只能用于自身使用,不得用于其他商业用途(如 [转卖]进行直接盈利或[编辑后售卖]进行间接盈利)。
2、本站所有内容均由合作方或网友上传,本站不对文档的完整性、权威性及其观点立场正确性做任何保证或承诺!文档内容仅供研究参考,付费前请自行鉴别。
3、如文档内容存在违规,或者侵犯商业秘密、侵犯著作权等,请点击“违规举报”。

碎片内容

关于自我效能感和自尊的分析报告

文章天下+ 关注
实名认证
内容提供者

各种文档应有尽有

确认删除?
VIP
微信客服
  • 扫码咨询
会员Q群
  • 会员专属群点击这里加入QQ群
客服邮箱
回到顶部