电脑桌面
添加小米粒文库到电脑桌面
安装后可以在桌面快捷访问

北京建设工程质量检测收费指导价样本

北京建设工程质量检测收费指导价样本_第1页
1/15
北京建设工程质量检测收费指导价样本_第2页
2/15
北京建设工程质量检测收费指导价样本_第3页
3/15
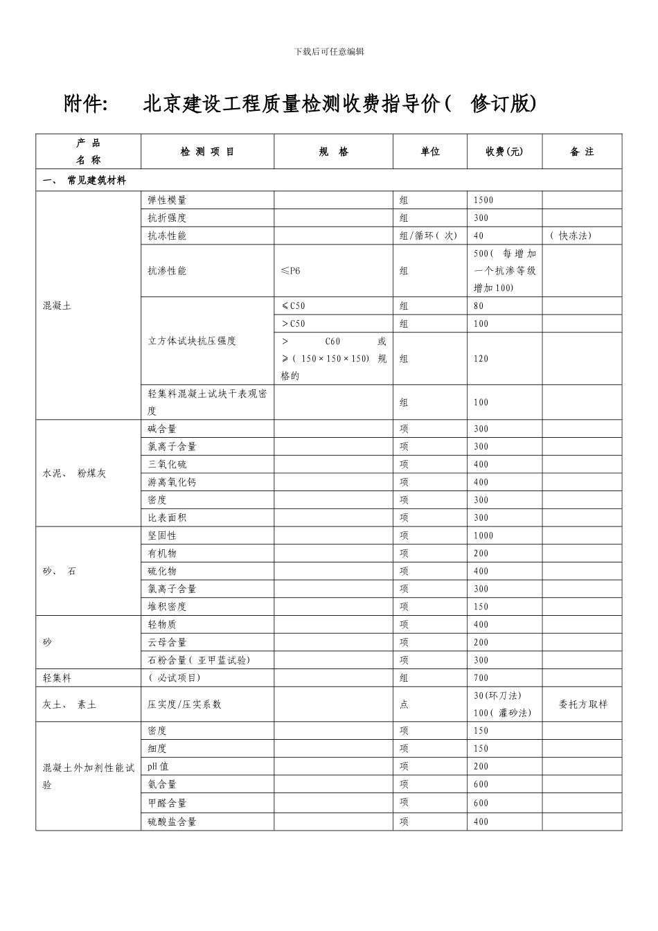
下载后可任意编辑附件: 北京建设工程质量检测收费指导价( 修订版) 产 品名 称检 测 项 目规 格单位收费(元)备 注一、 常见建筑材料 混凝土弹性模量 组1500抗折强度 组300抗冻性能组/循环( 次) 40( 快冻法) 抗渗性能≤P6组500( 每 增 加一个抗渗等级增加 100) 立方体试块抗压强度≤C50 组80>C50组100>C60或≥( 150×150×150) 规格的组120轻集料混凝土试块干表观密度组100水泥、 粉煤灰碱含量 项300氯离子含量 项300三氧化硫 项400游离氧化钙 项400密度项300比表面积项300砂、 石坚固性 项1000有机物 项200硫化物 项400氯离子含量 项300堆积密度项150砂轻物质 项400云母含量 项200石粉含量( 亚甲蓝试验) 项300轻集料( 必试项目) 组700灰土、 素土压实度/压实系数 点30(环刀法)100( 灌砂法) 委托方取样混凝土外加剂性能试验密度 项150细度 项150pH 值 项200氨含量 项600甲醛含量 项600硫酸盐含量 项400下载后可任意编辑产 品名 称检 测 项 目规 格单位收费(元)备 注钢筋力学性能屈服强度、 抗拉强度、 断后伸长率36mm<d≤50mm:组58050mm <d组780最大力总伸长率组450残余变形组900机 械 连 接 工 艺检验重量偏差组100重量负偏差组 100预拌砂浆( 普通干混砂浆) 强度等级 项400凝聚时间 项400保水性 项30014d 拉伸粘结强度 项600抗渗等级P6 组350P8组400P10组450水泥净浆( 孔道压浆) 配合比设计项500稠 度项200自由膨胀率项300泌水率项300砌体材料烧结普通砖抗压强度组1000砌块抗压强度组1000二、 防水材料 无机防水堵漏材料抗折强度、 抗压强度、 粘结强度、 抗渗压力(7d) 组1200水泥基渗透结晶型防水材料抗折强度、 湿基面粘结强度、 抗渗压力(28d) 组3000聚合物水泥防水砂浆凝聚时间 项100抗压强度 项200抗折强度 项200压折比 项400粘结强度 项600抗冻性( 冻融循环) 项2500止水带、 止水条拉伸强度、 扯断伸长率、 撕裂强度、 邵氏硬度 组1000 有机防水涂料湿基面粘接强度, 涂膜抗渗性( 120min 不透水性) 、 浸水 168h 后拉伸强度、 断裂伸长率、 耐水性组 橡胶圈拉伸强度、 扯断伸长率组600下载后可任意编辑产 品名 称检 测 项 目规 格单位收费(元)备 注遇水膨胀橡胶制品型: 拉伸强度、 扯断伸长率、 体积膨胀倍率、 低温弯折组800腻子型: 体积膨胀倍率、 高温流淌性、 低温试验组600腻子型: 7d 膨胀倍率、...

1、当您付费下载文档后,您只拥有了使用权限,并不意味着购买了版权,文档只能用于自身使用,不得用于其他商业用途(如 [转卖]进行直接盈利或[编辑后售卖]进行间接盈利)。
2、本站所有内容均由合作方或网友上传,本站不对文档的完整性、权威性及其观点立场正确性做任何保证或承诺!文档内容仅供研究参考,付费前请自行鉴别。
3、如文档内容存在违规,或者侵犯商业秘密、侵犯著作权等,请点击“违规举报”。

碎片内容

北京建设工程质量检测收费指导价样本

您可能关注的文档

一帆文传+ 关注
实名认证
内容提供者

欢迎光临店铺,各类公文供您挑选。

确认删除?
VIP
微信客服
  • 扫码咨询
会员Q群
  • 会员专属群点击这里加入QQ群
客服邮箱
回到顶部