电脑桌面
添加小米粒文库到电脑桌面
安装后可以在桌面快捷访问

华为供应商质量管理体系考察报告样本

华为供应商质量管理体系考察报告样本_第1页
1/15
华为供应商质量管理体系考察报告样本_第2页
2/15
华为供应商质量管理体系考察报告样本_第3页
3/15
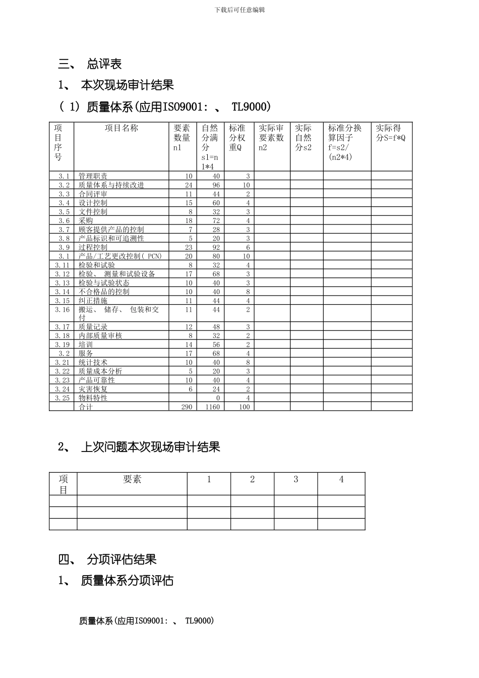
下载后可任意编辑供应商质量管理体系考察报告供应商名称:主要 业务:地 点:联 系 人:电 话:传 真:拟制: 审核: 会签:供应商考察---现场审计/自检结果评估表下载后可任意编辑一、 评估操作说明1) 评分标准根据《供应商现场审计标准I》审核, 审核项目能够根据具体情况选择。2) 假如是现场审计, 按选择项目打印出相应的《供应商现场审计标准I》, 然后逐项审计并打分。3) 假如是供应商自检, 则根据《供应商体系自检表》, 选择部分或全部进行编辑, 编辑完后发电子件发给供应商, 然后由逐项自检打分。4) 按《供应商现场审计标准I》得出每项自然分数后, 逐个填入《分项评估表》和以下《供应商质量、 环境体系审核计算表》, 进行总分计算。5) 根据《计算表》数据, 拷入到相应的《总评表》中得到总分, 或根据总评表计算方法人工计算相应得分。6) 总体评价原则: 总体评价原则如下: <60分: 不合格60-79分: 合格80-90分: 良好90-100分: 优秀二、 考察信息1、 考察小组成员考察组长: 姓名/工号考察成员: 姓名1/工号; 姓名2/工号; 。。。。2、 考察时间: XXXX-XX-XX下载后可任意编辑三、 总评表1、 本次现场审计结果( 1) 质量体系(应用ISO9001: 、 TL9000)项目序号项目名称要素数量n1自然分满分s1=n1*4标准分权重Q实际审要素数n2实际自然分s2标准分换算因子f=s2/(n2*4)实际得分S=f*Q3.1管理职责104033.2质量体系与持续改进2496103.3合同评审114423.4设计控制156043.5文件控制83233.6采购187243.7顾客提供产品的控制72833.8产品标识和可追溯性52033.9过程控制239263.1产品/工艺更改控制( PCN)2080103.11检验和试验83243.12检验、 测量和试验设备176833.13检验与试验状态104033.14不合格品的控制104083.15纠正措施114443.16搬运、 储存、 包装和交付114423.17质量记录124833.18内部质量审核83223.19培训145623.2服务176843.21统计技术104083.22质量成本分析52033.23产品可靠性104043.24灾害恢复62423.25物料特性 04 合计29011601002、 上次问题本次现场审计结果项目要素1234四、 分项评估结果1、 质量体系分项评估 质量体系(应用ISO9001: 、 TL9000)下载后可任意编辑审计项目审计内容0 1 2 3 4记事3.1、 管理职责3.1.1、 是否有质量方针和对质量的承诺? 3.1.2、 质量方针是否被各级组织人员所理解、 贯彻执行并维持? 3.1.3 是否指定一名有较高职位的成员作为管理者代表负责抓质量?...

1、当您付费下载文档后,您只拥有了使用权限,并不意味着购买了版权,文档只能用于自身使用,不得用于其他商业用途(如 [转卖]进行直接盈利或[编辑后售卖]进行间接盈利)。
2、本站所有内容均由合作方或网友上传,本站不对文档的完整性、权威性及其观点立场正确性做任何保证或承诺!文档内容仅供研究参考,付费前请自行鉴别。
3、如文档内容存在违规,或者侵犯商业秘密、侵犯著作权等,请点击“违规举报”。

碎片内容

华为供应商质量管理体系考察报告样本

确认删除?
VIP
微信客服
  • 扫码咨询
会员Q群
  • 会员专属群点击这里加入QQ群
客服邮箱
回到顶部