电脑桌面
添加小米粒文库到电脑桌面
安装后可以在桌面快捷访问

化工自动化控制仪表作业安全技术实际操作考试标准VIP免费

化工自动化控制仪表作业安全技术实际操作考试标准_第1页
1/12
化工自动化控制仪表作业安全技术实际操作考试标准_第2页
2/12
化工自动化控制仪表作业安全技术实际操作考试标准_第3页
3/12
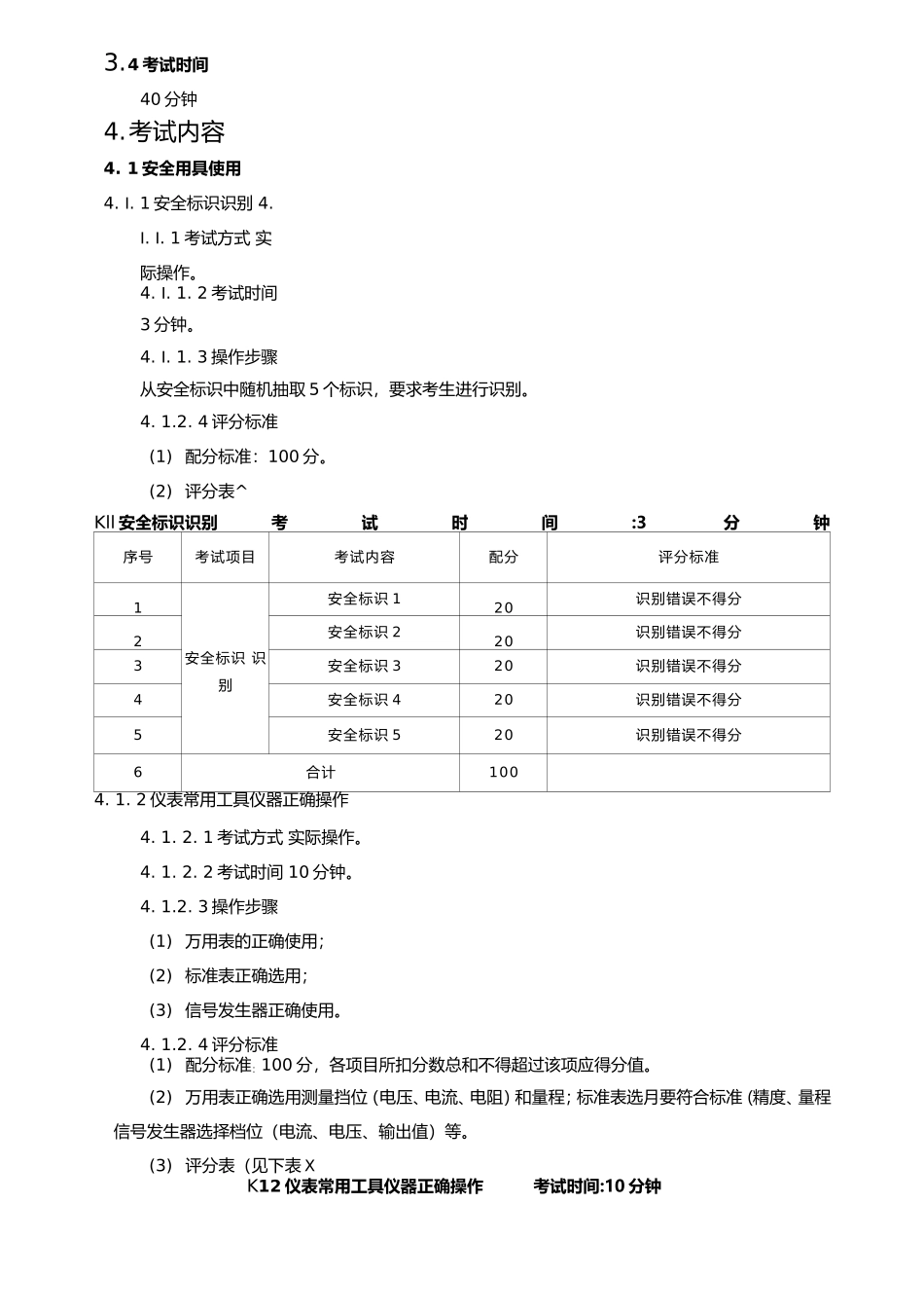
化工自动化控制仪表作业安全技术实际操作考试标准1.制定依据《化工自动化控制仪表作业安全技术培训大纲及考核标准:K2.考试方式实际操作和仿真模拟操作。3.考试要求3.1实操科目及内容3.I.1科目1:安全用具使用(简称Kl)3.1.1.1安全标识识别(简称K11)3.1.1.2仪表常用工具仪器正确操作(简称K12)3.1.1.3个人防护用品正确使用(简称K13)3.1.1.4防爆电气设备辨识(简称K14)3.1.2科目2:安全操作技术(简称K2)3.1.2.1带控制点工艺流程图符号识别(简称K21)3.1.2.2智能安全栅参数设置(简称K22)3.1.2.3仪表联锁的摘除与投用(简称K23)3.1.2.4智能仪表正确校验(简称K24)3.1.2.5调节阀的故障处理(简称K25)3.1.2.6调节回路的参数设置和投用(简称K26)3.1.3科目3:作业现场安全隐患排除(简称K3)3.1.3.1作业现场安全风险、职业危害识别(简称K31)3.1.3.2防爆仪表危险场所隐患查找(简称K32)3.1.3.3DCS控制系统报警信息识读与确认(简称K33)3.1.3.4仪表控制系统防雷接地检查(简称K34)3.1.4科目4:作业现场应急处置(简称K4)3.I.I.1单人徒手心肺复苏操作(简称K11)3.1.1.2灭火器的选择与使用(简称K12)3.1.1.3正压式空气呼吸器的使用(简称K14)3.1.4.4检测仪表线路故障及处理(简称K44)3.2组卷方式试卷从上述4个科目考题中,各抽取一道题目组成。具体题目由考试系统或考生抽取产3.3考试成绩总分值100分,80分(含)以上为考试合格;若考题中设置有否决项,否决项未通过,则实操考试不合格。科目1、科目2、科目3、科目4考题分值权重分别为20%、40%、20%、20%。3.4考试时间40分钟4.考试内容4.1安全用具使用4.I.1安全标识识别4.I.I.1考试方式实际操作。4.I.1.2考试时间3分钟。4.I.1.3操作步骤从安全标识中随机抽取5个标识,要求考生进行识别。4.1.2.4评分标准(1)配分标准:100分。(2)评分表^4.1.2.1考试方式实际操作。4.1.2.2考试时间10分钟。4.1.2.3操作步骤(1)万用表的正确使用;(2)标准表正确选用;(3)信号发生器正确使用。4.1.2.4评分标准(1)配分标准:100分,各项目所扣分数总和不得超过该项应得分值。(2)万用表正确选用测量挡位(电压、电流、电阻)和量程;标准表选月要符合标准(精度、量程信号发生器选择档位(电流、电压、输出值)等。(3)评分表(见下表XK12仪表常用工具仪器正确操作考试时间:10分钟Kll安全标识识别考试时间:3分钟序号考试项目考试内容配分评分标准1安全标识识别安全标识120识别错误不得分2安全标识220识别错误不得分3安全标识320识别错误不得分4安全标识420识别错误不得分5安全标识520识别错误不得分6合计1004.1.2仪表常用工具仪器正确操作4.1.3个人防护用品正确使用(简称K13)4.1.3.1考试方式实际操作。4.1.3.2考试时间5分钟。4.1.3.3操作步骤从安全防护用具(梯子、验电器、安全带、防静电用具等)中随机抽取2种,由学员进行操作演示。4.1.3.4评分标准(1)配分标准:100分。(2)评分表^K13个人防护用品正确使用考试时间:5分钟4.1.4防爆仪表防爆标志辨识(简称K14)4.1.3.1考试方式实际操作。4.1.3.2考试时间5分钟。4.1.3.3操作步骤(1)辨识仪表防爆方法和防爆等级;(2)指出该仪表适用危险场合的代表性物质;(3)说明该仪表允许操作的条件。4.1.3.4评分标准序号考试项目考试内容配分评分标准标准表正确选用30精度不符合标准扣10分1量程选用不合理扣10分2档位使用错误扣10分常用工具没有检测万用表扣10分3仪器正确万用表正确使用40测试时换挡扣10分4操作测量(输出)时人体接触被测端及万用表上裸露的带电部分扣10分5信号发生器正确使用30输出信号档位错误扣15分输入信号值错误扣15分6合计100序号考试项目考试内容配分评分标准1安全防护用具使用防护用具1正确使用50使用方法错误不得分2防护用具2正确使用50使用方法错误不得分3合计100(1)配分标准:100分。(2)评分表^K14安全防护用具的使用考试时间:5分钟4.2安全操作技术(简称K2)4.2.1带控制点的工艺流程图符号识别(简称K21)4.2.I.1考试方式实际操作。4.2.1.2考试时间5分钟。4.2.1.3操作步骤从流程图中随机指定4个与安全有关的仪表设备符号,要求考生进行解释说明。4.2.1.4评分标准(1)配分标准:100分。(2)评分表^4.2.2.1考...

1、当您付费下载文档后,您只拥有了使用权限,并不意味着购买了版权,文档只能用于自身使用,不得用于其他商业用途(如 [转卖]进行直接盈利或[编辑后售卖]进行间接盈利)。
2、本站所有内容均由合作方或网友上传,本站不对文档的完整性、权威性及其观点立场正确性做任何保证或承诺!文档内容仅供研究参考,付费前请自行鉴别。
3、如文档内容存在违规,或者侵犯商业秘密、侵犯著作权等,请点击“违规举报”。

碎片内容

化工自动化控制仪表作业安全技术实际操作考试标准

您可能关注的文档

确认删除?
VIP
微信客服
  • 扫码咨询
会员Q群
  • 会员专属群点击这里加入QQ群
客服邮箱
回到顶部