电脑桌面
添加小米粒文库到电脑桌面
安装后可以在桌面快捷访问

吹灰器使用维护说明书样本

吹灰器使用维护说明书样本_第1页
1/10
吹灰器使用维护说明书样本_第2页
2/10
吹灰器使用维护说明书样本_第3页
3/10
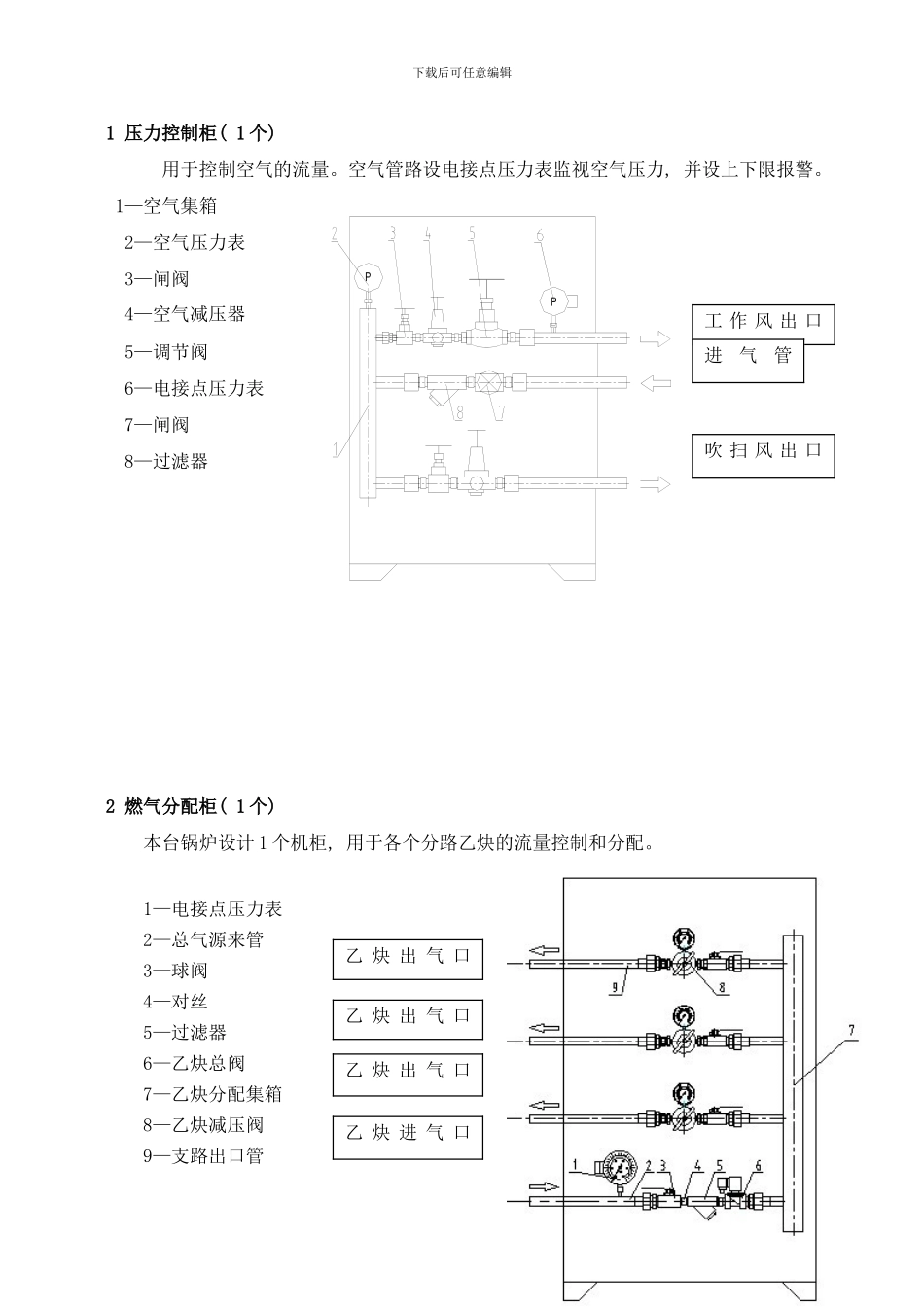
上海康恒-烟台垃圾发电锅炉燃气高能脉冲除灰装置使用维护说明书BLH-377/325-40北京百利和能源环保工程技术有限公司 11 月下载后可任意编辑一、 脉冲吹灰器的技术原理: 乙炔、 空气混合在一定的比例( 爆炸极限) 范围时, 经点火存在爆炸性。乙炔和空气经乙炔、 空气输入单元进入混合装置及脉冲罐, 混合气体在混合装置中经高频点火, 在脉冲罐内爆燃, 体积急剧膨胀, 产生高温、 高速的气流, 经喷嘴进入炉内, 并以冲击动能、 声能、 热能形式释放能量, 经受热面管束、 炉墙多次反射弥漫整个待除灰表面, 使积灰松弛、 脱落, 从而达到除灰的目的。二、 脉冲吹灰器作用机理1、 机械冲击作用: 混合气体经点火爆炸后, 体积瞬间发生急剧膨胀, 产生极高的速度。经喷嘴进入炉内, 以冲击波和高速气流的形式作用于受热面部件表面上, 使积灰脱落飞扬; 同时受热面管子产生振动, 使附着管子表面的灰层破裂、 脱落, 其作用类似于机械振打, 但其效果远比机械振打好, 作用时间极短( 毫秒级) , 对受热面无任何损坏。 2、 热清洗作用: 混合气体在脉冲罐中爆燃瞬间产生高温、 高速气流。当高温、 高速气流从喷嘴射向积灰层时, 使积灰层软化, 粘结强度降低。在高速气流吹扫下, 灰层破裂脱落。对燃油锅炉和余热炉的粘结性积灰尤为有效。3、 声波辐射作用: 当爆燃气体进入炉内时, 产生极大的声响, 是能量以声能释放的体现。声能以辐射状向炉内各个方向传播。经过声能的作用, 使这些区域中的烟气和粉尘颗粒产生振荡, 由于声波震荡的重复作用, 使积灰层疲劳而松散脱落。三、 系统构成 该系统为上海康恒-烟台润达垃圾发电锅炉项目而设计, 装置由空气系统、 乙炔系统、 混合点火系统、 风幕系统、 装置内部自洁系统、 疏水系统、 控制系统、 管路及脉冲发生系统组成, 各系统并联设计,柜体组合。下载后可任意编辑1 压力控制柜( 1 个) 用于控制空气的流量。空气管路设电接点压力表监视空气压力, 并设上下限报警。1—空气集箱2—空气压力表3—闸阀4—空气减压器5—调节阀6—电接点压力表7—闸阀8—过滤器2 燃气分配柜( 1 个) 本台锅炉设计 1 个机柜, 用于各个分路乙炔的流量控制和分配。1—电接点压力表 2—总气源来管3—球阀4—对丝5—过滤器6—乙炔总阀 7—乙炔分配集箱8—乙炔减压阀9—支路出口管乙 炔 进 气 口φ25乙 炔 出 气 口φ25乙 炔 出 气 口φ25乙 炔 出 气 口φ25吹 ...

1、当您付费下载文档后,您只拥有了使用权限,并不意味着购买了版权,文档只能用于自身使用,不得用于其他商业用途(如 [转卖]进行直接盈利或[编辑后售卖]进行间接盈利)。
2、本站所有内容均由合作方或网友上传,本站不对文档的完整性、权威性及其观点立场正确性做任何保证或承诺!文档内容仅供研究参考,付费前请自行鉴别。
3、如文档内容存在违规,或者侵犯商业秘密、侵犯著作权等,请点击“违规举报”。

碎片内容

吹灰器使用维护说明书样本

您可能关注的文档

确认删除?
VIP
微信客服
  • 扫码咨询
会员Q群
  • 会员专属群点击这里加入QQ群
客服邮箱
回到顶部