电脑桌面
添加小米粒文库到电脑桌面
安装后可以在桌面快捷访问

建筑工程施工质量评价标准评价表模板

建筑工程施工质量评价标准评价表模板_第1页
1/42
建筑工程施工质量评价标准评价表模板_第2页
2/42
建筑工程施工质量评价标准评价表模板_第3页
3/42
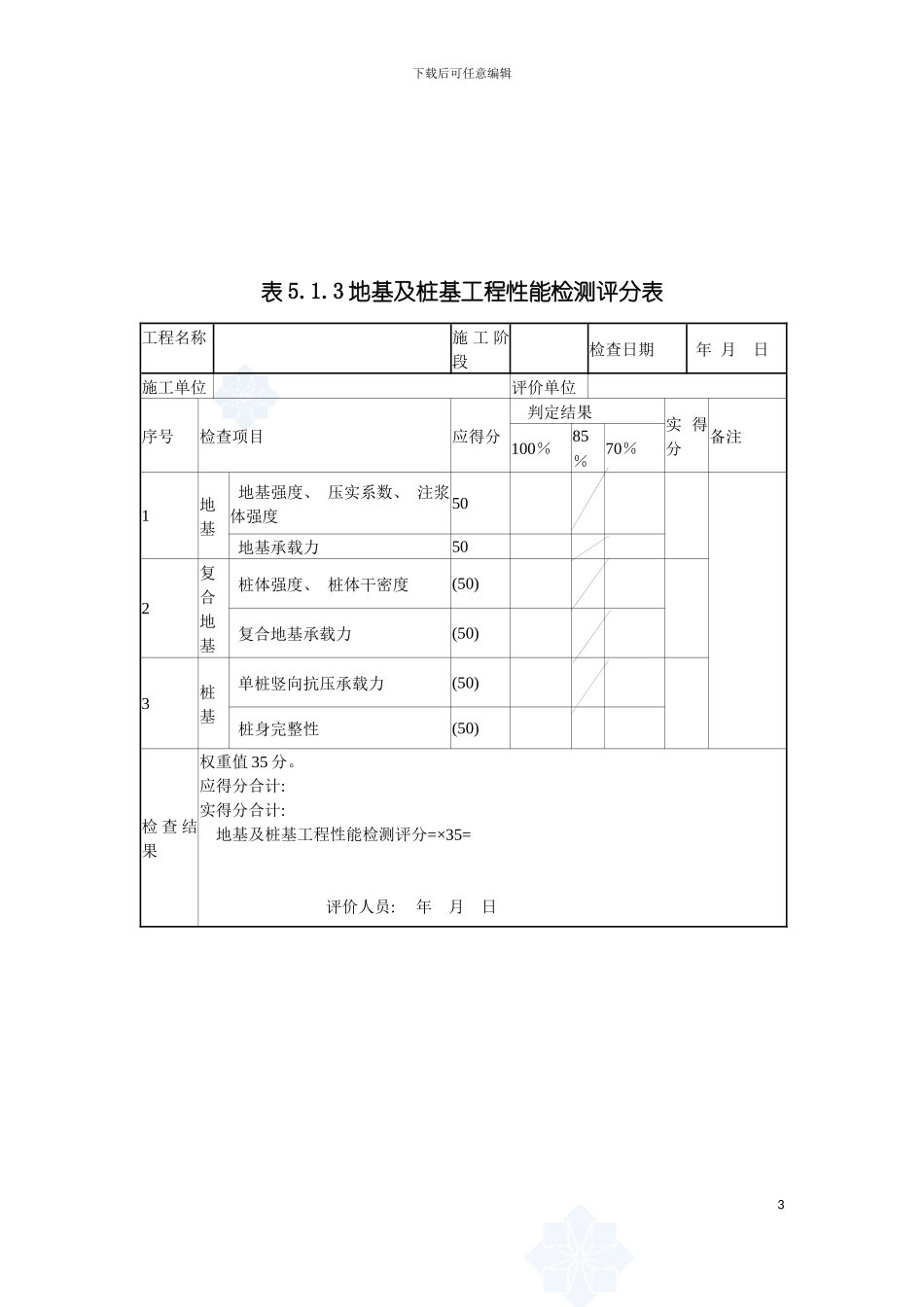
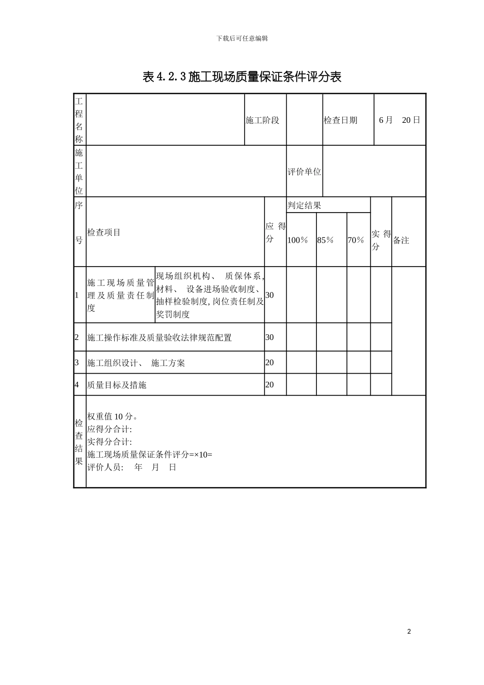
下载后可任意编辑建筑工程施工质量评价标准评价表1下载后可任意编辑表 4.2.3 施工现场质量保证条件评分表工程名称施工阶段检查日期 6 月 20 日施工单位评价单位序检查项目应 得分判定结果号100%85%70% 实 得分备注1施 工 现 场 质 量 管理 及 质 量 责 任 制度现场组织机构、 质保体系, 材料、 设备进场验收制度、 抽样检验制度, 岗位责任制及奖罚制度302施工操作标准及质量验收法律规范配置303施工组织设计、 施工方案204质量目标及措施20检查结果权重值 10 分。应得分合计: 实得分合计: 施工现场质量保证条件评分=×10=评价人员: 年 月 日2下载后可任意编辑表 5.1.3 地基及桩基工程性能检测评分表工程名称施 工 阶段检查日期 年 月 日施工单位评价单位序号检查项目应得分 判定结果实 得分备注100%85%70%1地基 地基强度、 压实系数、 注浆体强度50 地基承载力502复合地基 桩体强度、 桩体干密度(50) 复合地基承载力(50)3桩基 单桩竖向抗压承载力(50) 桩身完整性(50)检 查 结果权重值 35 分。应得分合计: 实得分合计: 地基及桩基工程性能检测评分=×35= 评价人员: 年 月 日3下载后可任意编辑表 5.2.3 地基及桩基工程质量记录评分表工程名称施工阶段检查日期年 月 日施工单位评价单位序号检查项目应得分判定结果实得分备注100% 85%70%1材料、 预制桩合格证(出厂试验报告)及进场验收记录材料合格证(出厂试验报告)及进场验收记录及钢筋、 水泥复试报告30预制桩合格证(出厂试验报告)及进场验收记录(30)2施工记录地基处理、 验槽、 钎探施工记录30预制桩接头施工记录(10)打(压)桩试桩记录及施工记录(20)灌注桩成孔、 钢筋笼、 混凝土灌注检查记录及施工记录(30)检验批、 分项、 分部(子分部)工程质量验收记录103施工试验灰土、 砂石、 注浆桩及水泥、 粉煤灰、 碎石桩配合比试验报告30钢筋连接试验报告(15)混凝土试件强度试验报告(15)预制桩龄期及试件强度试验报告(30)4下载后可任意编辑检查结果权重值 35 分。应得分合计: 实得分合计: 地基及桩基工程质量记录评分=×35=评价人员: 年 月 日表 5.3.3 地基及桩基工程尺寸偏差及限值实测评分表工程名称施 工 阶段检查日期年 月 日施工单位评价单位序号检查项目应得分 判定结果实得分备注100%85% 70%1 天然地基标高及基槽宽度偏差1002 复合地基桩位偏差(100)3 打(压)桩桩位偏差(100)4 灌注...

1、当您付费下载文档后,您只拥有了使用权限,并不意味着购买了版权,文档只能用于自身使用,不得用于其他商业用途(如 [转卖]进行直接盈利或[编辑后售卖]进行间接盈利)。
2、本站所有内容均由合作方或网友上传,本站不对文档的完整性、权威性及其观点立场正确性做任何保证或承诺!文档内容仅供研究参考,付费前请自行鉴别。
3、如文档内容存在违规,或者侵犯商业秘密、侵犯著作权等,请点击“违规举报”。

碎片内容

建筑工程施工质量评价标准评价表模板

您可能关注的文档

确认删除?
VIP
微信客服
  • 扫码咨询
会员Q群
  • 会员专属群点击这里加入QQ群
客服邮箱
回到顶部