电脑桌面
添加小米粒文库到电脑桌面
安装后可以在桌面快捷访问

建筑施工之材料模板

建筑施工之材料模板_第1页
1/15
建筑施工之材料模板_第2页
2/15
建筑施工之材料模板_第3页
3/15
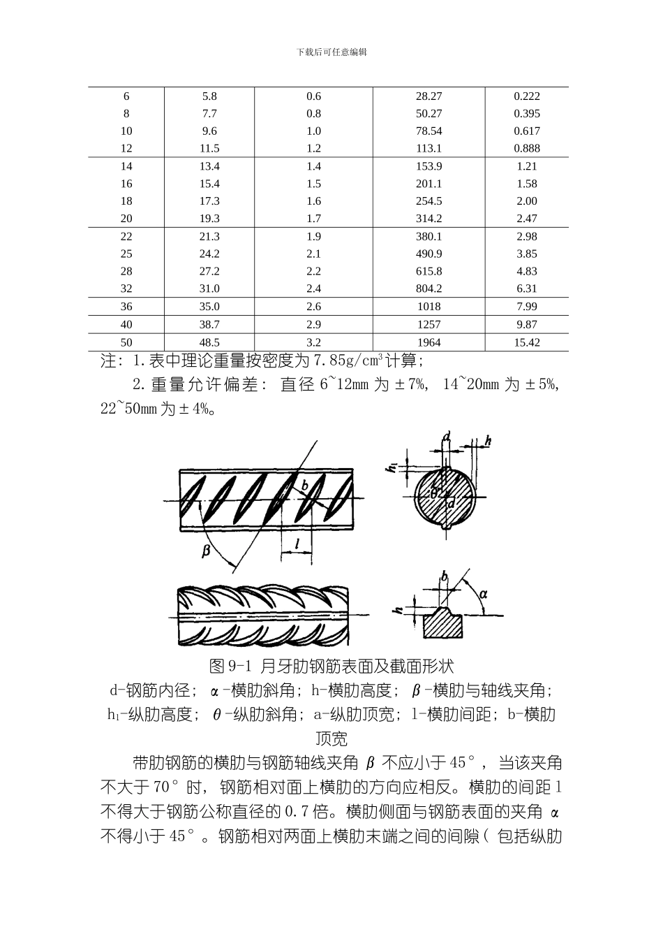
下载后可任意编辑建筑施工之钢筋工程9-1 材料9-1-1 钢筋品种与规格混凝土结构用的普通钢筋, 可分为两类: 热轧钢筋和冷加工钢筋( 冷轧带肋钢筋、 冷轧扭钢筋、 冷拔螺旋钢筋) 。冷拉钢筋与冷拔低碳钢丝已逐渐淘汰。余热处理钢筋属于热轧钢筋一类。热轧钢筋的强度等级由原来的 I 级、 II 级、 III 级和 IV 级更改为根据屈服强度( MPa) 分为 235 级、 335 级、 400 级、 500 级。《混凝土结构设计法律规范》( GB50010- ) 第 4.2.1 条规定: 普通钢筋宜采纳热轧带肋钢筋 HRB400 级和 HRB335, 也可采纳热轧光圆钢筋 HPB235 和余热处理钢筋 RRB400 级; 并在条文说明中提倡用 HRB400 级( 即新 III 级) 钢筋作为中国钢筋混凝土结构的主力钢筋。该设计法律规范尚未列入 HRB500 级钢筋。冷轧带肋钢筋和冷轧扭钢筋因已有专门规程《冷轧带肋钢筋混凝土结构技术规程》( JGJ95-1995) 和《冷轧扭钢筋混凝土构件技术规程》( JGJ115-1997) 可供参考。9-1-1-1 热轧钢筋热轧钢筋是经热轧成型并自然冷却的成品钢筋, 分为热轧光圆钢筋和热轧带肋钢筋两种。热轧光圆钢筋应符合国家标准《钢筋混凝土用热轧光圆钢筋》( GB13013-1991) 的规定。热轧带肋钢筋应符合国家标准《钢筋混凝土用热轧带肋钢筋》( GB1499-1998) 的规定。1.尺寸、 外形和重量热轧钢筋的直径、 横截面面积和重量, 见表 9-1。热轧带肋钢筋的外形, 见图 9-1。热轧钢筋的直径、 横截面面积和重量 表 9-1公称直径( mm) 内径( mm) 纵、 横肋高 h1、 h2( mm) 公称横截面面积( mm2) 理论重量( kg/m) 下载后可任意编辑65.80.628.270.22287.70.850.270.395109.61.078.540.6171211.51.2113.10.8881413.41.4153.91.211615.41.5201.11.581817.31.6254.52.002019.31.7314.22.472221.31.9380.12.982524.22.1490.93.852827.22.2615.84.833231.02.4804.26.313635.02.610187.994038.72.912579.875048.53.2196415.42注: 1.表中理论重量按密度为 7.85g/cm3计算; 2.重量允许偏差: 直径 6~12mm 为±7%, 14~20mm 为±5%, 22~50mm 为±4%。图 9-1 月牙肋钢筋表面及截面形状d-钢筋内径; α-横肋斜角; h-横肋高度; β-横肋与轴线夹角; h1-纵肋高度; θ-纵肋斜角; a-纵肋顶宽; l-横肋间距; b-横肋顶宽带肋钢筋的横肋与钢筋轴线夹角 β 不应小于 45°, 当该夹角不大于 70°时, 钢筋相对面上横肋的方向应相反。横肋的间...

1、当您付费下载文档后,您只拥有了使用权限,并不意味着购买了版权,文档只能用于自身使用,不得用于其他商业用途(如 [转卖]进行直接盈利或[编辑后售卖]进行间接盈利)。
2、本站所有内容均由合作方或网友上传,本站不对文档的完整性、权威性及其观点立场正确性做任何保证或承诺!文档内容仅供研究参考,付费前请自行鉴别。
3、如文档内容存在违规,或者侵犯商业秘密、侵犯著作权等,请点击“违规举报”。

碎片内容

建筑施工之材料模板

确认删除?
VIP
微信客服
  • 扫码咨询
会员Q群
  • 会员专属群点击这里加入QQ群
客服邮箱
回到顶部