电脑桌面
添加小米粒文库到电脑桌面
安装后可以在桌面快捷访问

理正软件土钉支护计算书

理正软件土钉支护计算书_第1页
1/13
理正软件土钉支护计算书_第2页
2/13
理正软件土钉支护计算书_第3页
3/13
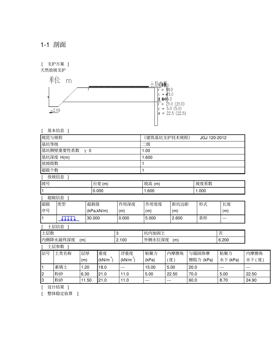
1-1 剖面 [ 支护方案 ] 天然放坡支护 [ 基本信息 ] 规范与规程《建筑基坑支护技术规程》 JGJ 120-2012基坑等级二级基坑侧壁重要性系数γ 01.00基坑深度 H(m)1.600放坡级数1超载个数1 [ 放坡信息 ] 坡号台宽 (m)坡高 (m)坡度系数10.0001.6001.000 [ 超载信息 ] 超载类型超载值作用深度作用宽度距坑边距形式长度序号(kPa,kN/m)(m)(m)(m)(m)130.0000.0005.0002.600条形--- [ 土层信息 ] 土层数3坑内加固土否内侧降水最终深度(m)2.100外侧水位深度 (m)6.200 [ 土层参数 ] 层号土类名称层厚重度浮重度粘聚力内摩擦角与锚固体摩粘聚力内摩擦角(m)(kN/m3)(kN/m3)(kPa)(度 )擦阻力 (kPa)水下 (kPa)水下 ( 度)1素填土1.2018.0---15.005.0020.0------2粉砂6.3021.011.05.0022.5070.05.0022.503粉砂11.5021.011.0------60.08.7024.90 [ 设计结果 ] [ 整体稳定验算 ] 天然放坡计算条件: 计算方法:瑞典条分法应力状态:总应力法基坑底面以下的截止计算深度: 0.00m 基坑底面以下滑裂面搜索步长: 5.00m 条分法中的土条宽度: 1.00m 天然放坡计算结果: 道号整体稳定半径圆心坐标圆心坐标安全系数R(m)Xc(m)Yc(m)11.5763.6551.5383.87321.4143.6930.8863.5852-2 剖面验算项目 : [ 验算简图 ] [ 验算条件 ] [ 基本参数 ] 所依据的规程或方法:《建筑基坑支护技术规程》JGJ 120-2012 基坑深度: 2.700(m) 基坑内地下水深度: 3.200(m) 基坑外地下水深度: 6.120(m) 基坑侧壁重要性系数: 1.000 土钉荷载分项系数: 1.250 土钉抗拔安全系数: 1.600 整体滑动分项系数: 1.300 [ 坡线参数 ] 坡线段数 1 序号 水平投影 (m) 竖向投影 (m) 倾角 ( ° ) 1 1.376 2.700 63.0 [ 土层参数 ] 土层层数 2 层号 土类名称层厚重度浮重度粘聚力内摩擦角与锚固体摩阻力与土钉摩阻力水土 (m) (kN/m^3) (kN/m^3) (kPa) (度) (kPa) (kPa) 1 粘性土 3.600 19.1 9.1 20.9 18.4 90.0 90.0 合算 2 粉砂 5.800 21.0 11.0 8.7 24.9 60.0 60.0 分算[ 超载参数 ] 超载数 1 序号 超载类型超载值 (kN/m) 作用深度 (m) 作用宽度 (m) 距坑边线距离 (m) 形式长度(m) 1 局部均布 30.000 0.000 5.000 0.924 条形[ 土钉参数 ] 土钉道数 2 序号 水平间距 (m) 垂直间距 (m) 入射角度 ( 度) 钻孔直径 (mm) 长度 (m) 配筋 1 1....

1、当您付费下载文档后,您只拥有了使用权限,并不意味着购买了版权,文档只能用于自身使用,不得用于其他商业用途(如 [转卖]进行直接盈利或[编辑后售卖]进行间接盈利)。
2、本站所有内容均由合作方或网友上传,本站不对文档的完整性、权威性及其观点立场正确性做任何保证或承诺!文档内容仅供研究参考,付费前请自行鉴别。
3、如文档内容存在违规,或者侵犯商业秘密、侵犯著作权等,请点击“违规举报”。

碎片内容

理正软件土钉支护计算书

文库响当当+ 关注
实名认证
内容提供者

该用户很懒,什么也没介绍

确认删除?
VIP
微信客服
  • 扫码咨询
会员Q群
  • 会员专属群点击这里加入QQ群
客服邮箱
回到顶部