电脑桌面
添加小米粒文库到电脑桌面
安装后可以在桌面快捷访问

生产订单流程说明分析

生产订单流程说明分析_第1页
1/19
生产订单流程说明分析_第2页
2/19
生产订单流程说明分析_第3页
3/19
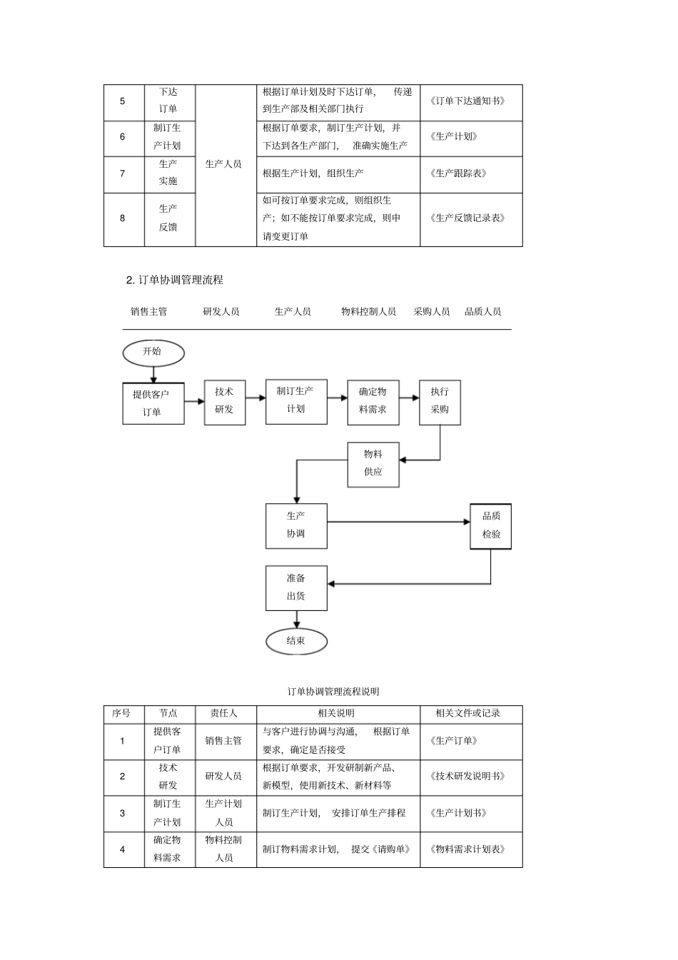
1. 订单落实管理流程订单落实管理流程说明序号节点责任人相关说明相关文件或记录1 接收订单订单管理人员接收客户订单, 确定客户需求和订单的评审形式《订单接收登记单》2 订单评审组织各相关部门进行评审,评审合格后签订合同,并下达生产订单;如评审不合格,则与客户进行沟通,并办理退单《订单评审记录表》3 审批生产经理对订单进行审批《订单审批规程》4 订单审批处理订单无法满足客户要求时,与客户进行沟通与协调,并做退单处理;如有疑问、 企业能力不足或不能按要求完成时,及时与客户沟通《订单审批处理意见》订单管理人员生产人员生产经理订单审批处理结束下达订单制订生产计划生产实施生产反馈交货后管理订单接收开始订单评审订单审批是否5 下达订单生产人员根据订单计划及时下达订单,传递到生产部及相关部门执行《订单下达通知书》6 制订生产计划根据订单要求,制订生产计划,并下达到各生产部门, 准确实施生产《生产计划》7 生产实施根据生产计划,组织生产《生产跟踪表》8 生产反馈如可按订单要求完成,则组织生产;如不能按订单要求完成,则申请变更订单《生产反馈记录表》2. 订单协调管理流程订单协调管理流程说明序号节点责任人相关说明相关文件或记录1 提供客户订单销售主管与客户进行协调与沟通,根据订单要求,确定是否接受《生产订单》2 技术研发研发人员根据订单要求,开发研制新产品、新模型,使用新技术、新材料等《技术研发说明书》3 制订生产计划生产计划人员制订生产计划, 安排订单生产排程《生产计划书》4 确定物料需求物料控制人员制订物料需求计划, 提交《请购单》《物料需求计划表》销售主管研发人员生产人员物料控制人员采购人员品质人员开始提供客户订单技术研发制订生产计划确定物料需求执行采购物料供应生产协调品质检验准备出货结束5 执行采购采购人员制订采购计划, 并跟踪供应商的执行情况,确保生产正常进行《采购计划单》6 物料供应物料控制人员及时安排出货、收货、发料,以满足生产线的需求, 并在清晰可视状态下管理存货,保证物料供应《物料供应说明书》7 生产协调生产人员包括人、机、物等生产准备工作,控制生产进度,保证按时交货《生产跟踪表》8 品质检验品质人员检验物料品质及产品品质,并处理品质异常问题《品质检验表》9 准备出货出货人员制订出货计划和安排运输计划,确保订单准时交付《出货计划》3. 订单计划安排流程订单计划安排流程说明序号节点责任人相...

1、当您付费下载文档后,您只拥有了使用权限,并不意味着购买了版权,文档只能用于自身使用,不得用于其他商业用途(如 [转卖]进行直接盈利或[编辑后售卖]进行间接盈利)。
2、本站所有内容均由合作方或网友上传,本站不对文档的完整性、权威性及其观点立场正确性做任何保证或承诺!文档内容仅供研究参考,付费前请自行鉴别。
3、如文档内容存在违规,或者侵犯商业秘密、侵犯著作权等,请点击“违规举报”。

碎片内容

生产订单流程说明分析

确认删除?
VIP
微信客服
  • 扫码咨询
会员Q群
  • 会员专属群点击这里加入QQ群
客服邮箱
回到顶部