电脑桌面
添加小米粒文库到电脑桌面
安装后可以在桌面快捷访问

生产运作管理课后计算机题及实践题部分答案

生产运作管理课后计算机题及实践题部分答案_第1页
1/17
生产运作管理课后计算机题及实践题部分答案_第2页
2/17
生产运作管理课后计算机题及实践题部分答案_第3页
3/17
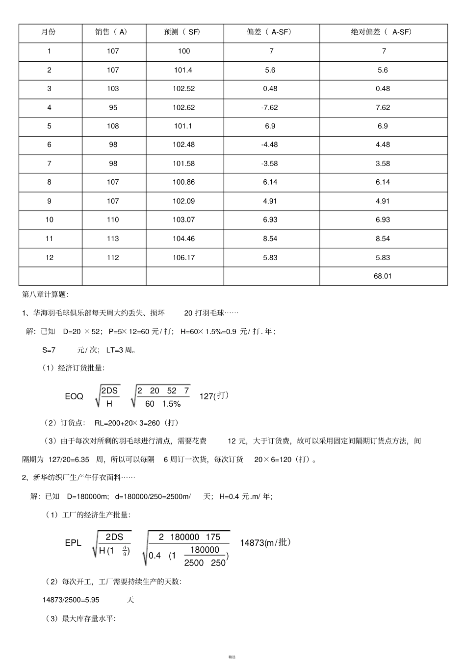
精选生产运作管理课后计算机题及实践题(部分)答案一、计算题第四章计算题1、一个制造厂计划在某车间旁增加一侧房,建一条新的生产线,⋯⋯。解: A方案的月运输量是:(15+15)× 2000+(15+10)× 2000+(30+10)× 3000+(15+10)× 1000+(20+35)× 3000 =420000(m). B 方案的月运输量是:(25+35)× 2000+(25+10)× 2000+(10+10)× 3000+(15+10)× 1000+(10+25)× 3000 =380000(m). 故 B 方案的月运输量最小。2、根据如下图所示的作业活动图,将9 个部门安排在一个3×3 的区域内⋯⋯。解:(1)列出关系密切程度分类表(只考虑 A好 X) A X A X A X 1-7 1-2 7-9 1-6 1-8 6-9 2-7 2-3 5-9 3-6 4-6 4-9 4-7 3-4 1-3 3-8 3-9 5-7 4-5 2-5 5-8 7-8 5-6 2-6 8-9 (2)据上表编制A 主关系簇和X关系簇,如下图:(3)安置所以部门如右图:6 4 8 2 7 1 5 9 3 7 2 4 8 1 9 5 3 6 A 主关系簇3 3 9 8 1 4 2 5 6X 关系簇精选3、答案:节拍为 0.167 分/ 件, 31.86 个工作日4、答案:(2)节拍为 0.25 分/ 件,(3)最小工作地数为5 (4)重新组合的工作地为:(A,B),(C,D,E),(F,G),(H,I),(J),(K,L),效率为 83.3% 5、答案:为 A 第五章计算题:1、一个工作人员欲制定一个金属切削作业的时间定额⋯⋯解:正常时间为:10.4 ×125%=13(分)标准时间为: 13×( 1+16%)=15.08 (分)2、观测一项作业,共60 次⋯⋯解:(1)观测到的时间:1.2 分钟( 2)正常时间: 1.2 ×95%=1.14 分钟( 3)标准时间: 1.2 ×95%×( 1+10%)=1.27 分钟3、答案: 377 分钟。4、答案: 5.85 分钟。5、一新达成的工会合同允许⋯⋯解:正常工作时间:1461+=6.35460()(分)标准作业时间:24+106.351+=7.2240+14()(分)6、答案: 57 次观察。7、答案: 37 个周期。8、在一个对航空特快货运飞机⋯⋯解:(1)闲置时间百分数的估计值是:6/60=10% ( 2)大约需要的观测次数为:24*10% * 1-10%=1440.05n()22 180000 17514873(/180000(1)0.4(1)2500250dgDSEPLmH批)第六章计算题:1、答案:(1)依题意以∝ =0.2 进行观测。(2)MAD=96.57。2、答案:(1)依题意以∝ =0.4 进行观测。(2)MAD=95.81 (3)以∝ =0.4 的模型具有较小的MAD,故相对较好3、答案:(1)精选月份销售( A)预测( SF)偏差( A-SF)绝对偏差...

1、当您付费下载文档后,您只拥有了使用权限,并不意味着购买了版权,文档只能用于自身使用,不得用于其他商业用途(如 [转卖]进行直接盈利或[编辑后售卖]进行间接盈利)。
2、本站所有内容均由合作方或网友上传,本站不对文档的完整性、权威性及其观点立场正确性做任何保证或承诺!文档内容仅供研究参考,付费前请自行鉴别。
3、如文档内容存在违规,或者侵犯商业秘密、侵犯著作权等,请点击“违规举报”。

碎片内容

生产运作管理课后计算机题及实践题部分答案

确认删除?
VIP
微信客服
  • 扫码咨询
会员Q群
  • 会员专属群点击这里加入QQ群
客服邮箱
回到顶部