电脑桌面
添加小米粒文库到电脑桌面
安装后可以在桌面快捷访问

接触网短路试验方案样本

接触网短路试验方案样本_第1页
1/5
接触网短路试验方案样本_第2页
2/5
接触网短路试验方案样本_第3页
3/5
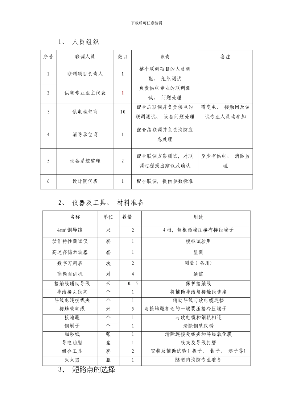
下载后可任意编辑接触网系统短路试验一、 接触网系统短路试验概述短路试验是联调试验的最后一道试验项目, 也是最重要、 最关键的试验项目, 它不但是对直流快速开关和其保护装置的性能以及牵引变电所内设备的安装和接线是否正确可靠的最直接的检测手段, 而且也是对整流器组各元件的冲击试验。二、 短路试验的目的及注意事项经过试验猎取必要的参数, 以便对直流馈线保护装置的保护参数进行正确整定, 确保故障短路时断路器能可靠跳闸。同时能够校验正常运营条件下( 如列车起动、 地客最大密度时) 线路的实际参数与设计参数符合程度。可是, 短路试验对断路器主触头寿命损伤很大, 因此是破坏性试验, 应尽量减少试验的次数。三、 所遵循的标准1、 沈阳地铁一号线一期及延伸线工程供电系统集成技术规格书。2、 经过业主审批接触网短路试验方案四、 短路试验前提条件1、 变电所单调、 联调合格并已经向接触网系统送电; 2、 接触网系统达到空载时间; 3、 所间及隧道内移运、 联通、 网通通讯良好。4、 具有发包人批准实施的短路试验方案; 5、 短路试验所用仪器仪表自查合格, 重要仪器仪表应经质量检测部门鉴定并在检定有效期内。6、 短路试验人员具备相应资质。五、 短路试验时间安排: 1 天、 白天进行。六、 通信联络: 对讲机, 手机。七、 短路试验方案下载后可任意编辑1、 人员组织序号联调人员数目职责备注1联调项目负责人1整个联调项目的人员调配、 组织测试2供电专业业主代表1负责供电专业的联调测试、 问题处理3供电承包商10配合总联调并负责供电的联调测试、 设备问题处理需变电、 接触网及调试专业人员均参加4消防承包商1配合总联调并负责消防应急处理5设备系统监理2配合联调方案测试, 对联调过程提出建议及确认至少有供电、 消防监理6设计院代表1配合联调, 提供参数标准2、 仪器及工具、 材料准备名称单位数量用途4mm2铜导线米24 根, 每根两端压接有接线端子动作特性测试仪套1模拟试验用高速存储示波器套1监测数字万用表块2测量( 备用) 高频对讲机对4通信接触线辅助导线米0.5保护接触线导线接头线夹个1将辅助导线与接触线连接导线电连接线夹个1辅助导线与软电缆连接接地软电缆米5与接地靴相连的一端要压接冷压端子接地靴个1与软电缆和钢轨相连钢刷子个1清除钢轨铁锈细砂纸张1清除连接处线夹和导线氧化膜导电油脂盒1线夹及导线打磨组合工具套2安装及辅助试验( 扳子、 钳子、 起子等) 灭...

1、当您付费下载文档后,您只拥有了使用权限,并不意味着购买了版权,文档只能用于自身使用,不得用于其他商业用途(如 [转卖]进行直接盈利或[编辑后售卖]进行间接盈利)。
2、本站所有内容均由合作方或网友上传,本站不对文档的完整性、权威性及其观点立场正确性做任何保证或承诺!文档内容仅供研究参考,付费前请自行鉴别。
3、如文档内容存在违规,或者侵犯商业秘密、侵犯著作权等,请点击“违规举报”。

碎片内容

接触网短路试验方案样本

您可能关注的文档

确认删除?
VIP
微信客服
  • 扫码咨询
会员Q群
  • 会员专属群点击这里加入QQ群
客服邮箱
回到顶部