电脑桌面
添加小米粒文库到电脑桌面
安装后可以在桌面快捷访问

提高地下室防水卷材一次施工合格率弘业样本

提高地下室防水卷材一次施工合格率弘业样本_第1页
1/15
提高地下室防水卷材一次施工合格率弘业样本_第2页
2/15
提高地下室防水卷材一次施工合格率弘业样本_第3页
3/15
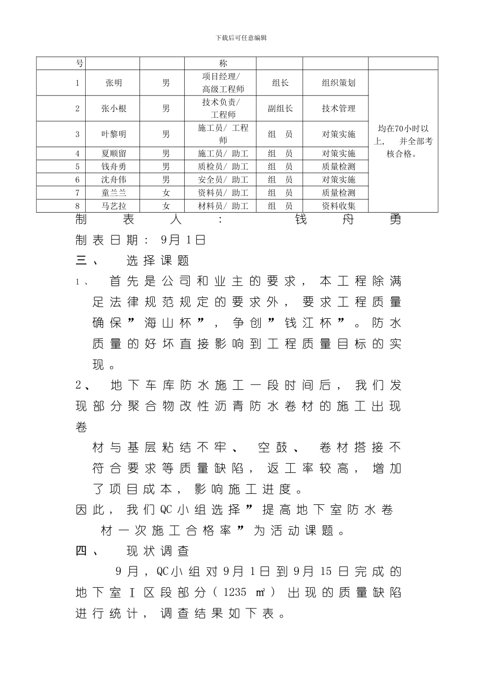
下载后可任意编辑提 高 地 下 室 防 水 卷 材 一 次 施 工 合 格 率弘 业 建 设 集 团 有 限 公 司 瑞 金 医 院 QC 小 组一 、工 程 概 况上 海 交 通 大 学 附 属 瑞 金 医 院 舟 山 分 院 一 期工 程 , 总 建 筑 面 积 137086 ㎡ , 地 上 建 筑 面 积122170 ㎡ , 地 下 建 筑 14916 ㎡ 。 本 工 程 由 急 诊 医疗 综 合 楼 ( 地 上 12 层 、 建 筑 面 积 90479 ㎡ , 其中 : 3 层 高 门 诊 急 诊 综 合 楼 1 栋 , 建 筑 面 积39373 ㎡ 。 本 工 程 地 下 室 采 纳 自 粘 聚 合 物 改 性沥 青 防 水 卷 材 施 工 , 施 工 面 积 11258 ㎡ 。二 、QC 小 组 简 介本 QC 小 组 由 工 程 施 工 技 术 人 员 中 主 要 骨 干组 成 , 由 项 目 经 理 张 明 担 任 组 长 。 本 次 课 题活 动 时 间 为 9 月 - 3 月 , QC 小 组 每 月 检 查 分 析活 动 3 次 , 每 季 度 总 结 一 次 , 每 月 的 8 日 、 20日 定 期 组 织 QC 小 组 学 习 讨 论 , 提 高 QC 小 组 的活 动 意 识 , 寻 找 存 在 的 问 题 , 制 定 解 决 问 题的 决 策 措 施 , 积 极 收 集 原 始 材 料 , 用 图 表 数据 说 话 。小组名称弘业建设集团有限公司瑞金医院QC小组组长张明注册时间 .6.1小组人数8活动频率每月3 次小组注册号ZJHY/QC- -14课题类型现场型课题注册号ZJHY/QCK-16序姓名性别岗位/ 技术职组内职务组内分工QC教育时间下载后可任意编辑号称1张明 男项目经理/高级工程师组长组织策划均在70小时以上, 并全部考核合格。2张小根男技术负责/工程师副组长技术管理3叶黎明男施工员/ 工程师组 员对策实施4夏顺留男施工员/ 助工组 员对策实施5钱舟勇男质检员/ 助工组 员质量检测6沈舟伟男安全员/ 助工组 员对策实施7童兰兰女资料员/ 助工组 员质量检测8马艺拉女材料员/ 助工组 员资料收集制表人: 钱舟勇 制 表 日 期 : 9 月 1 日三 、选 择 课 题1 、首 先 是 公 司 和 业 主 的 要 求 , 本 工 程 除 满足 法 律 规 范 规 定 的 要 求 外 , 要 求 工 程 质 量确 保 ” 海 山 杯 ” , 争 创 ” 钱...

1、当您付费下载文档后,您只拥有了使用权限,并不意味着购买了版权,文档只能用于自身使用,不得用于其他商业用途(如 [转卖]进行直接盈利或[编辑后售卖]进行间接盈利)。
2、本站所有内容均由合作方或网友上传,本站不对文档的完整性、权威性及其观点立场正确性做任何保证或承诺!文档内容仅供研究参考,付费前请自行鉴别。
3、如文档内容存在违规,或者侵犯商业秘密、侵犯著作权等,请点击“违规举报”。

碎片内容

提高地下室防水卷材一次施工合格率弘业样本

您可能关注的文档

确认删除?
VIP
微信客服
  • 扫码咨询
会员Q群
  • 会员专属群点击这里加入QQ群
客服邮箱
回到顶部