电脑桌面
添加小米粒文库到电脑桌面
安装后可以在桌面快捷访问

大理石、花岗石面层工序质量报验

大理石、花岗石面层工序质量报验_第1页
1/6
大理石、花岗石面层工序质量报验_第2页
2/6
大理石、花岗石面层工序质量报验_第3页
3/6
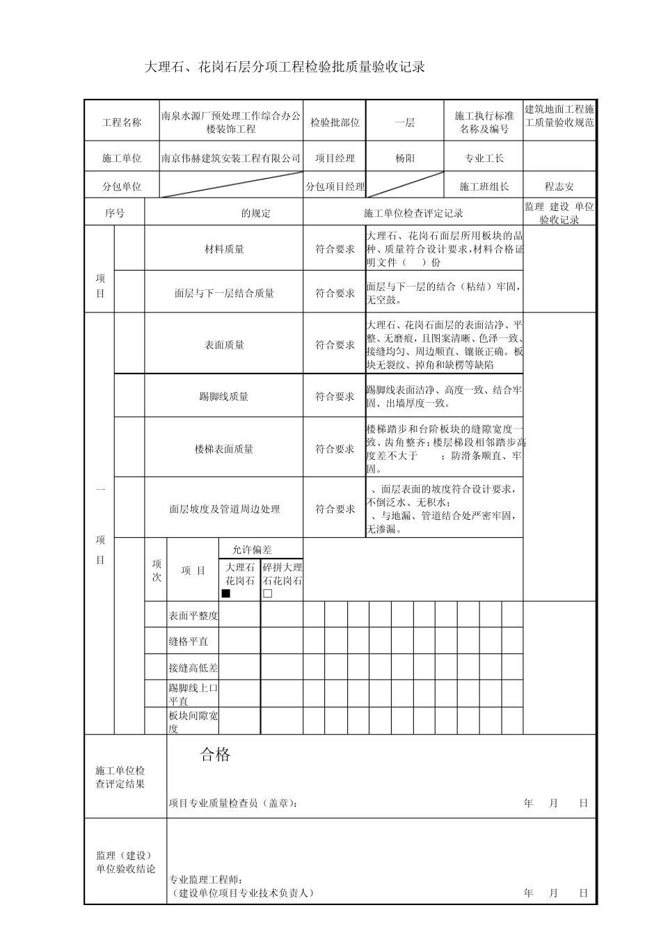
A3.5 工序质量报验单 工程名称:南泉水源厂预处理工程综合办公楼装饰工程 编号:A3.5 — 致: 无锡市市政建设咨询有限公司 (监理单位) 兹报验: □ 1地基与基础 □ 2主体结构 □ 3建筑装饰装修 □ 4建筑屋面 □ 5建筑给水、排水及采暖 □ 6建筑电气 □ 7智能建筑 □ 8通风与空调 □ 9电梯 □ 10建筑节能 □ 子分部/分项/检验批名称: 大理石面层 部位: 一层 验收时间: 本次报验内容系第 1 次报验,本项目经理部已完成自检工作且资料完整, 并呈报相应资料。 承包单位项目经理部(章): 项目经理: 日期: 项目监理机构签收人姓名及时间 承包单位签收人姓名及时间 监理抽查数据及情况记录: 1、收到施工相应自评/检查资料和验收记录表共 页,收到时间: 2、 检查人: 日期: 监理审查意见: □ 可进行后续施工。 □ 核验未通过,不得进入下道工序施工,整改后再报。 项目监理机构(章): 专业监理工程师: 日期: 注:1、未经项目监理机构验收通过,承包单位不得进入下道工序施工。 2、承包单位项目经理部应提前提出本报验单,并给予配合。 江苏省建设厅监制 大理石、花岗石层分项工程检验批质量验收记录 3142 工程名称 南泉水源厂预处理工作综合办公楼装饰工程 检验批部位 一层 施工执行标准 名称及编号 建筑地面工程施工质量验收规范 GB50209-2002 施工单位 南京伟赫建筑安装工程有限公司 项目经理 杨阳 专业工长 分包单位 分包项目经理 施工班组长 程志安 序号 GB50209-2002的规定 施工单位检查评定记录 监理(建设)单位验收记录 主 控 项 目 1 材料质量 符合要求 大理石、花岗石面层所用板块的品种、质量符合设计要求,材料合格证明文件( 1 )份 2 面层与下一层结合质量 符合要求 面层与下一层的结合(粘结)牢固,无空鼓。 一 般 项 目 1 表面质量 符合要求 大理石、花岗石面层的表面洁净、平整、无磨痕,且图案清晰、色泽一致、接缝均匀、周边顺直、镶嵌正确。板块无裂纹、掉角和缺楞等缺陷 2 踢脚线质量 符合要求 踢脚线表面洁净、高度一致、结合牢固、出墙厚度一致。 3 楼梯表面质量 符合要求 楼梯踏步和台阶板块的缝隙宽度一致、齿角整齐;楼层梯段相邻踏步高度差不大于10mm;防滑条顺直、牢固。 4 面层坡度及管道周边处理 符合要求 1、面层表面的坡度符合设计要求,不倒泛水、无积水; 2、与地漏、管道结合...

1、当您付费下载文档后,您只拥有了使用权限,并不意味着购买了版权,文档只能用于自身使用,不得用于其他商业用途(如 [转卖]进行直接盈利或[编辑后售卖]进行间接盈利)。
2、本站所有内容均由合作方或网友上传,本站不对文档的完整性、权威性及其观点立场正确性做任何保证或承诺!文档内容仅供研究参考,付费前请自行鉴别。
3、如文档内容存在违规,或者侵犯商业秘密、侵犯著作权等,请点击“违规举报”。

碎片内容

大理石、花岗石面层工序质量报验

您可能关注的文档

确认删除?
VIP
微信客服
  • 扫码咨询
会员Q群
  • 会员专属群点击这里加入QQ群
客服邮箱
回到顶部