电脑桌面
添加小米粒文库到电脑桌面
安装后可以在桌面快捷访问

天然气管道施工资料

天然气管道施工资料_第1页
1/11
天然气管道施工资料_第2页
2/11
天然气管道施工资料_第3页
3/11
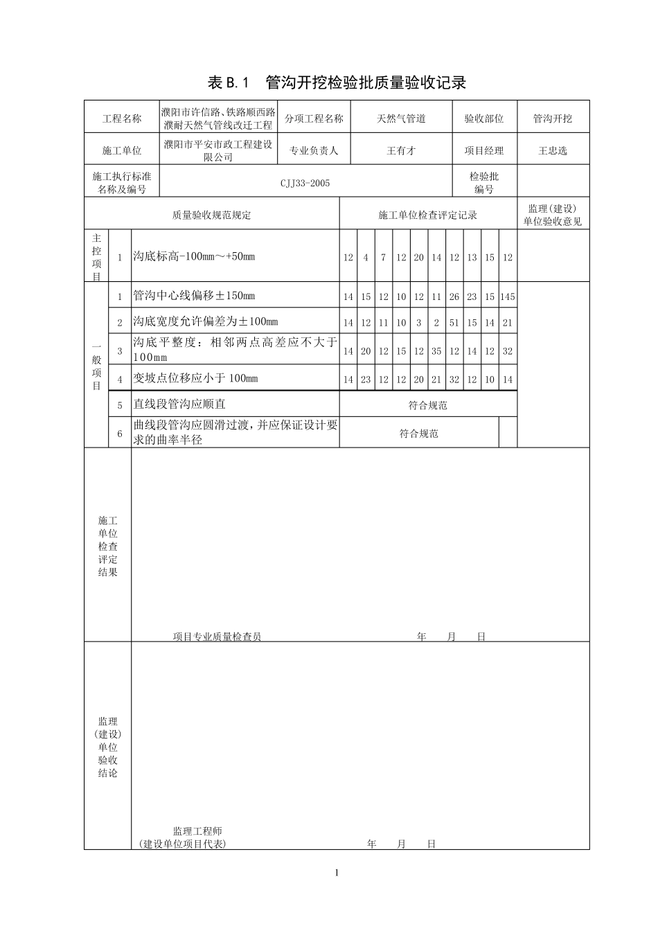
1 表B.1 管沟开挖检验批质量验收记录 工程名称 濮阳市许信路、铁路顺西路濮耐天然气管线改迁工程 分项工程名称 天然气管道 验收部位 管沟开挖 施工单位 濮阳市平安市政工程建设限公司 专业负责人 王有才 项目经理 王忠选 施工执行标准 名称及编号 CJJ33-2005 检验批 编号 质量验收规范规定 施工单位检查评定记录 监理(建设) 单位验收意见 主 控 项 目 1 沟底标高-100mm~+50mm 12 4 7 12 20 14 12 13 15 12 一 般 项 目 1 管沟中心线偏移±150mm 14 15 12 10 12 11 26 23 15 145 2 沟底宽度允许偏差为±100mm 14 12 11 10 3 2 51 15 14 21 3 沟底平整度:相邻两点高差应不大于100mm 14 20 12 15 12 35 12 14 12 32 4 变坡点位移应小于 100mm 14 23 12 12 20 21 32 12 10 14 5 直线段管沟应顺直 符合规范 6 曲线段管沟应圆滑过渡,并应保证设计要求的曲率半径 符合规范 施工 单位 检查 评定 结果 项目专业质量检查员 年 月 日 监理 (建设) 单位 验收 结论 监理工程师 (建设单位项目代表) 年 月 日 2 表B.2 管口组对检验批质量验收记录 工 程 名 称 濮 阳 市 许 信 路 、铁 路 顺 西 路濮 耐 天 然 气 管 线 改 迁 工 程 分 项 工 程 名 称 天 然 气 管 道 验 收 部 位 管 口 施 工 单 位 濮 阳 市 平 安 市 政 工 程 建 设限 公 司 专 业 负 责 人 王 有 才 项 目 经 理 王 忠 选 施 工 执 行 标 准 名 称 及 编 号 CJJ33-2005 检 验 批 编 号 质 量 验 收 规 范 规 定 施 工 单 位 检 查 评 定 记 录 监 理 (建 设 ) 单 位 验 收 意 见 主 控 项 目 1 防 腐 管 的 材 质 、规 格 应 符 合 5.2 的 规 定 和设 计 要 求 合 格 一 般 项 目 1 防 腐 层 质 量 应 符 合 第8 章 的 规 定 和 设 计要 求 符 合 规 范 2 管 内 应 清 扫 无 污 物 符 合 规 范 3 管 口 应 完 好 无 损 , 管 口 清 理 应 无 铁 锈 、 油污 及 毛 刺 符 合 规 范 4 管 端10mm 范 围 内 余 高 应 打 磨 掉 并 平 滑 过渡 1 2 4 3 5 1 2 4 2 1 5 两 管 口 螺 旋 焊 缝 或 直 缝 间...

1、当您付费下载文档后,您只拥有了使用权限,并不意味着购买了版权,文档只能用于自身使用,不得用于其他商业用途(如 [转卖]进行直接盈利或[编辑后售卖]进行间接盈利)。
2、本站所有内容均由合作方或网友上传,本站不对文档的完整性、权威性及其观点立场正确性做任何保证或承诺!文档内容仅供研究参考,付费前请自行鉴别。
3、如文档内容存在违规,或者侵犯商业秘密、侵犯著作权等,请点击“违规举报”。

碎片内容

天然气管道施工资料

确认删除?
VIP
微信客服
  • 扫码咨询
会员Q群
  • 会员专属群点击这里加入QQ群
客服邮箱
回到顶部