电脑桌面
添加小米粒文库到电脑桌面
安装后可以在桌面快捷访问

太阳能热水系统工程验收记录

太阳能热水系统工程验收记录_第1页
1/7
太阳能热水系统工程验收记录_第2页
2/7
太阳能热水系统工程验收记录_第3页
3/7
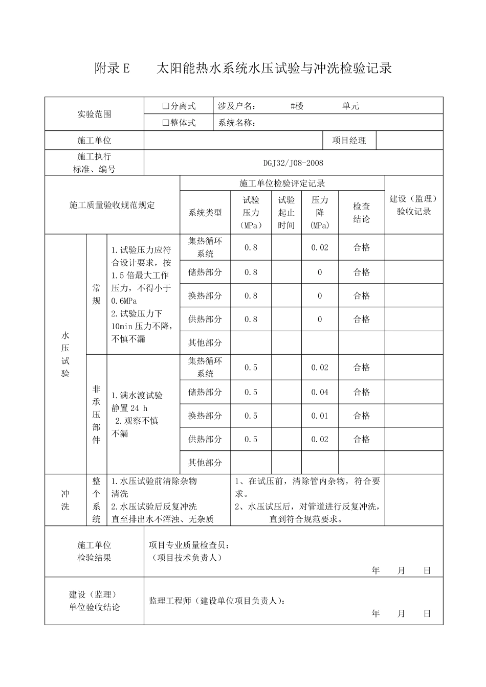
附录D 太阳能热水系统隐蔽工程验收记录 工程名称 分项工程名称 太阳能热水系统 施工单位 隐蔽工程项目 项目经理 专业工长 分包单位 分包项目经理 施工标准名称 及编号 DGJ32/J08-2008 施工图名称 及编号 隐蔽工程部位 1、太阳能集热器安装底座隐蔽工程;2、管道保温隐蔽工程;3、电导管内穿线隐蔽工程 质量要求 施工单位 自查记录 监理(建设) 单位验收记录 1 太阳能集热器安装底座隐蔽工程 附图片资料 份 编号: 符合要求 2 管道保温隐蔽工程 附图片资料 份 编号: 符合要求 3 电导管内穿线隐蔽工程 附图片资料 份 编号: 符合要求 4 附图片资料 份 编号: 5 附图片资料 份 编号: 施工单位 检查结论 项目专业质量检查员: (项目技术负责人) 年 月 日 监理(建设) 单位验收结论 监理工程师(建设单位项目负责人): 年 月 日 附录E 太阳能热水系统水压试验与冲洗检验记录 实验范围 □分离式 涉及户名: #楼 单元 □整体式 系统名称: 施工单位 项目经理 施工执行 标准、编号 DGJ32/J08-2008 施工质量验收规范规定 施工单位检验评定记录 建设(监理) 验收记录 系统类型 试验 压力(MPa) 试验 起止 时间 压力 降 (MPa) 检查 结论 水 压 试 验 常 规 1.试验压力应符合设计要求,按1.5 倍最大工作压力,不得小于0.6MPa 2.试验压力下10min 压力不降,不慎不漏 集热循环 系统 0.8 0.02 合格 储热部分 0.8 0 合格 换热部分 0.8 0 合格 供热部分 0.8 0 合格 其他部分 非 承 压 部 件 1.满水渡试验 静置 24 h 2.观察不慎 不漏 集热循环 系统 0.5 0.02 合格 储热部分 0.5 0.04 合格 换热部分 0.5 0.01 合格 供热部分 0.5 0.02 合格 其他部分 冲 洗 整个系统 1.水压试验前清除杂物 清洗 2.水压试验后反复冲洗 直至排出水不浑浊、无杂质 1、在试压前,清除管内杂物,符合要求。 2、水压试压后,对管道进行反复冲洗,直到符合规范要求。 施工单位 检验结果 项目专业质量检查员: (项目技术负责人) 年 月 日 建设(监理) 单位验收结论 监理工程师(建设单位项目负责人): 年 月 日 附录 F 太阳能热水系统调试记录 工程名称 调试范围 □分离式 涉及户名: □整体式 系统名称: 施工单位 项目经理 施工执行 标准、编号 DGJ32/J08-2008 调试内容及规范规定 ...

1、当您付费下载文档后,您只拥有了使用权限,并不意味着购买了版权,文档只能用于自身使用,不得用于其他商业用途(如 [转卖]进行直接盈利或[编辑后售卖]进行间接盈利)。
2、本站所有内容均由合作方或网友上传,本站不对文档的完整性、权威性及其观点立场正确性做任何保证或承诺!文档内容仅供研究参考,付费前请自行鉴别。
3、如文档内容存在违规,或者侵犯商业秘密、侵犯著作权等,请点击“违规举报”。

碎片内容

太阳能热水系统工程验收记录

您可能关注的文档

确认删除?
VIP
微信客服
  • 扫码咨询
会员Q群
  • 会员专属群点击这里加入QQ群
客服邮箱
回到顶部