电脑桌面
添加小米粒文库到电脑桌面
安装后可以在桌面快捷访问

2024年烟气在线监测系统技术方案VIP免费

2024年烟气在线监测系统技术方案_第1页
1/13
2024年烟气在线监测系统技术方案_第2页
2/13
2024年烟气在线监测系统技术方案_第3页
3/13
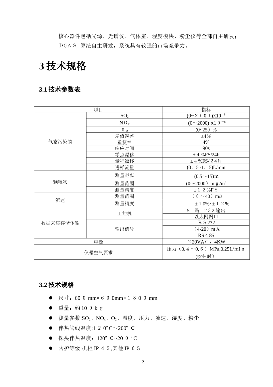
烟气排放连续监测系统报价哈尔滨昂洲环保工程有限公司1介绍烟气排放连续监测系统(简称CEMS),可对固定污染源(如锅炉、工业炉窑、焚烧炉等)排放烟气中的颗粒物、气态污染物的浓度(mg/m3)和排放率(kg/h、t/d、t/a)进行连续地、实时地跟踪测试。或者说,CEMS是烟气排放在线监测和排污计量系统。CMES一般由烟尘检测子系统、气态污染物监测子系统、烟气参数监测子系统、系统控制及数据采集处理子系统四个基本部分组成。CMES按测量方式可分为抽取冷凝法、抽取热湿法、原位法、在位法等。TR_9300型烟气排放连续监测系统采用抽取热湿法,抽取式热湿法CEMS能够测量SO2、NOx、O2、温度、压力、流速、颗粒物,其中:SO2、NOx采用高温伴热紫外差分吸收光谱(DOAS)分析技术O2采用氧电池温度、压力、流速分别采用热敏电阻(PT100)、压力传感器和皮托管微压差法高温伴热紫外差分吸收光谱(DOAS)分析技术除了能够测量SO2和NOx外,还能够分析NH3、CL2、H2S、O3、HCL等气体。与抽取冷凝法CMES相比,本系统具有测量准确、可靠性高、投资成本低、响应速度快等优点,由于抽取热湿法采用全程伴热,避免抽取冷凝法产生的冷凝水吸收SO2导致测量结果偏低等缺点;与原位法CEMS相比,本系统具有支持在线校准、测量值波动小、可靠性高、设备简单等优点;与在位法CEMS相比,本系统具有安装调试方便、现场设施要求低等优点。本CMES系统整机结构紧凑,方便运输和安装。2技术优势所有指标均在高温状态下测量避免冷凝水吸收SO2导致测量结果偏低,并腐蚀预处理管路,特别在SO2低浓度监测点,有无可比拟的优势;系统结构简单,集成度高在引流泵的作用下,烟气经探头、伴热管线后直接进入测量室,测量SO2和NOx浓度,再进入氧化锆/湿度/引流泵模块后,直接排出,系统构造简单,集成度高,维护方便;核心器件和算法全部自主研发1核心器件包括光源、光谱仪、气体室、湿度模块、粉尘仪等全部自主研发;DOAS算法自主研发,系统具有较强的市场竞争力。3技术规格3.1技术参数表项目指标气态污染物SO2(0~2000)x10-6NOx(0~2000)x10-602(0~25)%示值误差±4%重复性4%响应时间90s零点漂移±4%FS/24h量程漂移±4%FS/24h进样流量(0.5~1.5)L/min颗粒物测量距离(0.5~15)m测量范围(0~2000)mg/m3测量精度±12%FS流速测量范围(0~40)m/s测量精度±10%~±12%数据采集存储传输工控机5路232输出以太网网口输出信号RS232(4-20)mARS485电源220VAC,4KW仪器空气要求压力(0.4~0.6)MPa,0.25L/min(吹扫时)3.2技术规格尺寸:600mm×600mm×1800mm重量:约100kg测量参数:SO2、NOx、O2、温度、压力、流速、湿度、粉尘伴热管线温度:120ºC~200ºC探头伴热温度:120ºC~200ºC防护等级:机柜IP42,其他IP652供电:220VAC,3000W环境温度:-20ºC~50ºC环境湿度:5%Rh~95%Rh(不结露)对外输出:4-20mA,RS232,RS4853.3工作条件环境温度:0℃~40℃;相对湿度:≤93%RH;额定电压:AC220V±22V,50Hz±0.5Hz。3.4设计要求提供的CEMS满足满足以下最低系统运行和设计要求颗粒物设计要求零点漂移:24小时零点漂移不超过满量程的±2.0%。量程漂移:24小时量程漂移不超过满量程的±2.0%。气体污染物设计要求线性误差:测定值与参考值的相对误差不超过±5.0%。响应时间:不大于180s。零点漂移:24小时零点漂移不超过满量程的±2.5%。量程漂移:24小时量程漂移不超过满量程的±2.5%。流速连续测量系统设计要求测量范围:测量范围的上限应不低于30m/s。速度场系数精密度:速度场系数精密度优于5%。速度相对误差:当流速大于10/s时,速度相对误差不超过±10%;当速度小于或等于10m/s时,速度相对误差不超过±12%温度连续测量系统设计要求示值偏差不大于±3℃.3.4产品介绍我方专门针对贵公司污染源排放特点,提供已通过环保产品认证的烟气排放连续监测系统。所有探头、采样系统部件都采用耐腐蚀材料,其中,探头材质为特种耐酸不锈钢(316L)、过滤器材质为陶瓷、采样伴热管线为特别定制...

1、当您付费下载文档后,您只拥有了使用权限,并不意味着购买了版权,文档只能用于自身使用,不得用于其他商业用途(如 [转卖]进行直接盈利或[编辑后售卖]进行间接盈利)。
2、本站所有内容均由合作方或网友上传,本站不对文档的完整性、权威性及其观点立场正确性做任何保证或承诺!文档内容仅供研究参考,付费前请自行鉴别。
3、如文档内容存在违规,或者侵犯商业秘密、侵犯著作权等,请点击“违规举报”。

碎片内容

2024年烟气在线监测系统技术方案

您可能关注的文档

确认删除?
VIP
微信客服
  • 扫码咨询
会员Q群
  • 会员专属群点击这里加入QQ群
客服邮箱
回到顶部