电脑桌面
添加小米粒文库到电脑桌面
安装后可以在桌面快捷访问

盐雾试验方法和判定标准

盐雾试验方法和判定标准_第1页
1/6
盐雾试验方法和判定标准_第2页
2/6
盐雾试验方法和判定标准_第3页
3/6
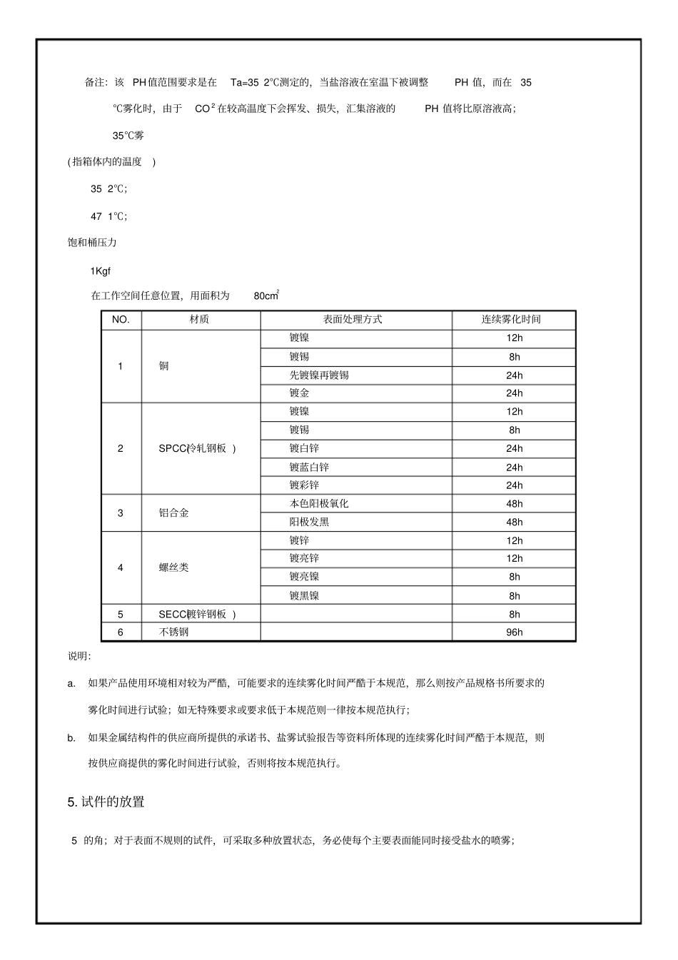
盐雾试验方法和判定标准目录索引1. 总则 . ............................................................... 2. 引用标准 . ........................................................... 3. 试验设备 . ........................................................... 4. 试验条件 . ........................................................... 5. 试件的放置 . ......................................................... 6. 试件的初始检测 . ..................................................... 7. 试件的预处理 . ....................................................... 8. 试验程序 . ........................................................... 9. 试验完成后的试样处理 . ............................................... 10. 最终检测 . .......................................................... 11. 试验结果的评级和判定 . .............................................. 12. 试验报告 . .......................................................... 1. 总则为规范金属结构件的中性盐雾试验(NSS)的方法和判定标准而制定本规范。该规范适用本公司所有金属结构件和紧固件的试验方法和判定标准。职责质量部金属结构件SQE 负责提出测试申请和提供测试样品;质量部电子产品测试组测试工程师负责根据样品材质和表面处理方式制定测试方案;质量部电子产品测试组实验室测试员负责测试方案的实施;质量部电子产品测试组测试工程师负责测试报告的编制和测试结果的判定。实施本规范实施之前应召集负责结构件的设计工程师、采购工程师、质量工程师等相关人员讨论通过;本规范经相关职能部门会签通过经文控中心受控统一发行;文控中心受控发行之日正式实施。2. 引用标准GB/T 6461-2002金属基本体上金属和其它无机覆盖层经腐蚀试验后的式样和试件的评级;ISO14993-2001 Corrosion of metals and alloys—— accelerated testing involving cyclic exposure to salt mist,” dry ”and “wet” condition ;3. 试验设备本试验所需设备为喷雾嘴、盐水桶、试验片支援架、喷雾液收集容器、试验室(1)、盐水补给桶、压力桶、压缩空气之供给设备与排气设备等所构成,并依照如下条件试验。注( 1):试验室大小, 须在3 以上。盐水喷雾试验机与其所需的...

1、当您付费下载文档后,您只拥有了使用权限,并不意味着购买了版权,文档只能用于自身使用,不得用于其他商业用途(如 [转卖]进行直接盈利或[编辑后售卖]进行间接盈利)。
2、本站所有内容均由合作方或网友上传,本站不对文档的完整性、权威性及其观点立场正确性做任何保证或承诺!文档内容仅供研究参考,付费前请自行鉴别。
3、如文档内容存在违规,或者侵犯商业秘密、侵犯著作权等,请点击“违规举报”。

碎片内容

盐雾试验方法和判定标准

您可能关注的文档

确认删除?
VIP
微信客服
  • 扫码咨询
会员Q群
  • 会员专属群点击这里加入QQ群
客服邮箱
回到顶部