电脑桌面
添加小米粒文库到电脑桌面
安装后可以在桌面快捷访问

监理平行检验记录

监理平行检验记录_第1页
1/9
监理平行检验记录_第2页
2/9
监理平行检验记录_第3页
3/9
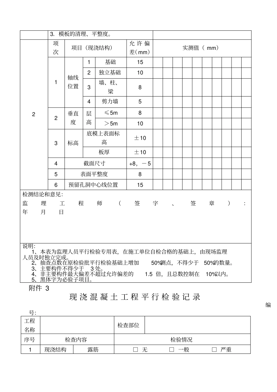
附件 1 钢 筋 工 程 平 行 检 验 记 录编号:工程名称检验部位序号检查内容检查情况1 1 外观质量 ( 锈蚀、裂纹、 损伤、油污、平直等) 2 钢筋型号规格间距2 项次项目设计值(mm)允许偏差(mm) 实测值 (mm) 1 直径偏差 (mm) 2 箍筋平直段长度3 箍筋内净尺寸± 5 4 受力钢筋间距±10 排距± 5 保护层厚度基础±10 柱、梁± 5 板、墙、壳± 3 5 箍筋和横向钢筋间距±20 6 钢筋弯起点位置20 7 钢筋接头位置及长度8 钢筋锚固长度 ( 锚固位置 ) 9 预埋件中心位置5 水平高差+3,0 检测结论和意见:监理工程师(签字、签章):年月日说明:1、本表为监理人员平行检验专用表,在施工单位自检合格的基础上,由现场监理人员及时独立完成。2、抽查点数在原检验批平行检验基础上增加50%测点,不得少于50%的数量。3、主要构件不得少于3 处。4、非主要构件最大偏差不超过允许偏差的1.5 倍,且总数控制在10%以内。5、黑体字为必验子项目。说明:1. 上述各子项抽查点数按相应施工质量验收规范确定,未明确的根据现场情况确定;2. 上述各子项抽查点数一般情况为10 点的,不足 10 点的,按实记录;3. 上述黑体字部分为必查子项,凡有一点不合格,该子项为不合格,必须督促返工处理;4. 其余各子项抽查点数合格率达90%为该子项合格, 子项合格率达 90%为该检验批合格。5. 钢筋保护层:(1)梁类构件,应对梁底最外层钢筋的保护层厚度进行检测;对选定的板类构件,应抽取不少于6 根纵向最外层钢筋的保护层厚度进行检测。对每根钢筋,应在有代表性的部位检测 1 点。(2)外层钢筋的保护层厚度允许偏差:梁构件类为+10mm、- 7mm,板类构件为+8mm、-5mm。对于超过允许偏差的点应在实测值中“Δ ”出;不合格点的最大偏差均不应大于规定允许偏差的1.5倍。(3)当钢筋保护层厚度检测合格率为90%及以上、且最大偏差不超过允许偏差的1.5倍时判为合格;当合格率小于90%但不小于 80%时,可再抽取相同数量构件检测,按两次抽样总和计算合格率为90%以上时,仍判为合格。(4)外层钢筋的保护层最小厚度(mm):环境类别板、墙、壳梁、柱、杆一15 20 二 a 20 25 二 b 25 34 三 a 30 40 三 b 40 50 注:① 混凝土强度等级不大于C25 时,表中保护层厚度值应增加5mm;② 钢筋混凝土基础宜设置混凝土垫层,其受力钢筋的混凝土保护层厚度应从垫层顶面算起,且不应小于40mm。附件 2 模 板 ...

1、当您付费下载文档后,您只拥有了使用权限,并不意味着购买了版权,文档只能用于自身使用,不得用于其他商业用途(如 [转卖]进行直接盈利或[编辑后售卖]进行间接盈利)。
2、本站所有内容均由合作方或网友上传,本站不对文档的完整性、权威性及其观点立场正确性做任何保证或承诺!文档内容仅供研究参考,付费前请自行鉴别。
3、如文档内容存在违规,或者侵犯商业秘密、侵犯著作权等,请点击“违规举报”。

碎片内容

监理平行检验记录

爱的疯狂+ 关注
实名认证
内容提供者

该用户很懒,什么也没介绍

确认删除?
VIP
微信客服
  • 扫码咨询
会员Q群
  • 会员专属群点击这里加入QQ群
客服邮箱
回到顶部