电脑桌面
添加小米粒文库到电脑桌面
安装后可以在桌面快捷访问

施工组织设计文字篇模板

施工组织设计文字篇模板_第1页
1/151
施工组织设计文字篇模板_第2页
2/151
施工组织设计文字篇模板_第3页
3/151
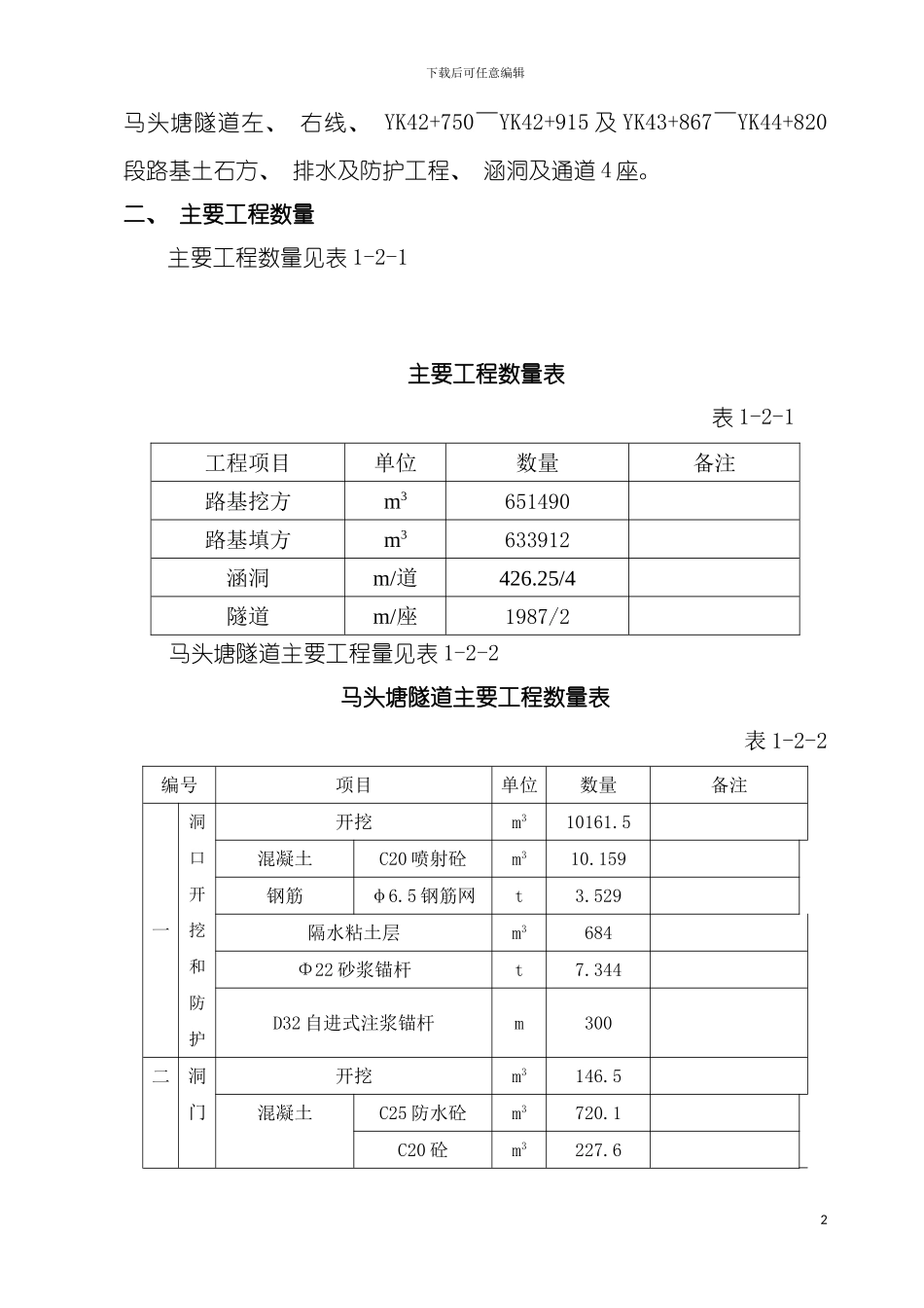
下载后可任意编辑施工组织设计文字篇1下载后可任意编辑第一章 概述第一节 编制依据( 1) 广贺高速公路三水至怀集段工程施工招标文件( 含设计图纸) 及补遗书。( 2) 中华人民共和国交通部发布的《公路桥涵施工技术法律规范》( JTJ041- ) 。( 3) 中华人民共和国交通部发布的《公路路基施工技术法律规范》( JTG F10- ) 。( 4) 中华人民共和国交通部发布的《公路隧道施工技术法律规范》( JTJ042-94) .( 5) 中华人民共和国交通部发布的《公路工程质量检验评定标准》( JTG F80/1- ) 。( 6) 施工场地现场施工调查报告。( 7) 我公司的施工能力和类似工程施工经验。第二节 工程概况一、 工程概述工程名称:二广高速公路怀集至三水段第 11 合同段 建设地点:四会市石狗镇建设单位:肇庆市广贺高速公路有限公司设计单位:中国公路工程咨询总公司里程范围: ZK42+755.69( YK42+750) ~ ZK44+838.03 (YK44+820) 本标段工程位于广东省四会市石狗镇, 线路全长 2.07 其中马头塘隧道为上下行分离式三车道高速公路隧道, 左线起讫桩号为 ZK42+905~ZK43+940, 右线起讫桩号为 YK42+915~YK43+867。本工程项目内容有: 1下载后可任意编辑马头塘隧道左、 右线、 YK42+750~YK42+915 及 YK43+867~YK44+820段路基土石方、 排水及防护工程、 涵洞及通道 4 座。二、 主要工程数量主要工程数量见表 1-2-1 主要工程数量表表 1-2-1工程项目单位数量备注路基挖方m3651490 路基填方m3633912 涵洞m/道426.25/4 隧道m/座1987/2 马头塘隧道主要工程量见表 1-2-2马头塘隧道主要工程数量表表 1-2-2编号项目单位数量备注一洞口开挖和防护开挖m310161.5 混凝土C20 喷射砼m310.159 钢筋φ6.5 钢筋网t3.529 隔水粘土层m3684 Φ22 砂浆锚杆t7.344 D32 自进式注浆锚杆m300 二洞门开挖m3146.5 混凝土C25 防水砼m3720.1 C20 砼m3227.6 2下载后可任意编辑C10 片石砼m3249 钢筋HRB335t24.794 HPB235t2.55 三衬砌开挖m3254033 混凝土C25 防水砼m334489 C10 片石砼m312926 C20 喷射砼m313316 钢筋HRB335t1712.462 HPB235t127.929 φ8 钢筋网t83.025 φ6.5 钢筋网t109.685 Φ22 药卷锚杆t176.084 D25 中空注浆锚杆m117399 22a 工字钢t408.353 20b 工字钢t351.347 A3 钢板t192.167 四辅助施工混凝土C25 砼m3183.6 32.5#水泥浆m32045 Φ42*3.5mm 钢花管t175.592 Φ106*6mm 钢花管t82.99...

1、当您付费下载文档后,您只拥有了使用权限,并不意味着购买了版权,文档只能用于自身使用,不得用于其他商业用途(如 [转卖]进行直接盈利或[编辑后售卖]进行间接盈利)。
2、本站所有内容均由合作方或网友上传,本站不对文档的完整性、权威性及其观点立场正确性做任何保证或承诺!文档内容仅供研究参考,付费前请自行鉴别。
3、如文档内容存在违规,或者侵犯商业秘密、侵犯著作权等,请点击“违规举报”。

碎片内容

施工组织设计文字篇模板

您可能关注的文档

确认删除?
VIP
微信客服
  • 扫码咨询
会员Q群
  • 会员专属群点击这里加入QQ群
客服邮箱
回到顶部