电脑桌面
添加小米粒文库到电脑桌面
安装后可以在桌面快捷访问

检修规程发电机样本

检修规程发电机样本_第1页
1/53
检修规程发电机样本_第2页
2/53
检修规程发电机样本_第3页
3/53
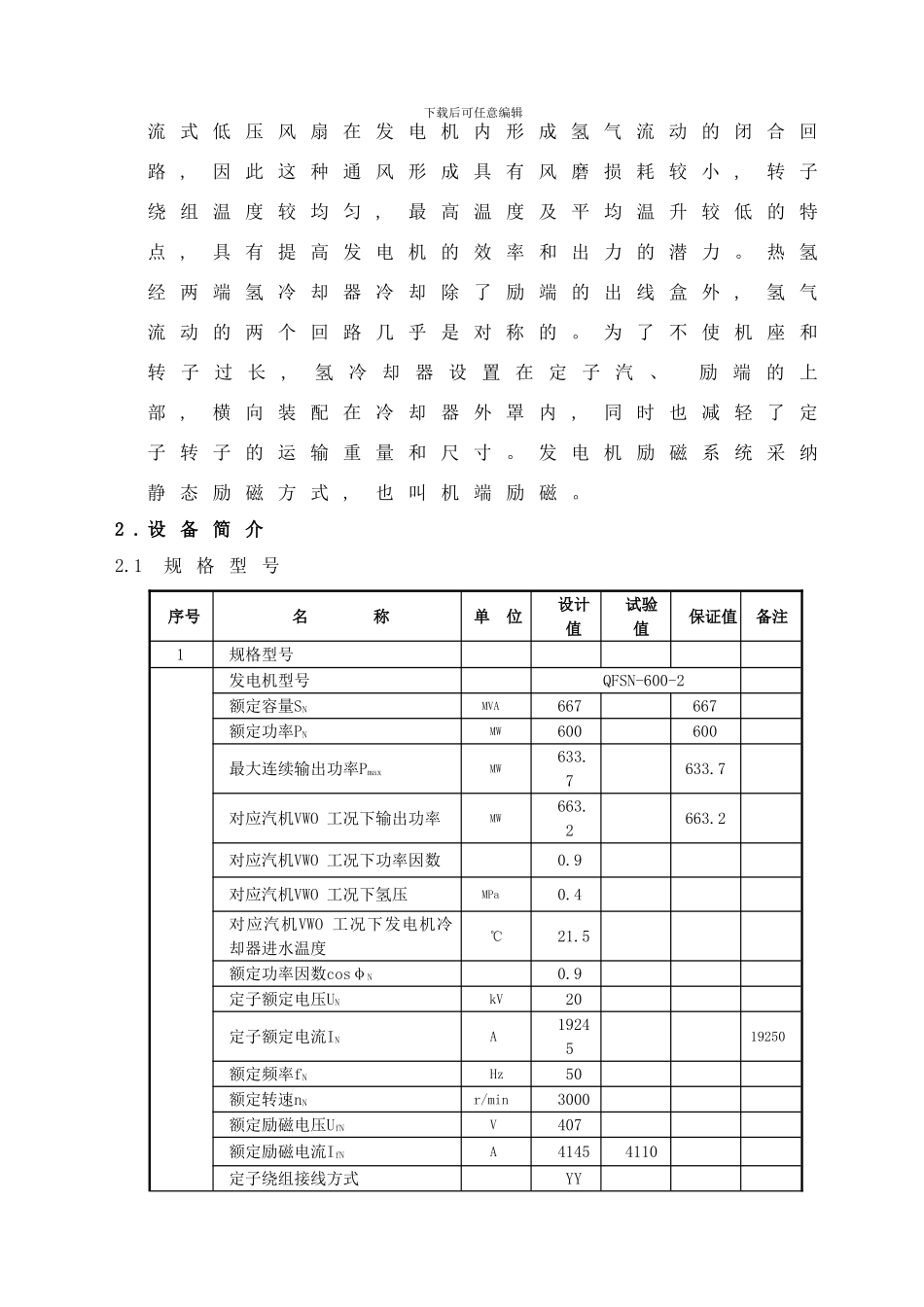
下载后可任意编辑发 电 机 检 修 工 艺 规 程1概 述陕 西 国 华 锦 界 能 源 有 限 责 任 公 司I 期 2*600MW发 电 机是 上 海 汽 轮 发 电 机 有 限 公 司 ( 上 海 电 机 厂 与 西 屋公 司 的 合 资 企 业) 生 产 的 水 氢 氢QFSN—600—2 型 汽 轮发 电 机 。 它 采 纳 焊 接 的 机 座 结 构 , 两 端 焊 接 式 端盖 支 撑 着 对 地 绝 缘 的 可 倾 式 分 块 轴 承 。 机 座 底 角与 底 板 ( 台 板 ) 之 间 设 置 阶 梯 型 垫 片 使 机 座 的 负荷 集 中 作 用 在 基 础 的 两 端 , 对 称 分 布 在 两 侧 , 很快 向 中 间 衰 减 , 并 在 现 场 测 试 发 电 机 底 角 应 力 分布 加 以 复 核 调 整 , 确 保 定 子 机 座 两 端 的 载 荷 分 布 , 以 改 进 与 定 子 机 座 相 连 接 的 端 盖 轴 承 的 支 承 刚度 来 降 低 机 组 的 振 动 。 定 子 机 座 与 铁 心 间 采 纳 高强 度 弹 簧 板 高 效 隔 振 装 置 , 大 大 减 轻 铁 心 电 磁 倍频 振 动 对 基 础 的 作 用 。 定 子 铁 芯 为 多 路 径 向 氢 表面 冷 却 , 端 部 结 构 件 也 为 氢 表 面 冷 却 。 由 于 水 内冷 效 果 比 氢 内 冷 更 好 , 故 在 本 型 发 电 机 中 采 纳 了水 内 冷 的 定 子 绕 组 、 连 接 线 、 主 引 线 和 出 线 瓷套 端 子 , 进 一 步 缩 小 了 定 子 的 运 输 尺 寸 及 重 量 。采 纳 合 金 钢 整 体 转 子 锻 件 。 转 子 绕 组 的 直 线 部 分为 气 隙 取 气 斜 流 通 风 , 而 端 部 为 轴 向 两 路 通 风 的氢 内 冷 方 式 。 定 转 子 各 有 多 路 并 联 风 区 , 冷 热 风区 相 间 , 定 转 子 相 互 对 应 , 近 定 子 端 部 出 槽 口 处在 线 圈 端 部 的 可 调 节 绑 环 上 设 置 气 隙 挡 风 环 , 并在 气 隙 中 设 置 冷 热 风 区 隔 环 以 加 强 对 转 子 的 通 风冷 却 。 由 于 气 隙 取 气 斜 流 通 风 为 自 通 风 方 式 , 故发 ...

1、当您付费下载文档后,您只拥有了使用权限,并不意味着购买了版权,文档只能用于自身使用,不得用于其他商业用途(如 [转卖]进行直接盈利或[编辑后售卖]进行间接盈利)。
2、本站所有内容均由合作方或网友上传,本站不对文档的完整性、权威性及其观点立场正确性做任何保证或承诺!文档内容仅供研究参考,付费前请自行鉴别。
3、如文档内容存在违规,或者侵犯商业秘密、侵犯著作权等,请点击“违规举报”。

碎片内容

检修规程发电机样本

您可能关注的文档

确认删除?
VIP
微信客服
  • 扫码咨询
会员Q群
  • 会员专属群点击这里加入QQ群
客服邮箱
回到顶部