电脑桌面
添加小米粒文库到电脑桌面
安装后可以在桌面快捷访问

概预算案例及答案一个样本

概预算案例及答案一个样本_第1页
1/4
概预算案例及答案一个样本_第2页
2/4
概预算案例及答案一个样本_第3页
3/4
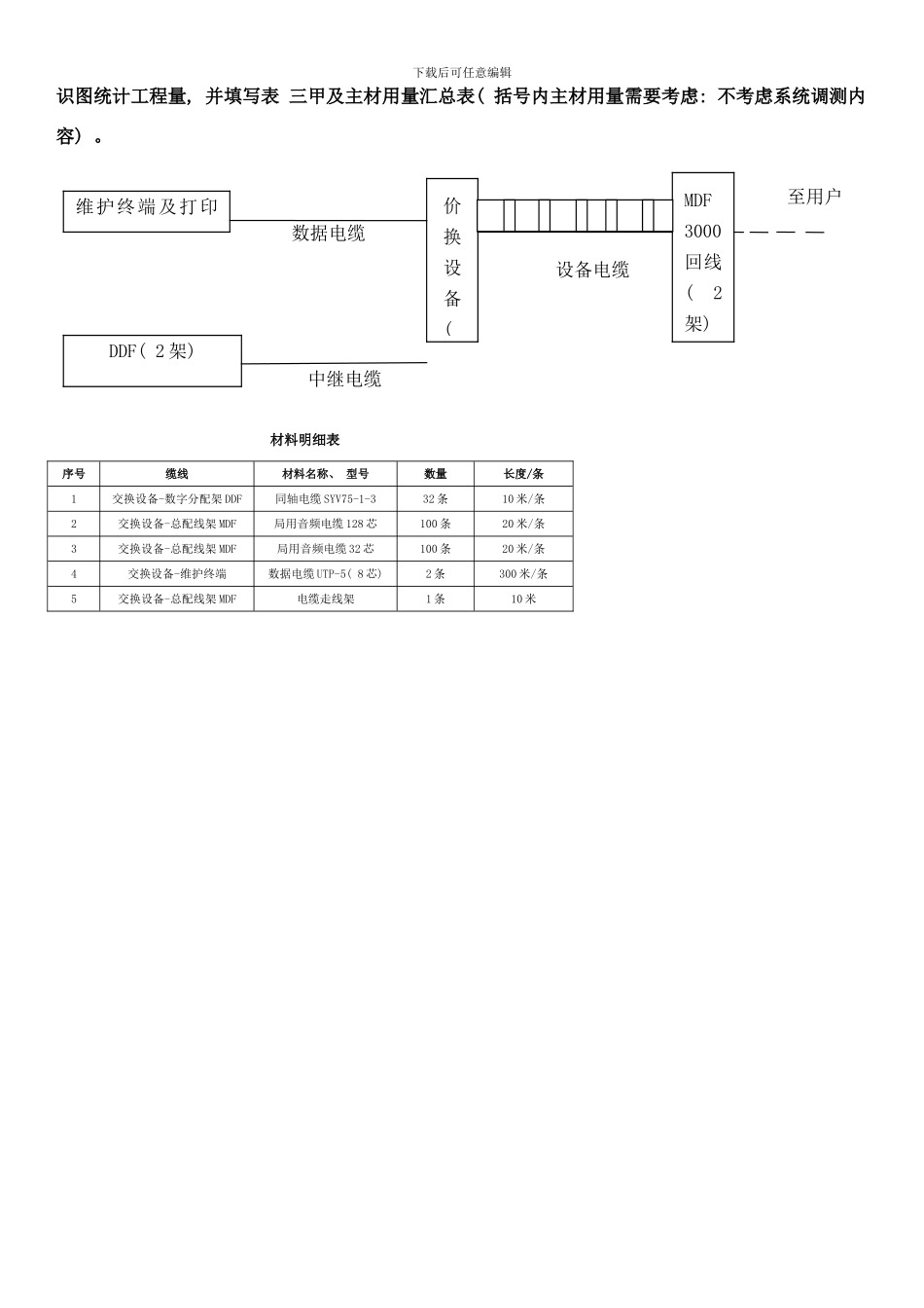
下载后可任意编辑识图统计工程量, 并填写表 三甲及主材用量汇总表( 括号内主材用量需要考虑: 不考虑系统调测内容) 。至用户数据电缆设备电缆中继电缆材料明细表序号缆线材料名称、 型号数量长度/条1交换设备-数字分配架 DDF同轴电缆 SYV75-1-332 条10 米/条2交换设备-总配线架 MDF局用音频电缆 128 芯100 条20 米/条3交换设备-总配线架 MDF局用音频电缆 32 芯100 条20 米/条4交换设备-维护终端数据电缆 UTP-5( 8 芯) 2 条300 米/条5交换设备-总配线架 MDF电缆走线架1 条10 米维护终端及打印机( 各一台) DDF( 2 架) 价换设备( MDF3000回线( 2架) 下载后可任意编辑建筑安装工程预算表( 表三) 甲单项工程项目名称: XX 交换设备安装工程 建设单位名称: XX 电信公司 表格编号: 第 页序号定额编号项目名称单位数量单位定额值( 工日) 合计值( 工日) 技工普工技工普工ⅠⅡⅢⅣⅤⅥⅦⅧⅨ1TSY3-001安装交换设备架10.0010.00100.002TSY1-028安装总配线架 94000 回线以下) 架2.0024.0048.003TSY1-035安装数字分配架( 整架) 架2.005.0010.004TSY1-092安装打印机台1.000.250.255TSY1-093安装维护危机终端台1.001.001.006TSY1-002安装电缆走线架米10.000.404.007TSY1-042放绑局用音频电缆( 24 芯以上) 百米条40.001.9076.008TSY1-046放绑 SYV 类射频同轴电缆( 单芯) 百米条3.201.504.809TSY1-048放绑数据电缆( 10 芯以下) 百米条0.601.000.6010TSY1-052编扎、 焊( 绕、 卡) 接局用音频电缆 32 芯条100.000.5555.0011TSY1-054编扎、 焊( 绕、 卡) 接局用音频电缆 128 芯条100.001.45145.0012TSY1-060编扎、 焊( 绕、 卡) 接 SYV 类同轴电缆芯条32.000.123.8413TSY1-061编扎、 焊( 绕、 卡) 数据电缆 10 芯以下条2.000.120.24合计448.73设计负责人: 审核: 编制: 编制日期: 年 月主要材料汇总表序号名称规格程式单位计算方法数量1槽钢43*80*43*5Kg32.64*265.282信号灯座套10*220.03红色信号灯套10*220.004加固角钢夹板组组2.02*24.045电缆走线架米1.01*1010.106局用音频电缆32 芯米102*202040.007局用音频电缆128 芯米102*202040.008SYV 类同轴电缆单芯米102*3.2326.409数据电缆UPT-5(8 芯)米102*0.661.20下载后可任意编辑下载后可任意编辑

1、当您付费下载文档后,您只拥有了使用权限,并不意味着购买了版权,文档只能用于自身使用,不得用于其他商业用途(如 [转卖]进行直接盈利或[编辑后售卖]进行间接盈利)。
2、本站所有内容均由合作方或网友上传,本站不对文档的完整性、权威性及其观点立场正确性做任何保证或承诺!文档内容仅供研究参考,付费前请自行鉴别。
3、如文档内容存在违规,或者侵犯商业秘密、侵犯著作权等,请点击“违规举报”。

碎片内容

概预算案例及答案一个样本

确认删除?
VIP
微信客服
  • 扫码咨询
会员Q群
  • 会员专属群点击这里加入QQ群
客服邮箱
回到顶部