电脑桌面
添加小米粒文库到电脑桌面
安装后可以在桌面快捷访问

水利工程制图实训建筑工程基础课程实训方案模板VIP专享

水利工程制图实训建筑工程基础课程实训方案模板_第1页
1/13
水利工程制图实训建筑工程基础课程实训方案模板_第2页
2/13
水利工程制图实训建筑工程基础课程实训方案模板_第3页
3/13
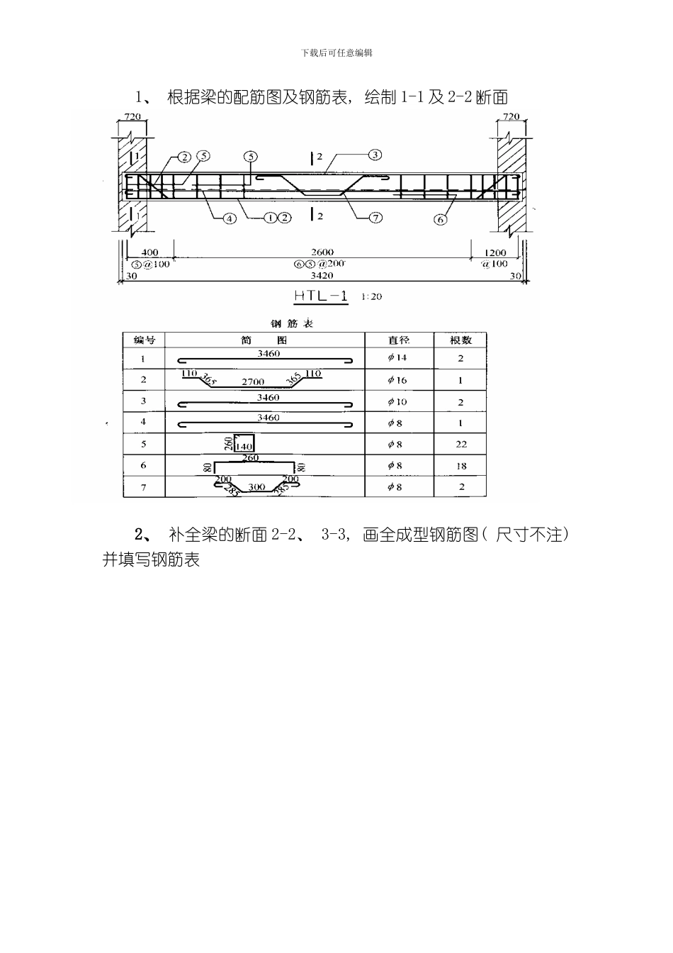
下载后可任意编辑水利工程制图实训( 建筑工程基础课程实训) 一、 实训的考核方式与成绩管理1.本实训的考核方式为考查形式。学习成绩由两部分组成, 小作业( 三次) 的成绩占总成绩的 30%, 大作业( 一次) 的成绩占总成绩的 70%。, 总成绩 60 分以上为合格。2.小作业应完成的内容: ( 1) 线型练习 A4 图一张; ( 2) 三视图练习; ( 3) 水利水电工程图的识读。3.大作业提交的内容: ( 1) 一张线型练习: 铅笔图或墨线笔图( A3 图) ; ( 2) 抄绘一套水利水电工程图: 平面图、 立面图、 剖面图、 结构图、 详图( 至少四张 A3 图) 4.学生应完全根据作业要求完成规定的三次小作业和一次大作业, 每次作业完成后应及时交辅导老师批阅, 拖延不交的要从作业成绩中扣除相应的分数。辅导老师必须仔细批阅作业, 并根据学生作业完成情况以百分制评定成绩。5.分校对作业成绩进行汇总和成绩的初审, 并填写成绩表( 一式 3 份) , 于每学期报送实践环节材料时一起交到兵团电大教学科研处审核。6、 从市场上买标准图纸完成实训作业二、 实训小作业实验一 线型练习 下载后可任意编辑 1、 实验目的 熟悉国家标准《机械制图》的 图幅、 图线、 字体、 比例和标题栏等有关 内容, 初步掌握绘图工具和绘图仪器的正确使用方法, 培育绘图技能。 2、 实验内容 将图 1 所示内容按 1 : 1 的比例画在 A4 幅面的图纸上。 实验二 三视图练习 能够正确反映物体长、 宽、 高尺寸的正投影工程图( 主视图, 俯视图, 左视图三个基本视图) 为三视图, 这是工程界一种对物体几何形状约定俗成的抽象表示方式任选一个建筑物并画出它的三视图( 画在 A4 幅面的图纸上) 实验三 水利水电工程图的识读下载后可任意编辑1、 根据梁的配筋图及钢筋表, 绘制 1-1 及 2-2 断面2、 补全梁的断面 2-2、 3-3, 画全成型钢筋图( 尺寸不注) 并填写钢筋表4一424一52下载后可任意编辑3、 解释下列符号的意义( 1) ( 2) ( 3) ( 4) 下载后可任意编辑4、 补画 1—1 阶梯剖面图下载后可任意编辑三、 实训大作业实验一、 线型练习一、 目的1、 熟悉制图基本规格。2、 练习正确使用绘图工具和仪器, 了解制图基本步骤和方法。二、 内容常见图线、 箭头及材料图例练习。按附图二给出的图样画仪器图。三、 要求1、 图纸: A3号图幅。图标格式和大小见附图一所示。2、 图名: 图线练习。3、 比例: 1...

1、当您付费下载文档后,您只拥有了使用权限,并不意味着购买了版权,文档只能用于自身使用,不得用于其他商业用途(如 [转卖]进行直接盈利或[编辑后售卖]进行间接盈利)。
2、本站所有内容均由合作方或网友上传,本站不对文档的完整性、权威性及其观点立场正确性做任何保证或承诺!文档内容仅供研究参考,付费前请自行鉴别。
3、如文档内容存在违规,或者侵犯商业秘密、侵犯著作权等,请点击“违规举报”。

碎片内容

水利工程制图实训建筑工程基础课程实训方案模板

确认删除?
VIP
微信客服
  • 扫码咨询
会员Q群
  • 会员专属群点击这里加入QQ群
客服邮箱
回到顶部