电脑桌面
添加小米粒文库到电脑桌面
安装后可以在桌面快捷访问

混凝土垫层技术交底样本

混凝土垫层技术交底样本_第1页
1/4
混凝土垫层技术交底样本_第2页
2/4
混凝土垫层技术交底样本_第3页
3/4
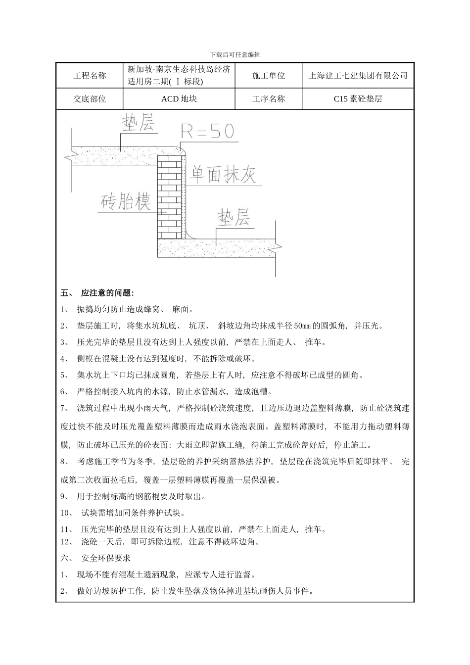
下载后可任意编辑工程名称新加坡·南京生态科技岛经济适用房二期( Ⅰ 标段) 施工单位上海建工七建集团有限公司交底部位ACD 地块工序名称C15 素砼垫层交底内容: 一、 材料要求垫层混凝土采纳强度等级为 C15 的普通混凝土。有开盘鉴定及各种材料合格证方可入模。水灰比不大于 0.5, 坍落度 12-14cm, 砼初凝时间为 6 小时。二、 主要机具汽车泵、 十字卡尺、 铁锹、 铁抹子、 木抹子、 水平刮杠、 水平尺、 φ100 塑料管、 直径 8 短钢筋等。三、 作业条件: 1、 槽底标高及混凝土垫层边线由测量工放好并经过相关专业检验, 并报甲方及监理进行验槽。2、 清槽完毕, 做好各项隐检记录。3、 施工前准备好施工机具, 搭设好施工马道, 汽车泵在打灰之前到指定地点准备好。4、 根据设计规定集水坑放坡, 弹线、 找好规矩。5、 一切杂物清理洁净。6、 在浇筑前 2 小时均匀洒水, 使基底表面密实, 面层湿润且无积水。四、 操作工艺1、 工艺流程: 50mmX100mm 方木做出边模板→抄标高控制线→浇水湿润平面→平面浇筑 C15 普通混凝土厚度为100mm→2 米刮杠、 木抹子收光→铁抹子压光二遍→保温养护→斜面上下限控制 50 线→抹斜面混凝土→压光二遍→保温养护。2、 按底板平面图纸, 放出垫层边线和集水坑开挖线, 用 50100mm 的方木沿垫层边线和集水坑上口线放好。其两侧用钢筋棍固定。3、 垫层先平面砼连续进行浇筑, 浇筑顺序为沿长边方向由远端向近端浇筑, 工人必须能够控制混凝土的下落点, 为保证砼浇筑时不产生离析, 砼由高处自由倾落, 落距必须小于 1.5M, 同时根据收面工人数量严格控制砼的浇速度, 严禁超速浇筑, 使砼在收光前初凝。等其能上人时在进行斜面砼浇筑。其浇筑示意图如下: 下载后可任意编辑工程名称新加坡·南京生态科技岛经济适用房二期( Ⅰ 标段) 施工单位上海建工七建集团有限公司交底部位ACD 地块工序名称C15 素砼垫层4、 垫层砼采纳机械振捣, 以保证砼密实。平板式振动器要振动均匀, 平板振动器振捣时覆盖上次振动器振捣宽度的三分之一, 且按短边北方向拖动振动器由远端向近端进行, 严防漏振, 振动要到表面不再下沉且泛出均匀的灰浆但无气泡产生为止。5、 砼浇筑用两米刮杠按标高刮平, 随打随用木抹子压实, 铁抹子原浆压出光面二遍。压光人员按顺序排整齐, 每人 1.3-1.5m 宽度, 沿着砼浇筑方向边压边退。浇筑过程中严格控制标高, 拉线找平。6、 承...

1、当您付费下载文档后,您只拥有了使用权限,并不意味着购买了版权,文档只能用于自身使用,不得用于其他商业用途(如 [转卖]进行直接盈利或[编辑后售卖]进行间接盈利)。
2、本站所有内容均由合作方或网友上传,本站不对文档的完整性、权威性及其观点立场正确性做任何保证或承诺!文档内容仅供研究参考,付费前请自行鉴别。
3、如文档内容存在违规,或者侵犯商业秘密、侵犯著作权等,请点击“违规举报”。

碎片内容

混凝土垫层技术交底样本

确认删除?
VIP
微信客服
  • 扫码咨询
会员Q群
  • 会员专属群点击这里加入QQ群
客服邮箱
回到顶部