电脑桌面
添加小米粒文库到电脑桌面
安装后可以在桌面快捷访问

加油站周边安全距离标准一览表VIP免费

加油站周边安全距离标准一览表_第1页
1/2
加油站周边安全距离标准一览表_第2页
2/2
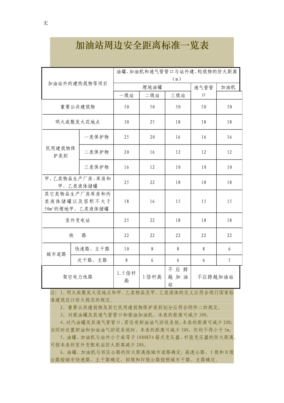
无加油站周边安全距离标准一览表加油站外的建构筑物等项目油罐、加油机和通气管管口与站外建、构筑物的防火距离(m)埋地油罐通气管管口加油机一级站二级站三级站重要公共建筑物5050505050明火或散发火花地点3025181818民用建筑物保护类别一类保护物2520161616二类保护物2016121212三类保护物1612101010甲、乙类物品生产厂房、库房和甲、乙类液体储罐2522181818其它类物品生产厂房库房和丙类液体储罐以及容积不大于50m3的埋地甲、乙类液体储罐1816151515室外变电站2522181818铁路2222222222城市道路快速路、主干路108886次干路、支路86665架空电力线路1.5倍杆高1倍杆高不应跨越加油站不应跨越加油站注:1、明火或散发火花地点和甲、乙类物品及甲、乙类液体的定义应符合现行国家标准建筑设计防火规范的规定。2、重要公共建筑物及其它民用建筑物保护类别划分应符合附件二的规定。3、对柴油罐及其通气管管口和柴油加油机,本表的距离可减少30%。4、对汽油罐及其通气管管口,若设有卸油油气回收系统,本表的距离可减少20%;当同时设置卸油和加油油气回收系统时,本表的距离可减少30%,但均不得小于5m。5、油罐、加油机与站外小于或等于1000KVA箱式变压器、杆装变压器的防火距离,可按本表的室外变配电站防火距离减少20%。6、油罐、加油机与郊区公路的防火距离按城市道路确定:高速公路、Ⅰ级和Ⅱ级公路按城市快速路、主干路确定,Ⅲ级和Ⅳ级公路按照城市干路、支路确定。无加油站的安全距离取决于两方面的因素:一是内部因素,二是外部因素。内部因素,主要是指加油站的建筑规模,规模越大,安全距离越大;规模越小,安全距离越小。现行的国家标准GB50156-2002《汽车加油加气站设计与施工规范》(以下简称《规范》)将加油站的建筑规模分为三类,由大到小依次为一级、二级和三级。确定加油站级别的指标有两个,当总容积为≤180m3、≤120m3、≤60m3,单罐容积为≤50m3、≤50m3、≤30m3时,则依次确定为一级、二级和三级。为了降低加油站潜在的油品火灾爆炸事故的危险性,《规范》规定城市建成区内一般不应建一级加油站,以尽量减少易燃易爆品的储存量。外部因素,主要是指加油站周边建筑设施的性质及规模。外部因素的种类繁多,难以一一列举,主要有重要公共建筑、民用建筑、明火或散发火花地点、企业厂矿、交通道路、电力线路及通信线路等。不同种类、不同规模的建筑物及设施,拥有不同的安全距离要求。加油站与各种建筑、设施之间的安全距离,主要从油罐(外壁)、通气管管口(中心线)和加油机(中心线)三个部位起算。其中,油罐、通气管管口和加油机与地市级以上党政机关办公楼、1500人以上座位的体育馆(影剧院)、500人以上的学校、藏书50万册以上的图书馆、车站等重要公共建筑物之间的安全距离要求最严,无论加油站级别大小均为50m;而与一般公路的安全距离要求均低,仅有5~8m。加油站与民用建筑之间的安全距离要求,则依据建筑规模确定。如三级加油站油罐、通气管管口和加油机与总建筑面积为1000m2至5000(不含5000)m2之间的居民楼之间的安全距离要求,一般为12m;与总建筑面积不足1000m2的居民楼之间的安全距离要求,一般为10m。按此标准计算,除个别加油站外,目前城市加油站一般均符合标准要求。

1、当您付费下载文档后,您只拥有了使用权限,并不意味着购买了版权,文档只能用于自身使用,不得用于其他商业用途(如 [转卖]进行直接盈利或[编辑后售卖]进行间接盈利)。
2、本站所有内容均由合作方或网友上传,本站不对文档的完整性、权威性及其观点立场正确性做任何保证或承诺!文档内容仅供研究参考,付费前请自行鉴别。
3、如文档内容存在违规,或者侵犯商业秘密、侵犯著作权等,请点击“违规举报”。

碎片内容

加油站周边安全距离标准一览表

您可能关注的文档

确认删除?
VIP
微信客服
  • 扫码咨询
会员Q群
  • 会员专属群点击这里加入QQ群
客服邮箱
回到顶部