电脑桌面
添加小米粒文库到电脑桌面
安装后可以在桌面快捷访问

道路交通标线涂料

道路交通标线涂料_第1页
1/9
道路交通标线涂料_第2页
2/9
道路交通标线涂料_第3页
3/9
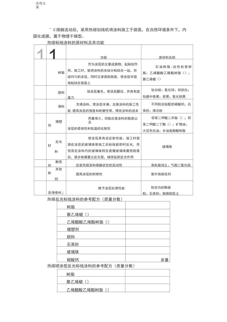
实用文案道路交通标线涂料简介:道路交通标线涂料(以下简称标线涂料)是应用于交通领域里的专用涂料,用以划设引导汽车和行人流动的道路交通标线(以下简称标线),标线的颜色主要是白色和黄色。利用标线涂料划设的各种醒目的标线所起到的标识作用,可以规范引导繁忙的车流和人流,使之各行其道,道路交通得以有序进行,提高了交通运输的流量和行车及行人的安全性,所以标线是道路交通管理中最基本、最经济、最有效的交通安全设施之一,止匕外,形形色色的标线划设在高速公路和城乡道路上,还起到了美化道路的效果。性能要求:标线涂层应具有鲜明的标识性标线涂层最好具有反光性标线涂层的不粘胎干燥时间要短与路面的附着力好、经久耐磨、使用寿命长良好耐候性标线涂层要有一定的抗滑能力热熔标线涂层应有足够的抗压强度分类:序号种类型号玻璃珠的使用状态需量热熔普通型不用玻璃珠粉粒状较少反光型涂料内含玻璃珠,施工时再面撒玻璃珠曰々取多突起型涂料内含玻璃珠,施工时再面撒玻璃珠渐多溶剂普通型不用玻璃珠液态较多反光型涂料内不含玻璃珠,施工时再面撒玻璃珠较少水性普通型不用玻璃珠液态较少反光型涂料内不含(或含)玻璃珠,施工时再面撒玻璃珠渐多双组分普通型不用玻璃珠液态较少反光型涂料内不含(或含)玻璃珠,施工时再面撒玻璃珠渐多突起型涂料内含玻璃珠,施工时再面撒玻璃珠较少组分、配方和生产:0 热熔标线涂料热熔标线涂料是由以热塑性树脂(石油树脂、改性松香树脂等)为主要成膜物,配以颜料、填料、反光材料、助剂等经混合机充分混匀制成,呈粉粒状。施工时,需加热到实用文案°C 熔融流动后,采用热熔划线机将涂料施工于路面,在自然环境条件下,内固化成膜,属于物理干燥型。热熔标线涂料的原材料及其功能11功能原材料名称树脂作为涂层的主要成膜物,起粘结作用。施工时,能将涂料的各组分粘结在一起,形成均匀的涂层,同时又渗透到路面,使涂层牢固地粘结在路面上石 油 树 脂 ; 改 性 松 香 树脂;乙烯醋酸乙稀酯树脂();聚乙烯蜡()颜料给涂层着色,使涂层醒目,并具有遮盖力钛白粉;氧化锌;锌钡白;包膜中铬黄;炭黑;氧化铁黑填料充填涂料,使涂层丰满。改善涂料的施工性能,提高涂层的强度和耐磨性等。降低涂料的成本不同粒径级配的碳酸钙;石英砂;滑石粉增塑剂用量很少,却能改善涂料的黏度以及涂层的柔韧性和低温的抗裂性邻苯二甲酸二辛脂();邻苯二甲酸二丁酯();矿物油;大豆色拉油;长油度...

1、当您付费下载文档后,您只拥有了使用权限,并不意味着购买了版权,文档只能用于自身使用,不得用于其他商业用途(如 [转卖]进行直接盈利或[编辑后售卖]进行间接盈利)。
2、本站所有内容均由合作方或网友上传,本站不对文档的完整性、权威性及其观点立场正确性做任何保证或承诺!文档内容仅供研究参考,付费前请自行鉴别。
3、如文档内容存在违规,或者侵犯商业秘密、侵犯著作权等,请点击“违规举报”。

碎片内容

道路交通标线涂料

确认删除?
VIP
微信客服
  • 扫码咨询
会员Q群
  • 会员专属群点击这里加入QQ群
客服邮箱
回到顶部