电脑桌面
添加小米粒文库到电脑桌面
安装后可以在桌面快捷访问

盘扣式板模板支撑计算书

盘扣式板模板支撑计算书_第1页
1/12
盘扣式板模板支撑计算书_第2页
2/12
盘扣式板模板支撑计算书_第3页
3/12
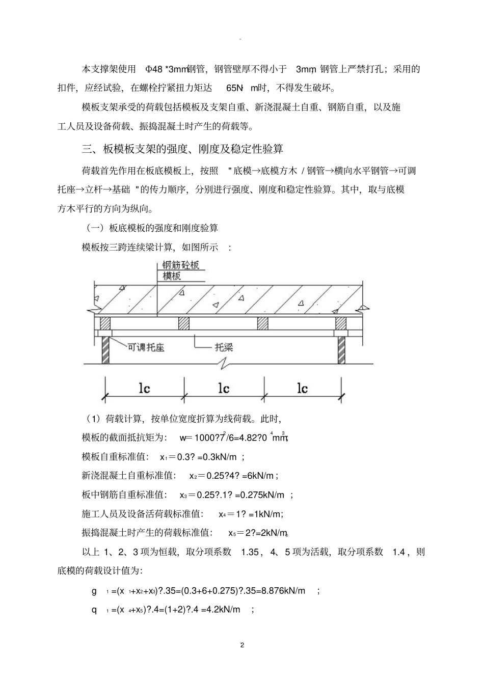
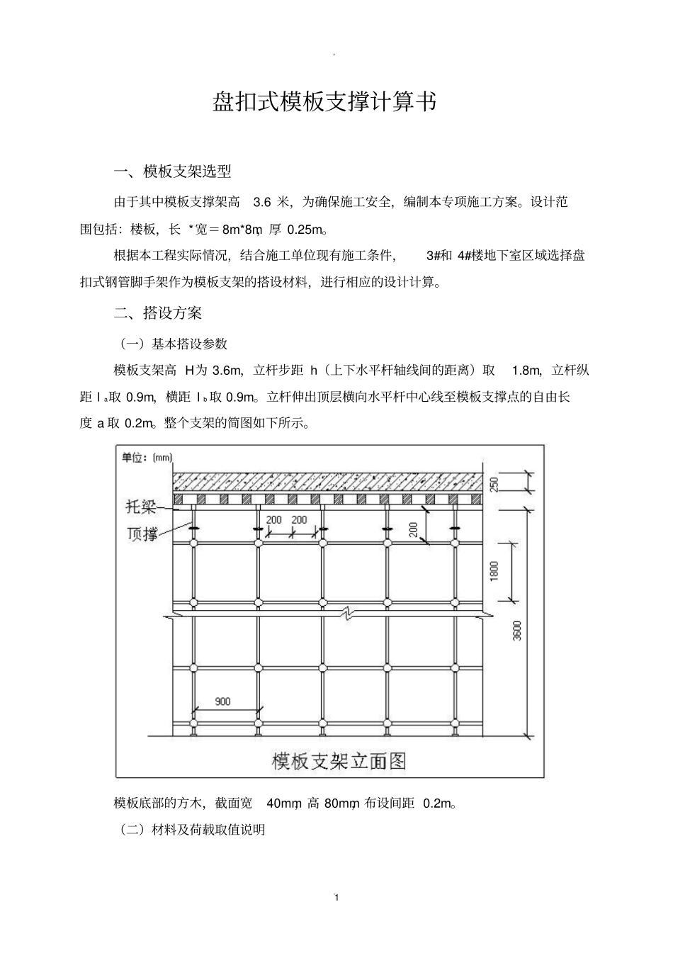
。。1 盘扣式模板支撑计算书一、模板支架选型由于其中模板支撑架高3.6 米,为确保施工安全,编制本专项施工方案。设计范围包括:楼板,长 *宽= 8m*8m,厚 0.25m。根据本工程实际情况,结合施工单位现有施工条件,3#和 4#楼地下室区域选择盘扣式钢管脚手架作为模板支架的搭设材料,进行相应的设计计算。二、搭设方案(一)基本搭设参数模板支架高 H为 3.6m,立杆步距 h(上下水平杆轴线间的距离)取1.8m,立杆纵距 l a取 0.9m,横距 l b 取 0.9m。立杆伸出顶层横向水平杆中心线至模板支撑点的自由长度 a 取 0.2m。整个支架的简图如下所示。模板底部的方木,截面宽40mm,高 80mm,布设间距 0.2m。(二)材料及荷载取值说明。。2 本支撑架使用Φ48 *3mm钢管,钢管壁厚不得小于3mm,钢管上严禁打孔;采用的扣件,应经试验,在螺栓拧紧扭力矩达65N· m时,不得发生破坏。模板支架承受的荷载包括模板及支架自重、新浇混凝土自重、钢筋自重,以及施工人员及设备荷载、振捣混凝土时产生的荷载等。三、板模板支架的强度、刚度及稳定性验算荷载首先作用在板底模板上,按照" 底模→底模方木 / 钢管→横向水平钢管→可调托座→立杆→基础 "的传力顺序,分别进行强度、刚度和稳定性验算。其中,取与底模方木平行的方向为纵向。(一)板底模板的强度和刚度验算模板按三跨连续梁计算,如图所示: (1)荷载计算,按单位宽度折算为线荷载。此时,模板的截面抵抗矩为: w=1000?72/6=4.82?04mm3;模板自重标准值: x1=0.3? =0.3kN/m ;新浇混凝土自重标准值:x2=0.25?4? =6kN/m;板中钢筋自重标准值: x3=0.25?.1? =0.275kN/m ;施工人员及设备活荷载标准值:x4=1? =1kN/m;振捣混凝土时产生的荷载标准值:x5=2?=2kN/m。以上 1、2、3 项为恒载,取分项系数1.35 ,4、5 项为活载,取分项系数1.4 ,则底模的荷载设计值为: g1 =(x1+x2+x3)?.35=(0.3+6+0.275)?.35=8.876kN/m; q1 =(x4+x5)?.4=(1+2)?.4 =4.2kN/m;。。3 对荷载分布进行最不利布置,最大弯矩取跨中弯矩和支座弯矩的较大值。跨中最大弯矩计算简图跨中最大弯矩计算公式如下: M1max = 0.08g1l c2+0.1q 1l c2 = 0.08?.876?.22+0.1?.2?.22=0.045kN 穖支座最大弯矩计算简图支座最大弯矩计算公式如下:M2max= -0.1g1l c2-0.117q 1l c2= -0.1?.876?.22-0.117?.2?.22= -0.055kN 穖;经比较可知,荷载按照图2 进行组合,产生的支座弯矩最...

1、当您付费下载文档后,您只拥有了使用权限,并不意味着购买了版权,文档只能用于自身使用,不得用于其他商业用途(如 [转卖]进行直接盈利或[编辑后售卖]进行间接盈利)。
2、本站所有内容均由合作方或网友上传,本站不对文档的完整性、权威性及其观点立场正确性做任何保证或承诺!文档内容仅供研究参考,付费前请自行鉴别。
3、如文档内容存在违规,或者侵犯商业秘密、侵犯著作权等,请点击“违规举报”。

碎片内容

盘扣式板模板支撑计算书

您可能关注的文档

文库当当响+ 关注
实名认证
内容提供者

该用户很懒,什么也没介绍

确认删除?
VIP
微信客服
  • 扫码咨询
会员Q群
  • 会员专属群点击这里加入QQ群
客服邮箱
回到顶部